tom_hifi je napisao/la:Idemo po redu. Ako sam dobro shvatio ilimzna koji je sugerirao sljedeće: "s time da se izlazi prema DAC-u spajaju iznad spoja otoka digitalne mase SPDIF-a i DAC_a, ali za razliku od adagia, spoji ih preko otpora manje vrijednosti, cca 100-470 ohma, ne direktno."
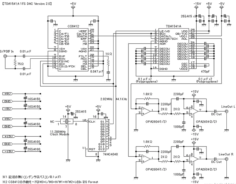
Znači, izlaze iz CS8412 preko otpora do TDA1541A. Ovako:

Tocno tako. Otpori limitiraju maksimalnu struju prema ulazima DAC-a. Na prvi pogled to je cudno jer su ulazi MOS tipa dakle, nema gotovo nikakve struje prema njima gledano staticki. Problem su medjutim kapaciteti ulaza. Kod direktnog spajanja, cak i najkracim vodom, vrlo niska impedancija izlaza CS8412 tjera kapacitete direktno, i na svakom bridu signala potece kratak ali visok strujni pik koji puni ulazni kapacitet. Ta se struja vraca u CS kroz spoj masa CS-a i DAC_a i lokalno radi induktiviteta vodova uzrokuje pad napona, tj. smetnje u masi. Limitiranje struje automatski smanjuje pikove, svaku potencijalnu avonjavu i prigusuje titrajne krugove sacinjene od ulaznih kapaciteta chipova i induktiviteta vodova, cime se injekcija 'smeca' u masu radikalno smanjuje.
Najviše smo pričali o izlaznom dijelu te spojevima masa. Tako da budu analogne i digitalne mase odvojene.
Idemo prvo na izlazni dio. Riješio sam lokalni decoupling svakog opampa, LPF filter je složen, IV konverzija prema datasheetu, dodan je 100ohm otpor na izlazu prije veznog kondenzatora koji je stavljen 2.2uF i to će biti neki bolji polypropilen.

Napajanja op-ampova nemoj spajati direktno na +-18V vec preko otpora male vrijednosti, 1-10ohma. Elektrolit u decouplingu se shodno tome moze i povecati - time se dobiva forma lokalnog izvora, pri cemu prakticki sva izmjenicna struja zapravo kruzi izmedju chipa, izlaza i kondenzatora, i ne prostire se dalje po dugim vodovima do napajanja.
Otpor 600 ohma prema masi iza IV konvertera je posve nepotreban. Umjesto njega stavi seriju otpor-mala folija (cca 10nF) koji se u stvarnosti vjerojatno nece ni trebati stavljati, no cine zobel mrezu za slucaj da OPamp bude nestabilan. Kondenzator u paralelu s otporom u povratnoj vezi u IV konverteru ce trebati 'podesiti', on ovisi o sampling frekvenciji.
IV konverzija je jedno od mjesta gdje se moze izvesti kompenzacija sin(x)/x frekventne karakteristike non-OS-a. To bi se izvelo tako da se jedan otpor u povratnoj vezi opampa pretvori u dva serijski vezana, s serijskom kombinacijom RC prema masi izvedenom sa medjusobnog spoja ta dva otpora. Medjutim, ovako kako je nacrtano je kompenzacija izvedena u filteru, tako da ovo mozes i ovako ostaviti, osim ako jednog dana pozelis izlazni filter pretvoriti u pasivni s bufferom (to bi se izvelo tako da se u filteru kond koji sad ide s izlaza OPampa, spoji umjesto toga na masu). Ako vec radis stampu, mozda bi bilo zgodno ostaviti tu opciju.
Otpor na samom izlazu od 10k je puno premalen. Ako stavis 2.2uF vezni kond, vec samo s njim, bez icega spojenog, donja granicna frekvencija ispada 7.2Hz. Pri tome je amplituda pala od referentne 3dB. Na 20Hz pad je 0.5dB. Dakle, ili je kondenzator premalen ili je otpornik premalen. Obicno se specificira +-0.1dB za ovakve uredjaje, dakle otpor neka bude barem 100k a sasvim lijepoi ce biti i 220k. Funkcija ovog otpora je punjenje konda na DC napon ako na izlazu nema nikakvog trosila, tj. osiguravanje nule na izlazu.
No, to je samo poola problema i razlog zasto ljudi cesto stave premale vezne kondenzatore. Standardna ulazna impedancija je 47 ili 50k ohma, no zna se dogoditi i da je niza, ali rijetko ispod 10k. U svakom slucajunije zgorega racunati s 10k kao najgorim slucajem. U tom slucaju je vezni kond od 10uF obavezan. No, to nije sve. Vrlo cesto i uredjaj na kojeg spajamo DAC ima svoj ulazni kond. Na kraju izlazni kond DAC-a i ulazni uredjaja cine serijsku k ombinaciju, ciji je efektivni kapacitet uvijek manji od svakog pojedinacnog. Pretpostavimo li da je i ulazni kond 10uF, efektivno imamo 5uF u seriju i u najgorem slucaju 10k na masu. Ovaj slucaj taman zadovoljava specifikaciju +-0.1dB od 20Hz do 20kHz. Realno, vezni kondovi od 2.2uF su OK ako se moze garantirati impedancija slijedeceg stupnja od 47k, i puno veci vezni kond na ulazu slijedeceg stupnja, ako postoji. Alternativa za uredjaje s ulaznim kondom je napraviti dodatni direktni DC vezani izlaz direktno iz OP-ampa.
A sad, na redu su mase. Ono što me najviše muči. Znači, mase bi bile spojene na "otoke". CS8412, CS8412 PLL, TDA1541A Digital, TDA1541A Analog, IV i LPF filter. Znači, sve skupa 6 otoka. To još nisam dovršio dokraja. Pokušao sam si skicirati te otoke i što se spaja na koji, no, muči me, kako ih nakraju i kud spojiti. To mi je ilimzn dosta detaljno opisao, al nisam uspio sve odmah pokopčat, no, riješit će se i to. Zasad to izgleda ovako.

Sve to me jako podsjeća na uzemljenje u zvijezdu, jer očito valjda i je.
Nije zvijezda nego serija zvijezda

Na slici imas gresku, otok s PLL komponentama CS-a je posebna grana, slijepo crijevo. Digitalne mase CS-a i DAC-a se spajaju skupa.
Redom, sve je na CS-u digitalno osim pinova 20, 21, 22. Oni su referencirani na analognu masu CS-a, pin 21. Ujedno, na tom pinu se spaja analogna i digitalna masa za CS, ispod chipa. Mase komponenti C106, R106, U103, C103, C104 i C137 se spajaju na tu anaognu masu a sve spomenute komponente su iznad analogne mase ako se ona izvodi kao povrsina, ispod njih ne bi trebali prolaziti nikakvi digitalni signali.
Sve ostalo na CS-u ide iznad digitalne mase CS-a.
Puno veci problem je DAC. Kao sto to uvijek podje za rukom firmi Philips, negdje mora biti neki za*eb, pa je to ovdje cinjenica da je digitalna masa tocno nasuprot digitalnih signala, a napajanje Vdd je istovremeno i analogno i digitalno.
Ovo predstavlja dosta nezgodan problem kod izrade stampe. Ovdje mogu jedino preporuciti da se masa izvede kao povrsina s gornje strane stampe. Teoretski, DGND i AGND bi se trebali spojiti skupa na pinu AGND no kako se napajanja moraju zatvarati (decouplati) na AGND osim VDD koje je skroz na suprotnom kraju od DGND, nece biti druge nego sve skupa tretirati kao jedan ground plane i samo pazljivo vuci spojeve na druge mase. Konkretno, digitalna masa CS-a dolazi negdje u blizinu pina AGND a digitalni signali od CS-a do DAC pinova 1, 2, 3, 4 se vode ispod tog spoja digitalne mase sve do samog DAC chipa. Sve drugo se tretira kao analogna masa. Da bi to optimalno radilo, zaista je najbolje rijesenje za napajanje TDA lokalni shunt regulatori tocno kako je i izvedeno s ovim DAC-om.
Analogni signali i spoj analogne mase na VI konverziju se izvlace od pina AGND na DAC-u, dakle s pinova 5 i 6 a signal s pina 25 se izvuce izmedju pinova 5 i 6, i to ide prema IV konverziji. Na tom mjestu se moze izvesti konektor za eksterni IV kao i otpori s izlaza prema masi za slucaj da se radi pasivna IV konverzija (u kojem slucaju se na konektor za eksterni IV veze npr cijevni izlaz).
IV konverter ima svoj 'otok' mase na koji se spajaju lokalni decoupleri i eventualno masa RC clana ako se na IV konverteru radi sin(x)/x kompenzacija.
Filter i izlaz imaju svoj otok mase na koji se veze lokalni decoupling, masa kondova u filteru, izlazna masa i masa ispravljaca +-18V. U ovoj konstrukciji je ispravljac zajednicki, pa je njegovu masu potrebno spojiti kao power ground tamo gdje je izlazna masa, a sve druge mase se spajaju k,roz spojeve otoka masa. Lokalna shunt regulacija osigurava da kroz spojeve masa zapravo tece samo DC komponenta struje, dok AC komponente prolaze kroz shuntove. Ujedno je to i razlog zasto se napajanja opampova rade preko otpora a ne direktno, na taj nacin je osigurano da je put najmanje impedancije za sve AC komponente osim one najnizih frekvencija kroz lokalni decoupling a ne kroz vodove napajanja.
Jos par optimizacija - s obzirom da je pad napona na serijskim otporima lokalnih shuntova dosta velik, zavojnice u filterima +-18V prikazane na shemi se slobodno mogu zamijeniti otporima a kondenzatori iza njih a ispred serijskih otpora u shuntovima, povecati tako da se u paralelu postojecim 47nF stave elektroliti. Inace su elektroliti na shemu u paraleli s TL431 prilicno mali, iako dostatni. Vece vrijednosti bi radile bolje, do nekih 47uF, daljnje je povecanje pozeljno ali bi ih trebalo optimizirati tako da im je vremenska konstanta s serijskim otporom podjednaka, kako bi se izbjeglo pojavljivanje pojedinih napona znacajno prije iloi poslije drugih (krivo sekvenciranje napajanja). Rezultati blizu teoretskima se postizu zamjenom serijskih otpora strujnim izvorima (struja se lako moze iracunati iz razlike napona shunt regulatora i ulaznog napona 18V). kako je razlika napona dosta velika, ovdje sasvim dobro mogu posluziti jednostavniu strujni izvori s JFET-om, pod uvjetom da se moze postici zeljena struja. JFET-ovi su limitirani na Idss, struju koja tece kad se G i S spoje kratko. Primjerice, za JFET BF245, ta struja varira od 5 do 30mA ovisno o sufiksu A, B ili C, i pojedinom primjerku. Zamjena otpora JFET izvorom bi se svakako isplatila za analogno napajanje CS8412, jer o kvaliteti tog napajanja ovisi jitter clocka regeneriranog iz ulaznog SPDIF signala. Za ostala napajnajna ce bit problem osigurati dovoljnu struju jer su tipicne struje iznad 45mA, za sto bi trebalo JFET-ove selektirati i spajati u paralelu 2 ili vise komada.