Kao sto sam rekao, ulazni stupanj kao koncept je na pravom tragu, uz ogradu o odabiru komponenti koje ne mogu pouzdano izdrzati uvjete rada. Ovdje je jednostavno cini mi se bilo pitanje neiskustva i sposobnosti zastupnika firme Zetex da nekome proda svoj proizvod pod ono sto u stvari nije. Na prvi pogled je odabrana korektna komponanta ali je krivo interpretiran podatak iz datasheet-a, sto i nije cudno s obzirom na nacin na koji je dat - bitna informacija o uvjetima pod kojima su mjerene performanse nalazi se u fusnoti. Iskusnije bi oko odmah uocilo da tu nesto ne stima, zakoni fizike su neumoljivi.
Odabir komponente je onda uzet kao kompromis s obzirom na potrebnu disipaciju, sto je rezultiralo nepovoljnijim pojacanjem i nizim i nelinearnijim ulaznim otporom. Promjenom topologije bi se taj problem vrlo lako rijesio, kao sto cu pokazati u nastavku, uz rijesavanje podosta drugih problema 'usput'.
Ovdje su sada spomenuti jednu stvar koja bi s pravom bila predmet polemike, no smatram da nisam u krivu, kad kazem da je konstrukcija pojacala bez upotrebe NPV znacajno manje kriticna nego ispravno koristenje NPV. Cak je u neku ruku odabir suboptimalnih komponenti i topologija garancija stabilnosti - kada bi se ista stva pokusala kod klasicne konstrukcije, bilo bi svakakvih problema.
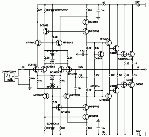
Evo jedne evoluirane verzije S300:
Osim hrpe kaskodiranja, pojacanja su 'podesena' tako da je moguce smanjiti struju ulaznih diferencijala i istovremeno povecati degeneraciju. kao rezultat toga svega, sve komponente u ulaznom krugu disipiraju maksimalno 150mW osim izlaznih kaskodnih tranzistora, koji disipiraju isto kao u originalu. Najbolje mjesto za njih bi bilo na glavnom hladilu, ili na postenim manjim hladilima.
Tipovi tranzistora su odabrani prema onome sto je bilo za odabrati usimulatoru. U kaskodama ulaznog stupnja bi sasvim fino radili i obicni BC546/556, a drugdje gdje su stavljeni MPSW42/92, citaj MJE240/350. Bitno je reci da kaskoda na izlazu naponskog pojacala kao i cijeli izlaz zahtijevaju vrhunske tranzistore za maksimum perormansi, s njima bi se podosta jos dalo izvuci.
Ovako kako je nacrtano, na maksimalnoj snazi performanse su slicne originalu, do 0.1% izoblicenja tipicnog za PP izlaz. No tu prestaju slicnosti.
Ulazno izoblicenje je smanjeno cca 15 puta, gornja granicna frekvencija je prosirena gotovo 6 puta - u simulatoru je to 7Hz do 700kHz +-0.1dB, na punoj snazi. Ali, najbitnije poboljsanje je ovo:

- S300_evolution_no_NFB_THD_1W.gif (7.94 KiB) Pogledano 13415 put/a.
Na slici iznad je fourier diagram iaoblicenja na 1W izlazne snage, 1kHz, u 8 ohma. Lako se usporedi s prethodno datim simulacijama. koliko god su simulacije 'teoretske', ovakva razlika zasluzuje paznju, tim vise sto j eostvarena s manjom strujom mirovanja nego za original.
Jos jedna napomena - u ovoj verziji nije potreban ni DC servo ni kompenzacija ulazne struje, ali je cijena toga poveliki elektrolit koji sprecava GNFB za AC signal. Njegova je kvaliteta vrlo bitna i naravno tu treba staviti bypass-e s manjim folijskim kondenzatorima itd.
U nastavku, malo istrazivanje sto se dobiva upotrebom vrlo niskog stupnja GNFB u ovakvoj konstrukciji.