DOGC-H

Ovdje možete objavljivati vaše radove

Re: DOGC-H

PostPostao/la 44250 » 24 lis 2011, 21:06

da,u pravu ste kad kažete "Puno je bolja prezentacija i ljudi ce rado pogledati. Onako gledati link po link na imageschaku se da samo onima koji imaju puno vremena s kojim ne znaju sto bi..." jer i sam tako radim. eto,čim budem imao vremena tako ću i uraditi. inače što se tiče kontrasta i boje tu me foto-aparat zeza kao da ih zamulja,sa mobilnog budu jasnije ali lošijih boja. ma odabraću nekolicinu pa srediti koliko je moguće. za studio-se ću pogledati da li postoji već otvorena tema pa ako ima "prikačiću" se sa po nekom slikom.
Avatar
44250
 
Postovi: 181
Pridružen/a: 09 ruj 2011, 18:13
Lokacija: Ugrinovci-Zemun-Beograd

Re: DOGC-H

PostPostao/la 44250 » 15 sij 2012, 15:40

DA NE OTVARAM NOVU TEMU,evo par slika i ovog pojačalca...

:arrow: Dva kanala APEX NX16 sa APEX PSU10 stabilisanim napajanjem i APEX PSU-protect+clip

PICT0132.JPG
pločice pred ojedanje
PICT0132.JPG (68.05 KiB) Pogledano 9195 put/a.
Privitak/ci
DSC01120.JPG
kutija odozdo
DSC01120.JPG (72.81 KiB) Pogledano 9195 put/a.
DSC01116.JPG
kutija lijevi bok
DSC01116.JPG (71.75 KiB) Pogledano 9195 put/a.
DSC01114.JPG
kutija desni bok
DSC01114.JPG (78.05 KiB) Pogledano 9195 put/a.
DSC01062.JPG
kutija prazna
DSC01062.JPG (59.24 KiB) Pogledano 9195 put/a.
DSC01053.JPG
oba kanala NX16
DSC01053.JPG (61.5 KiB) Pogledano 9195 put/a.
DSC01044.JPG
nešto dijelova...
DSC01044.JPG (76.98 KiB) Pogledano 9195 put/a.
DSC01037.JPG
ojedene i zaštićene rastvorom kalafonijuma
DSC01037.JPG (63.4 KiB) Pogledano 9195 put/a.
Zadnja izmjena: 44250; 15 sij 2012, 15:50; ukupno mijenjano 1 put/a.
Avatar
44250
 
Postovi: 181
Pridružen/a: 09 ruj 2011, 18:13
Lokacija: Ugrinovci-Zemun-Beograd

Re: DOGC-H

PostPostao/la 44250 » 15 sij 2012, 15:49

Privitak/ci
APEXNX14pcblayout NX14 pcb size 82,5x60mm.jpg
pločica,raspored,dimenzije
APEXNX14pcblayout NX14 pcb size 82,5x60mm.jpg (97.14 KiB) Pogledano 9195 put/a.
APEX Test Wireing.jpg
ožičenje
APEX Test Wireing.jpg (53.09 KiB) Pogledano 9195 put/a.
APEX NX16.jpg
šema
APEX NX16.jpg (53.38 KiB) Pogledano 9195 put/a.
DSC01123.JPG
gotovo,sa zadnje strane
DSC01123.JPG (50.98 KiB) Pogledano 9195 put/a.
DSC01122.JPG
gotovo,s prednje strane
DSC01122.JPG (52.96 KiB) Pogledano 9195 put/a.
Avatar
44250
 
Postovi: 181
Pridružen/a: 09 ruj 2011, 18:13
Lokacija: Ugrinovci-Zemun-Beograd

Re: DOGC-H

PostPostao/la 44250 » 15 sij 2012, 16:01

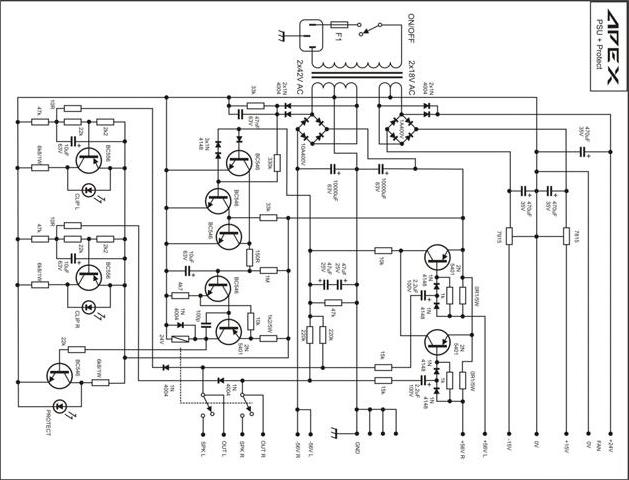
Stabilisano napajanje PSU5 (PSU10 ima dva para izlaznih tranzistora)

jedan od komentara sa foruma:

"Na Apex-ovom stabilizatoru sam "vozio"napon od +-/30 do +-/65V,mene licno snaga ne ineteresuje,ali Stk je trazio sta moze izvuci.Na mjerenju sam koristo toruse 2 komada 2X70V 600W."
Privitak/ci
sema.jpg
šema
sema.jpg (32.23 KiB) Pogledano 9193 put/a.
raspored štampati u ogledalu 140x90mm.jpg
raspored,urađen za 4 diode,a pločica za inregrisani grec ostatak se potpuno slaže
raspored štampati u ogledalu 140x90mm.jpg (57.95 KiB) Pogledano 9193 put/a.
plocica štampati u ogledalu 140x90mm.jpg
pločica PSU5
plocica štampati u ogledalu 140x90mm.jpg (49.27 KiB) Pogledano 9193 put/a.
Avatar
44250
 
Postovi: 181
Pridružen/a: 09 ruj 2011, 18:13
Lokacija: Ugrinovci-Zemun-Beograd

Re: DOGC-H

PostPostao/la 44250 » 15 sij 2012, 16:06

Protect+ clip

tekstovi sa foruma:
"Nobody like VI limiter in audio amplifier and possible distortion, but overcurrent can demage output. In PA short circuit on output for long time can damage amplifier with VI limiter also. This PSU have short circuit protect, and can help with experimenting amplifier. Schematics for short circuit protect can be implement in any DC protection.



Originally Posted by maouna
my transformer is 24-0-24 volts ac , 200VA .would you mind telling me the component values i have to change in order for your circuit to work properly?
1 Replace 1,5k/5w with 330R/2W for relay
2 Replace 0,1R/5W with 0,22R/5W for short-circuit detect
3 Replace 220k with 47k for DC detect
Rest will work with 35V DC, 6k8/1W for LED can be replaced with 3k9, but not necessary.

Clip indicator circuit indicate when amplifier output is about 6V to rail. Some amplifier can not give that high output,(mosfet output with same VAS rail voltage for exemplar) in this case 2k2 can be replaced with 1k5, clip indicate when output is about 9V to rail.

Short circuit protect will be activate in case shorting output terminals even when amplifier operate with few wats, no need 6A to activate at first."


link: http://www.diyaudio.com/forums/solid-st ... ier-8.html
Privitak/ci
APEX Protect.jpg
šema
APEX Protect.jpg (50.87 KiB) Pogledano 9192 put/a.
APEX PCB štampati u ogledalu.jpg
pločica,štampati u ogledalu za toner-transfer
APEX PCB štampati u ogledalu.jpg (100.49 KiB) Pogledano 9192 put/a.
Avatar
44250
 
Postovi: 181
Pridružen/a: 09 ruj 2011, 18:13
Lokacija: Ugrinovci-Zemun-Beograd

Re: DOGC-H

PostPostao/la ziki » 15 sij 2012, 18:51

Evo super materijala za izradu :) . Sviđa mi se. APEX-ove sheme su većinom isprobane u praksi i dobro rade. I ja ću nešto od toga složiti, sigurno.
Avatar
ziki
 
Postovi: 340
Pridružen/a: 05 svi 2011, 13:14

Re: DOGC-H

PostPostao/la Khadgar2007 » 15 sij 2012, 19:13

@44250
a velike slike kačim na photobucket i od tamo fino stavim link da ovdje prikaže sliku mjesto samo linka, i to je to. Kada tamo uploadaš sliku samo odabereš onaj "img code" i pastaš ga ovdje u post.
"Nakon prve čaše vidite stvari onakvim, kakve bi vi htjeli da budu. Nakon druge vidite ih onakvim, kakve nisu. Na kraju ih vidite onakvim, kakve zaista jesu, što je najgora stvar na svijetu."
Avatar
Khadgar2007
 
Postovi: 2488
Pridružen/a: 05 svi 2011, 16:44
Lokacija: Sisak

Re: DOGC-H

PostPostao/la Dean » 16 sij 2012, 00:27

Khadgar2007 je napisao/la:@44250
a velike slike kačim na photobucket i od tamo fino stavim link da ovdje prikaže sliku mjesto samo linka, i to je to. Kada tamo uploadaš sliku samo odabereš onaj "img code" i pastaš ga ovdje u post.

Jes ti to ljubomoran što ima večega (pojačalo) od tvojega ? :lol:
Dean
 
Postovi: 1774
Pridružen/a: 05 svi 2011, 17:13

Re: DOGC-H

PostPostao/la 44250 » 23 sij 2012, 21:23

biće malo kasnije i linkova sa Youtube-a u vezi sa NX16,a i slike APEX AX12 takođe sa linkovima Youtube-a...
Avatar
44250
 
Postovi: 181
Pridružen/a: 09 ruj 2011, 18:13
Lokacija: Ugrinovci-Zemun-Beograd

Re: DOGC-H

PostPostao/la 44250 » 11 vel 2012, 11:36

APEX AX12:zvučnici su loši i još se za bolje nisam snašao

prva proba:
http://www.youtube.com/watch?v=IWivDF-bQck
domaće:
http://www.youtube.com/watch?v=e0-X5zCdh-o
strano:
http://www.youtube.com/watch?v=4_ysfEhIWZs

zaštita je OMNI
Avatar
44250
 
Postovi: 181
Pridružen/a: 09 ruj 2011, 18:13
Lokacija: Ugrinovci-Zemun-Beograd

PrethodnaSljedeća

Natrag na Vaši radovi

Na mreži

Trenutno korisnika/ca: / i 7 gostiju.

cron