DAC+tube output

Ovdje možete objavljivati vaše radove

Re: DAC+tube output

PostPostao/la pamook » 24 sij 2013, 23:14

evo par brzopoteznih od veceras (koliko sam uspio poslusat, klinci imaju jedinstvenu sposobnost unisono se nadglasnjavat sa svim izvorima zvuka oko sebe, i to sa zavidnim uspjehom... ne moram ni spominjat da se nisu ukazali niti blizu iz svoje sobe dok nisam krenuo u slusanje :coffee: )....

Brum je gotovo skroz nestao :cheer: :cheer:

kazem gotovo skroz jer se malo cuje "zujanje" kad je pojacalo na gotovo max polozaju pota... a kako je uticnica u koju je bio ukljucen bez uzemljenja, sutra slijedi proba sa "normalnim" utikacem i uticnicom, propisno uzemljenom.

zvuci vrlo, vrlo obecavajuce :cheer: , sirina pozornice me iznenadila (do sada gotovo nisam ni imao "pozornicu" zbog smjestaja zvucnika)... izuzetno sam zadovoljan, a jedino sto mi trenutno predstavlja problem je vrlo niska razina signala - ako pojacalo odvrnem na "3 sata" a na "5 sati" mu je max, moze se reci da je dovoljno glasno za normalno slusanje (inace tuner i drugi DAC obicno budu vise nego dovoljno glasni za normalno slusanje kada je pot na 11-12h)... postoji li nacin da se razina signala nekako "podigne" ili mi ne gine preamp? (preamp mi ne gine i tako i onako jer me kopa radit opet nesto, ali nisam mislio da cu ga bas morat radit, i ne tako brzo)...

sutra malo vise detalja, i probat cu vidjet sto s to malo zujanja sto se cuje... nasao sam u Kauflandu prikladnu posudu za oklapanje trafoa (nemagneticni materijal :mrgreen: ), ali nisam htio uzimati prije nego se vise-manje srede veci problemi....

:thumbup: javim
....nemoj Sirogojno, ja ću....
Avatar
pamook
 
Postovi: 1007
Pridružen/a: 19 kol 2011, 20:39
Lokacija: Vinkovci, predgrađe periferije, Utopija

Re: DAC+tube output

PostPostao/la grunf » 25 sij 2013, 00:10

daj shemu izlaznog stupnja,od AKM-a pa dalje

AK4396 ne daje baš mali izlazni napon(pogledati datashet,str 36) tako da je problem lako riješiv,ako je gain izlaznoz stupnja samo 1 treba bi imati par volti na izlazu

Untitled.png
Untitled.png (141.09 KiB) Pogledano 8111 put/a.
"Bolje nešto od nečega nego ništa od ničega."
Avatar
grunf
 
Postovi: 844
Pridružen/a: 05 ruj 2011, 23:51
Lokacija: Šibenik

Re: DAC+tube output

PostPostao/la audio kutak » 25 sij 2013, 00:12

tko zna kaj je on spojio? van, unutra, van, unutra.... ne gine mu 3 izvedba na duploj iverici !! :lol:
Jedan trenutak sreće vrijedi tisuću godina slave
Avatar
audio kutak
 
Postovi: 1118
Pridružen/a: 21 tra 2012, 21:18
Lokacija: VG

Re: DAC+tube output

PostPostao/la pamook » 25 sij 2013, 20:32

ne radi photobucket, pa evo shema u prilogu.... slusao danas malo i sve vise sam odusevljen :D ...

sutra cu ako stignem probat spojit coax pa vidjeti kako se ponasa, iako bi (valjda?) DAC trebao na izlazu imati isti nivo signala, bez obzira na ulazni? Yebga, ne kuzim pa lupetam :?
Privitak/ci
schematic V6.0.zip
(70.9 KiB) Preuzeto 511 put/a.
....nemoj Sirogojno, ja ću....
Avatar
pamook
 
Postovi: 1007
Pridružen/a: 19 kol 2011, 20:39
Lokacija: Vinkovci, predgrađe periferije, Utopija

Re: DAC+tube output

PostPostao/la grunf » 25 sij 2013, 20:45

pamook je napisao/la:ne radi photobucket, pa evo shema u prilogu.... slusao danas malo i sve vise sam odusevljen :D ...

sutra cu ako stignem probat spojit coax pa vidjeti kako se ponasa, iako bi (valjda?) DAC trebao na izlazu imati isti nivo signala, bez obzira na ulazni? Yebga, ne kuzim pa lupetam :?


kaže da je neispravan ,da nemere da otvori :D

photobucket radi pa stavi ti to tamo :D
"Bolje nešto od nečega nego ništa od ničega."
Avatar
grunf
 
Postovi: 844
Pridružen/a: 05 ruj 2011, 23:51
Lokacija: Šibenik

Re: DAC+tube output

PostPostao/la pamook » 25 sij 2013, 21:50

ono gore je .sch u zipu, evo pokusaj broj dva za photobucket

----obrisano-----

ono dopisano na shemi su moji podsjetnici, ne autorovi :lol: ;)
Zadnja izmjena: pamook; 26 sij 2013, 17:29; ukupno mijenjano 1 put/a.
....nemoj Sirogojno, ja ću....
Avatar
pamook
 
Postovi: 1007
Pridružen/a: 19 kol 2011, 20:39
Lokacija: Vinkovci, predgrađe periferije, Utopija

Re: DAC+tube output

PostPostao/la grunf » 26 sij 2013, 14:20

pamook je napisao/la:ne radi photobucket, pa evo shema u prilogu.... slusao danas malo i sve vise sam odusevljen :D ...

sutra cu ako stignem probat spojit coax pa vidjeti kako se ponasa, iako bi (valjda?) DAC trebao na izlazu imati isti nivo signala, bez obzira na ulazni? Yebga, ne kuzim pa lupetam :?


DAC će imati onaj nivo signala kako je snimljeno na cd-u ili drugom mediju
"Bolje nešto od nečega nego ništa od ničega."
Avatar
grunf
 
Postovi: 844
Pridružen/a: 05 ruj 2011, 23:51
Lokacija: Šibenik

Re: DAC+tube output

PostPostao/la grunf » 26 sij 2013, 14:34

pamook je napisao/la:ono gore je .sch u zipu, evo pokusaj broj dva za photobucket

http://i480.photobucket.com/albums/rr16 ... /shema.jpg

ono dopisano na shemi su moji podsjetnici, ne autorovi :lol: ;)


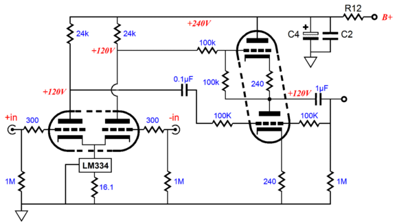
ovdje je pojačanje 1,šta znači da bi mora imati dovoljno napona na izlazu za goniti bilo koje pojačalo, e sad triba bi pustiti 1khz na ulaz DAC-a (s kompa,test cd-a ili sličnog) i usporediti izlazni napon odma na dacu i posli lampi,treba bi biti isti,a ako nije imamo problem u izlaznom stupnju

moja preporuka bi bila ova shema koja ima pojačanje ukoliko se ispostavi da dac ima mali napon na izlazu

Unbalancer Schematic.png
Unbalancer Schematic.png (51.84 KiB) Pogledano 8005 put/a.
"Bolje nešto od nečega nego ništa od ničega."
Avatar
grunf
 
Postovi: 844
Pridružen/a: 05 ruj 2011, 23:51
Lokacija: Šibenik

Re: DAC+tube output

PostPostao/la pamook » 26 sij 2013, 15:04

ahem :oops:

upravo se malo dopisujem sa Sonnyem, izgleda da su vrijednosti elemenata koje su meni dane na shemi i konacne vrijednosti elemenata u samom projektu "blago" razlicite :lol: :lol: ... za sada ide sve na cekanje i cekiranje, a izgleda da cu morat konacno i ja neku racunicu naucit oko ovoga (jest da mi se ne da i da bi radije napravio i gotovo ali... izgleda da nece bit bas tako :lol: )...

grunf - thx za info, trenutno kako rekoh - izgleda da su "neki" otpori ne bas u vrijednostima kako je konacno izvedeno, a ja sam isao drito po shemi kako sam dobio napisano...

uglavnom, izmjene u toku, BRB, intermezzo, moze i gustav u poluvremenu :D

ye@ga :?
....nemoj Sirogojno, ja ću....
Avatar
pamook
 
Postovi: 1007
Pridružen/a: 19 kol 2011, 20:39
Lokacija: Vinkovci, predgrađe periferije, Utopija

Re: DAC+tube output

PostPostao/la pamook » 26 sij 2013, 17:28

opozorilo - nazalost gornja shema je zakurac, ne upotrebljavati je niposto. Fali dosta toga, plus nisu tocne vrijednosti na dosta toga. pauza do hladjenja. brisem link za shemu iz navedenih razloga, dok ne bude ispravljeno, ili ne bude.

over and out, wandering about...

:horse:
....nemoj Sirogojno, ja ću....
Avatar
pamook
 
Postovi: 1007
Pridružen/a: 19 kol 2011, 20:39
Lokacija: Vinkovci, predgrađe periferije, Utopija

PrethodnaSljedeća

Natrag na Vaši radovi

Na mreži

Trenutno korisnika/ca: / i 1 gost.