sstrsat je napisao/la:Neka znacajna zvucna razlika ne bi tribala bit ali radi sticanja vlastitog iskustva nima zapreke da provas.
sstrsat je napisao/la:
Oce uskoro samaranje ruskinja?![]()
grunf je napisao/la:sstrsat je napisao/la:
Oce uskoro samaranje ruskinja?![]()
oće uskoro,griju se kod Kaligule![]()
sstrsat je napisao/la:grunf je napisao/la:sstrsat je napisao/la:
Oce uskoro samaranje ruskinja?![]()
oće uskoro,griju se kod Kaligule![]()
ma mislil san na one koje triba doslovno isamarat(oni test ca mene zanima) a ove koje su kaligule moraju najprije proc pocetno przenje


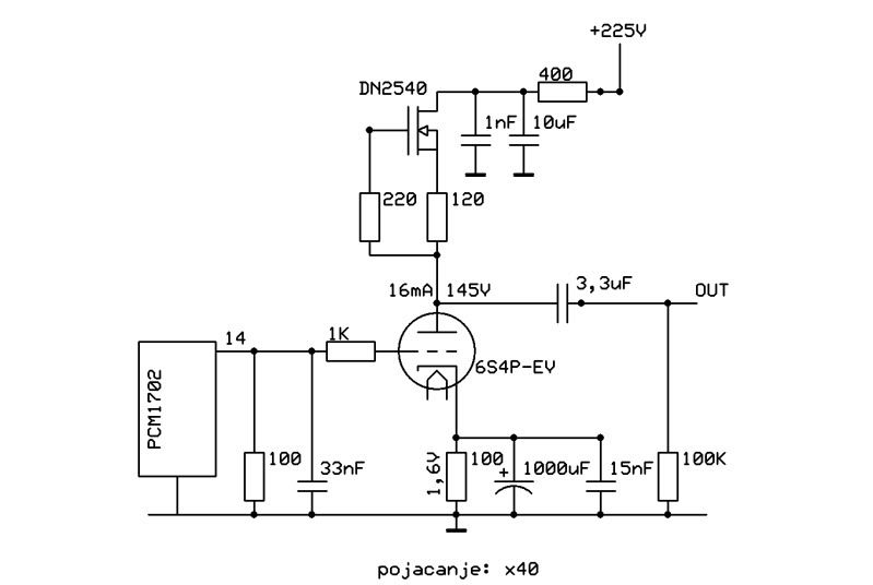
povećao sam izlazni blok na 3,3uF umjesto 1uF koji sam često prije koristio
grunf je napisao/la:muči me još kako doći do nekih podataka ako je umjesto anodnog otpornika CCS, a to su izlazna impendancija i pojačanje
pojačanje mogu izračunati iz ulaznog i izlaznog napona,ali kako dobiti izlaznu impendanciju pošto ne znam vrijednost anodnog otpornika ,umjesto njega je CCS
ja sam to probao ovako iskemijati,kako znam pojačanje (izmjereno) i znam unutrašnji otpor lampe i faktor pojačanja,da sad ne pišem formule kad sve to uvrstim ispada da je otpor CCS.a oko 13,2K i iz toga izvučem izlaznu impendanciju koja je onda oko 2,6K,što je veće nego s anodnim otpornikom za 1K
ima li ovo smisla
grunf je napisao/la:sstrsat, iden ti sad išamarati lampe
Trenutno korisnika/ca: / i 1 gost.