DOGC-H

Ovdje možete objavljivati vaše radove

Re: DOGC-H

PostPostao/la sonny » 21 ožu 2012, 18:03

Pa koliko tih pojačala na kraju imaš ? :)
Jel' to retrospektiva radova kroz godine, ili ih imaš sve u "pogonu" ?
A nekad je ovdje bilo dobro.......... Šteta.......
sonny
 
Postovi: 1203
Pridružen/a: 20 kol 2011, 18:36

Re: DOGC-H

PostPostao/la 44250 » 22 ožu 2012, 10:59

He he he,ovim se bavim kao hobijem-ja zapravo volim da ih sastavljam. Što bi rekao jedan moj drugar-to mi dođe kao kinder-jaje za odrasle,samo bez čokolade! :) Imam ih...sedam u pogonu;Borini DOGC-H, DOGC-mk3, Studio; Miletovi(APEX) NX16, AX12, G100; Michael Bittner SymAsym. Imam i Borino predpojačalo "clepsidra" a sve sam to pravio od početka prošle godine pa na ovamo. Prvo sam dugo prije toga sakupljao trafoe,kondenzatore,aluminijum za kutije...i onda polako krenuo. U neko dogledno vrijeme mislim da uradim još i Borin CroSer,Miletove STUDIO REFERENCE200 i HV35,i jedno pojačalo iz "Silicon Chips Everyday Practical Electronics, October 2008" ,20W po kanalu čisto da čujem zvuk A-klase. Onda ću stati sa pojačalima,uraditi par predpojačala,uzeti par dobrih zvučnika pa slušajući čitati Kordela i Daglasa. Malo naopak red,ali tako mi se sviđa... :) Naravno sve ovo neće biti tako skoro jer sam se poprilično istrošio sa materijalima,sad je vrijeme da se opet polako vrši popuna.

Imam još i dva pojačala iz mladih dana,sad mi je 33 a ta dva sam pravio sa 15 i 17 godina. Vrijeme i nemar su ih pogazili,i njih ću ove godine da vratim u život ne zbog nekog kvaliteta već zbog želje.
Avatar
44250
 
Postovi: 181
Pridružen/a: 09 ruj 2011, 18:13
Lokacija: Ugrinovci-Zemun-Beograd

Re: DOGC-H

PostPostao/la 44250 » 25 ožu 2012, 18:25

44250 je napisao/la:Michael Bittner,SymAsym:
(imao stare hladnjake...)

http://web.telecom.cz/macura/symasym.html


:drill:
Evo i link ka Michael Bittner-ovoj web-stranici: http://www.lf-pro.net/mbittner/Sym5_Web ... ym5_3.html

:contract:

Tu možete naći podatke,mjerenja i relevantne komentare daleko iskusnijih i mjerodavnijih od mene. Pratite linkove i doći ćete do bitnih činjenica naročito ako bi u izlazu koristili TOSHIBA 2SA1943/2SC5200 tranzistore. :waver:

(super smajlići! :) )
Avatar
44250
 
Postovi: 181
Pridružen/a: 09 ruj 2011, 18:13
Lokacija: Ugrinovci-Zemun-Beograd

Re: DOGC-H

PostPostao/la 44250 » 01 svi 2012, 14:37

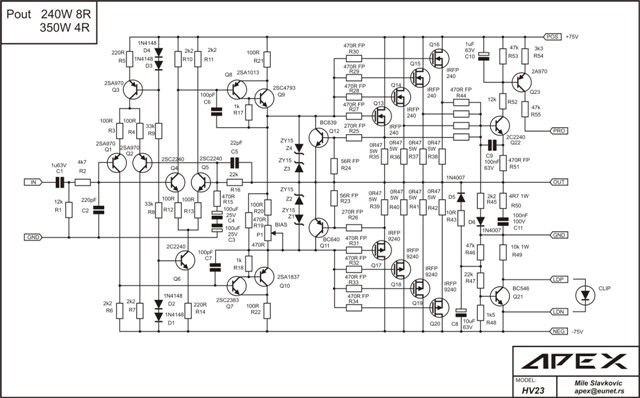
APEX HV23: 240W/8R 350W/4R
Privitak/ci
Slika287.jpg
Slika287.jpg (72.3 KiB) Pogledano 9031 put/a.
kupus,ali biće uredno kad legne PSU7.jpg
kupus,ali biće uredno kad legne PSU7.jpg
kupus,ali biće uredno kad legne PSU7.jpg (193.26 KiB) Pogledano 9031 put/a.
DSC01518.JPG
DSC01518.JPG (81.02 KiB) Pogledano 9031 put/a.
DSC01508.JPG
DSC01508.JPG (70.23 KiB) Pogledano 9031 put/a.
dc offset sa dobro uparenim ulazima.jpg
dc offset sa dobro uparenim ulazima.jpg
dc offset sa dobro uparenim ulazima.jpg (161.36 KiB) Pogledano 9031 put/a.
APEX MOSFET MON 2sa.jpg
APEX MOSFET MON 2sa.jpg
APEX MOSFET MON 2sa.jpg (89.54 KiB) Pogledano 9031 put/a.
APEX MOSFET 2SA-2SC.jpg
APEX MOSFET 2SA-2SC.jpg
APEX MOSFET 2SA-2SC.jpg (64.67 KiB) Pogledano 9031 put/a.
APEX HV350 PSU.jpg
APEX HV350 PSU.jpg
APEX HV350 PSU.jpg (56.21 KiB) Pogledano 9031 put/a.
Avatar
44250
 
Postovi: 181
Pridružen/a: 09 ruj 2011, 18:13
Lokacija: Ugrinovci-Zemun-Beograd

Re: DOGC-H

PostPostao/la 44250 » 01 svi 2012, 14:39

-> nastavak:

Još nije gotovo,treba da se dovrši PSU7+ a tad će pasti i ponovno špricanje kutije u crnu mat spolja a iznutra normalnije ožičenje. Ipak,i ovako siromašnog kapaciteta (2 x 6800uF 100V) dobro bije,a kako će biti sa 2 x 30000uF to ćemo vidjeti kad budem dotle došao. Pojačalo može dati 350W na 4R samo to kod mene neće ići iz razloga što mi je trafo od samo 770VA za oba kanala što je sasvim dovoljno za 2 x 240W - a ni dotle neće ići dok ne nabavim zvučnike koji će to moći izdržavati.

Privitak/ci
Slika307.jpg
Slika307.jpg (186.33 KiB) Pogledano 9030 put/a.
Slika296.jpg
Slika296.jpg (66.2 KiB) Pogledano 9030 put/a.
Slika291.jpg
Slika291.jpg (92.55 KiB) Pogledano 9030 put/a.
Slika288.jpg
Slika288.jpg (73.58 KiB) Pogledano 9030 put/a.
Avatar
44250
 
Postovi: 181
Pridružen/a: 09 ruj 2011, 18:13
Lokacija: Ugrinovci-Zemun-Beograd

Re: DOGC-H

PostPostao/la 44250 » 01 svi 2012, 15:02

APEX G100 sa prethodne stranice:

Avatar
44250
 
Postovi: 181
Pridružen/a: 09 ruj 2011, 18:13
Lokacija: Ugrinovci-Zemun-Beograd

Re: DOGC-H

PostPostao/la 44250 » 18 svi 2012, 18:41

Ovih dana cu postaviti slike Borinog Standard-predpojacala i Stacato pojacala za slusalice,kao i Miletovog APEX HPA2 pojacala za slusalice. Miletovo je pred kraj a za Borino evo nabavih dijelove. Pozdrav!
Avatar
44250
 
Postovi: 181
Pridružen/a: 09 ruj 2011, 18:13
Lokacija: Ugrinovci-Zemun-Beograd

Re: DOGC-H

PostPostao/la 44250 » 30 svi 2012, 19:19

Pločica koju sam crtao za APEX HeadPhoneAmplifier II:

http://217.26.67.168/uploads/3/1/311581 ... 4x37mm.pdf
http://217.26.67.168/ficons/ext_pdf.gif

Sigurno može bolje ali radi i ovako,jedino što sam ja morao da uradim je to da sam promijenio vrijednost 1k2 na 820R da bi smanjio mirnu struju sa 60mA na oko 5mA po kanalu. Promjenu sam radio oslanjajući se na mjerenje mirne struje i na sluh,ovo je vrijednost pri kojoj mi to ima onako baš dobar zvuk a da se izlazni fet-ovi ne pregrijavaju. I pri najjačem "gasu" oni sad budu mlaki ili u najgorem slučaju blago topli. Nemojte mi se mnogo smijati lošem engleskom,tako sam pričao radi onih sa diyaudio.com ,sumnjali su da ovo uopšte radi a nisam znao drugog načina kako da i ostali čuju kako ovo zapravo zvuči,pa je verzija preko pojačala i zvučnika bila jedina opcija koja mi je pala na pamet.

http://www.youtube.com/watch?v=yzjwH6dB ... e=youtu.be
http://217.26.67.168/uploads/3/1/3115814/Slika368.jpg
http://217.26.67.168/uploads/3/1/3115814/Slika370.jpg

Stacato:

Stacato pojačalo za slušalice izgleda ovako dok ne dođe 30VA torus 2x18Vac,i to će mu biti jedina izmjena. Paralelno vezani ulazi ovog i drugih pojačala (barem sa APEX HV23 i APEX NX16 - na njima do sad probao) ne utiču na brujanje zujanje i ostale nepoželjne pojave.

Slavkoviću , Jagodiću - HVALA VAM!

http://217.26.67.168/uploads/3/1/3115814/Slika371.jpg
http://217.26.67.168/uploads/3/1/3115814/Slika372.jpg
http://217.26.67.168/uploads/3/1/3116129/Slika375.jpg
http://217.26.67.168/uploads/3/1/3116129/Slika376.jpg
http://217.26.67.168/uploads/3/1/3116129/Slika379.jpg
Privitak/ci
APEX HeadPhoneAmlifier II (1).jpg
APEX HeadPhoneAmlifier II
APEX HeadPhoneAmlifier II (1).jpg (117.96 KiB) Pogledano 8885 put/a.
APEX HeadPhoneAmlifier II (2).jpg
APEX HeadPhoneAmlifier II
APEX HeadPhoneAmlifier II (2).jpg (138.24 KiB) Pogledano 8885 put/a.
Stacato.jpg
Stacato
Stacato.jpg (106.77 KiB) Pogledano 8885 put/a.
Stacato (1).jpg
Stacato
Stacato (1).jpg (149.21 KiB) Pogledano 8885 put/a.
Stacato (2).jpg
Stacato
Stacato (2).jpg (134.78 KiB) Pogledano 8885 put/a.
Stacato (3).jpg
Stacato
Stacato (3).jpg (153.01 KiB) Pogledano 8885 put/a.
Stacato (4).jpg
Stacato
Stacato (4).jpg (121.59 KiB) Pogledano 8885 put/a.
Stacato (5).jpg
Stacato
Stacato (5).jpg (120.37 KiB) Pogledano 8885 put/a.
Zadnja izmjena: 44250; 30 svi 2012, 19:22; ukupno mijenjano 1 put/a.
Avatar
44250
 
Postovi: 181
Pridružen/a: 09 ruj 2011, 18:13
Lokacija: Ugrinovci-Zemun-Beograd

Re: DOGC-H

PostPostao/la 44250 » 30 svi 2012, 19:21

Ovo je trebala biti prva slika ali limit me zeznuo...

APEX HeadPhoneAmlifier II
Privitak/ci
APEX HeadPhoneAmlifier II.jpg
APEX HeadPhoneAmlifier II
APEX HeadPhoneAmlifier II.jpg (139.41 KiB) Pogledano 8885 put/a.
Avatar
44250
 
Postovi: 181
Pridružen/a: 09 ruj 2011, 18:13
Lokacija: Ugrinovci-Zemun-Beograd

Re: DOGC-H

PostPostao/la Khadgar2007 » 30 svi 2012, 20:13

Dobro si adaptirao kutije,dobro izgleda. :) Drago mi je i da se dešava nešto i na poluvodičkoj strani DIYa.
"Nakon prve čaše vidite stvari onakvim, kakve bi vi htjeli da budu. Nakon druge vidite ih onakvim, kakve nisu. Na kraju ih vidite onakvim, kakve zaista jesu, što je najgora stvar na svijetu."
Avatar
Khadgar2007
 
Postovi: 2488
Pridružen/a: 05 svi 2011, 16:44
Lokacija: Sisak

PrethodnaSljedeća

Natrag na Vaši radovi

Na mreži

Trenutno korisnika/ca: / i 7 gostiju.

cron