E88CC/6Н23П buffer + TDA1543

Ovdje možete objavljivati vaše radove

Re: E88CC/6Н23П buffer

PostPostao/la Roko » 16 pro 2011, 12:06

:clap:

Jako lijepo fixxxer :thumbup:
neciviliziran, nekvalitetan i ne vidim dalje od nosa
Avatar
Roko
 
Postovi: 2092
Pridružen/a: 03 svi 2011, 23:10
Lokacija: Zadar

Re: E88CC/6Н23П buffer

PostPostao/la sonny » 16 pro 2011, 17:51

Šta reći...
Vrhunski :clap: :clap:
A nekad je ovdje bilo dobro.......... Šteta.......
sonny
 
Postovi: 1203
Pridružen/a: 20 kol 2011, 18:36

Re: E88CC/6Н23П buffer

PostPostao/la grunf » 16 pro 2011, 20:36

lipo :thumbup:
"Bolje nešto od nečega nego ništa od ničega."
Avatar
grunf
 
Postovi: 844
Pridružen/a: 05 ruj 2011, 23:51
Lokacija: Šibenik

Re: E88CC/6Н23П buffer

PostPostao/la Dean » 17 pro 2011, 09:38

Onaj plavi termo bužir ti je malo "ružnjikav" ! :lol:

(Šala), Odlično izgleda !! :thumbup:
Dean
 
Postovi: 1774
Pridružen/a: 05 svi 2011, 17:13

Re: E88CC/6Н23П buffer

PostPostao/la fixxxer » 18 pro 2011, 12:20

Hvala!

Kad se ugrabi malo vremena uletece i motorizovani alps :mrgreen:
Avatar
fixxxer
 
Postovi: 254
Pridružen/a: 07 svi 2011, 17:30
Lokacija: Beograd

Re: E88CC/6Н23П buffer

PostPostao/la ziki » 19 pro 2011, 17:51

Nice. Kutija od Clepsidre? Šta bi s njom? Oteli te ovi cjevai skroz :).
Avatar
ziki
 
Postovi: 340
Pridružen/a: 05 svi 2011, 13:14

Re: E88CC/6Н23П buffer

PostPostao/la Khadgar2007 » 19 pro 2011, 18:34

Dobro to izgleda Fixxer, kutija je izvrsna, a ima i mjesta za dodati nešto ako treba. A vidim da Ziki spominje da je Clepsidra bila unutra, znači nisam jedini koji ju je radio. hehe
"Nakon prve čaše vidite stvari onakvim, kakve bi vi htjeli da budu. Nakon druge vidite ih onakvim, kakve nisu. Na kraju ih vidite onakvim, kakve zaista jesu, što je najgora stvar na svijetu."
Avatar
Khadgar2007
 
Postovi: 2488
Pridružen/a: 05 svi 2011, 16:44
Lokacija: Sisak

Re: E88CC/6Н23П buffer

PostPostao/la fixxxer » 19 pro 2011, 20:23

Da, bese Clepsidra unutra, dobar je to preamp (mozes i gain da namestas :mrgreen: )...
Sklonjena je sa strane, ako nekad zatreba. Trenutno je akcenat na cevima 8-)
Avatar
fixxxer
 
Postovi: 254
Pridružen/a: 07 svi 2011, 17:30
Lokacija: Beograd

Re: E88CC/6Н23П buffer

PostPostao/la fixxxer » 04 vel 2012, 15:28

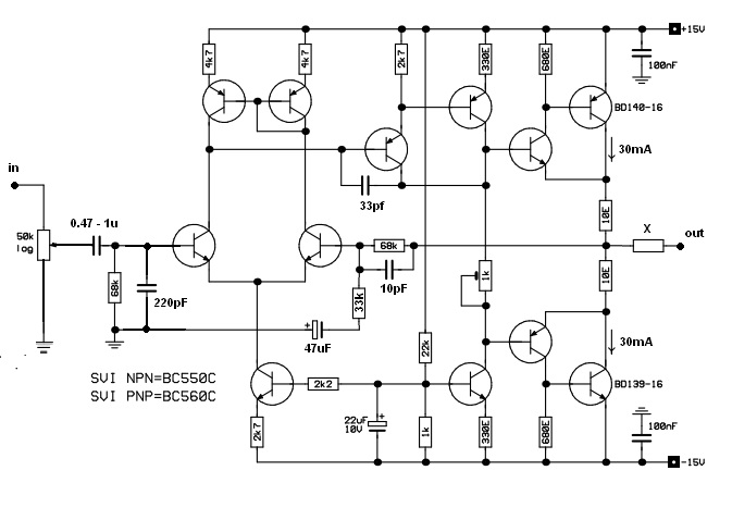
Evo, kako je Khadgar spomenuo Clepsidru koja je svoje mesto nasla u fijoci van kutije, palo mi je na pamet da se mozda iskoristi kao headamp i da ne kupi prasinu... Evo sheme sa vrednostima elemenata dok je radila kao preamp.

Trebalo bi par stvari prepraviti za novu primenu i ono sto sam na brzinu stigao da vidim u simulatoru je struja kroz ulazni diff par od samo 250uA...
To se malo sredi povecanjem otpora od 1k u bazi VAS tranzistora (po simulatoru do 5k6 max). Takodje, mozda smanjiti i ove otpornike od 680R (na 200R po simulaciji a postujuci i max disipaciju na drajverima) u bazama izlaznih kako bi se drajveri gurnuli malo dublje u A klasu... Da li neko od znalaca ima nekakvu ideju ili savet?
Privitak/ci
clepz headamp.jpg
clepz headamp.jpg (55.88 KiB) Pogledano 5957 put/a.
Avatar
fixxxer
 
Postovi: 254
Pridružen/a: 07 svi 2011, 17:30
Lokacija: Beograd

Re: E88CC/6Н23П buffer

PostPostao/la Khadgar2007 » 04 vel 2012, 15:50

Možda bi bilo zgodno to premjestiti u novu temu pod SS forum. :)
"Nakon prve čaše vidite stvari onakvim, kakve bi vi htjeli da budu. Nakon druge vidite ih onakvim, kakve nisu. Na kraju ih vidite onakvim, kakve zaista jesu, što je najgora stvar na svijetu."
Avatar
Khadgar2007
 
Postovi: 2488
Pridružen/a: 05 svi 2011, 16:44
Lokacija: Sisak

PrethodnaSljedeća

Natrag na Vaši radovi

Na mreži

Trenutno korisnika/ca: / i 1 gost.

cron