Vfet hibrid - najava

Ovdje možete objavljivati vaše radove

Vfet hibrid - najava

PostPostao/la sstrsat » 02 ruj 2011, 11:23

Kako san u temi o otvatranju Triode Festivala 2012 navel nec od novosti koje cu tamo prikazat, da kazen malo detaljnije o cemu se tu radi. Ova tema je zasad najavna i put do realizacije tog projekta ce bit posut mnogim zamkama ali kako tu nista ne prkosi fiziki onda je....... ostvarivo. Ukratko receno, radi se o izlaznom Vfet stupnju koji ce sadrzavat linearizaiju parazitnih kapaciteta i njihovu neutralizaciju a to bi u krajnjem rezultatu tribalo omogucit da se za driverski stupanj koristi neka od relativno slabijih (po disipaciji, ne po linearnosti) cijevi a da amp ipak zadje u MHz podrucje.
Kako se tu radi o necemu ca jos nije koristeno u audio pojacalima to ne ocekujem da ce bit neki veliki odziv na temu ali bi mi bilo drago da se diskusija razvije. Tim prije ca uspjeh ovog projekta otvara vrata primjeni neceg slicnog i u izlaznim SE stupnjevima sa pover mosfetima (popularno zvan power follower).
Za ovo prikazano ovdi nisam nasal nikakvu reference na netu ali ako netko zna za koju neka postavi link

Pa ajmo po redu. Prvo zasto Vfet (SIT)? Odgovor je valjda prilicno jasan, vec letimicni pogled na njegov Ud - Id graf pokazuje izuzetnu slicnost sa vrlo linearnom triodom. OK, kapaciteti te "triode" nisu uopce mali ali tu bi prica mogla stat i uz uvjet jakog drivera bi se ionako izaslo u MHz podrucje. To znaci da odma moram odgovorit na iduce logicno pitanje zac ne stavit npr jednu 6C33 za driver i risit se brige.
Odgovor je u tome ca Vfet ipak nije trioda. Iako njegovi Ud - Id grafovi govore da je on njezin brat blizanac, stvarnost je ipak poprilicno drukcija. Njegov parazitni kapaciteti su prvo vrlo veliki (to ni tolika tragedija kad se koristi vrlo jaki driver) i ca je puno gore, oni su nelinearni. Tu po meni i lezi veliki dio odgovora na onu situaciju koju mnogi smatraju za neobjasnjivu, kako to da u jako puno slucajeva cijevna pojacala sa itekako skromnim mjerenim parametrima zvucno nadmasuju poluvodicka koja na mjerenju (standardnih) parametara pokazuju blistave rezultate. Parazitni kapaciteti kod cijevi su prvo puno manji nego kod poluvodica a ka drugo oni su gotovo potpuno linearni
Analiza dinamickih uticaja nelinearnih kapaciteta na sistem koji je pobudjen random signalom sastavljenim od ki zna koliko frekvencija (glazbeni signal) i vrlo razlicitih amplituda je izuzetno kompleksna a ni njihovo mjerenje (bas zato ca su signali random) nije nimalo jednostavnije.

Koji bi bili putevi da se Vfet priblizi cim vise triodi i da joj bude cim vise brat blizanac, ne samo u statickom nego i u dinamickom smislu? Sama logika govori da ako bi se uspilo linearizirat njegove parazitne kapacitete (ne naravno memoguca misija unutar njega samoga nego u sklopu) i odredjenim mjerama (neutralizacijom) ih ponistit, dobil bi se element koji bi i u dinamickom smislu bil puno blizi triodi.

Ovo o kljucnom uticaju nelinearnih kapaciteta na zvucne razlike cijevi - poluvodici je zasad moje osobno misljenje ali sve godine iskustva me navode na to da sam na ispravnom putu. I moren rec da ovi projekt najvecim dilom vuce genezu iz toga ca se otvorila mogucnost nabave Vfetova pa ce se ta razmisljanja moc i provjerit direktnim mjerenjima. Npr ovako, ampu ce se privest smjesa od nekoliko signala razlicitih amplituda i frekvencija i to preko vrlo jakog drivera koji ce zac debelo u MHz podrucje pa time eliminirat uticaj samog propusnog opsega na rezultate a na analizatoru spektra ce se promatrat razlike sa ukljucenom i iskljucenom linearizacijom / neutralizacijom. A provodit ce se naravno I slusni testovi sa i bez tog dodatka

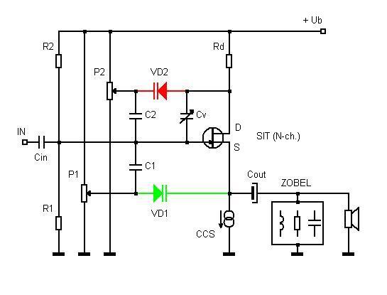
Pa ajmo vidit kako bi to moglo izgledat. Na shemi je prikazano izlazno Vfet sljedilo sa onim ca bi mu to tribalo omogucit. Shema je naravno skroz principijelna i mnoge detalje ce tribat eksperimentalno risit ali opcenita objasnjenja kako to dela se vec i iz nje mogu dat.

Shema
Vfet neutralizirani 2.JPG



Odma da recem da ce se neutralizacija / linearizacija odnosit samo na ulazni i povratni kapacitet. Izlazni kapacitet ima tu vrlo malog uticaja jer je na izlazu dominantno skroz niskoomsko opterecenje (zvucnik). Onaj ki oce stec neku predodzbu o ovoj shemi bi ju tribal gledat parcijalno jer iako ima vrlo malo komponenti, zamki ne fali. Tako da ajmo prvo maknut sa nje ono ca je nebitno za razmatranja. A to su kondenzatori Cin, Cout, C1 i C2 (kapacitet im je veliki pa za signal predstavljaju prakticno kratki spoj); otpornici R1 i R2 i CCS koji sluze za odrzavanje staticke radne tocke Vfeta; potenciometri P1 i P2 koji sluze za podesavanje radne toche varicap dioda (njih gledajmo ka izrazito visokoomske i da ka takvi nimaju nikakvog uticaja na rad sklopa).

A za prvi korak (dok ne dojdemo do neutralizacije zanemarimo i otpornik Rd a isto tako i izlaznu Zobel mrezu (ovdi samo principjelno prikazanu). Ono ca ostaje (sam Vfet i varicap diode VD1 i VD2 nam pokazuje principjelno kako linearizirat kapacitete Vfeta. Njegovi kapaciteti su jako ovisni o potencijalu elektroda i opcenito padaju sa povecanjem potencijalne razlike na elektrodama. Ima i struja koja tece kroz njega odredjeni (mada puno manji) uticaj na njih tako da se ovdi necu uopce oslanjat na objavljene grafove promjene kapaciteta nego cu simulacijom trenutne vridnosti signala (DC prominama radne tocke) izvest snimanje grafa promine medjuelektrodnih kapaciteta u zavisnosti od trenutnih vridnosti signala. Dobit ce se neka krivulja koja ce sa povecanjem signala u jednu ili drugu stranu od staticke radne tocke pokazivat rast i pad. A ca je potribno da se od takve krivulje dobije ravna linija? Pa u osnovi neki element koji ce imat komplementarnu karakteristiku kapaciteta u kojoj ce zbroj ta dva kapaciteta uvik bit konstantan. A taj element je u principu varicap dioda koja je upravo i kreirana za to da se njezin kapacitet minja u sirokim granicama sa prominom napona na njoj.
Ovdi naravno nece moc ic samo jednostavna varicap dioda jer nima niti teoretske sanse da postoji neka koja ce imat bas idealno zrcalnu karakteristiku kapaciteta u odnosu na Vfet. Bas zato su na shemi varicap diode prikazane u drugim bojama, da se naglasi da to nece bit samo po jedna varikapica. Ne, tribat ce tu i mozda (vrlo virovatno) kompleksna kombinacija od vise varicap dioda i serijski i paralelno vezanih kondenzatora da se dobije inverzna slika kapaciteta Vfeta. I to dvi takve kombinacije, jedna za ulazni a jedna za povratni kapacitet Vfeta. kakve ce te kombinacije bit, to naravno za sad ne moren rec. Znat cu nakon ca snimim grafove kapaciteta Vfeta.

Isto tako, na ovoj tocki bi se komotno moglo stat. Tu ce se vec dobit linearni kapaciteti pa bi vrlo jaki driver (recimo 6C33) omogucil da se ionako zajde u MHz podrucje bez obzira ca ce ovako linearizirani kapaciteti bit veci od najvecih parazitnih kapaciteta samog Vfeta. A prakticno se ne bi ni moralo razmisljat o Zobel mrezi ni o tome koji je zvucnik prikljucen.

Iduci korak (neutralizacija) je u neku ruku tiranje inata :lol: i zelja da vidin sa koliko disipacijski slabom cijevi cu uspjet ovo ugurat u MHz podrucje. Ca je uopce neutralizacija? Pa, najopcenitije receno to je postupak da se nezeljeno djelovanje preko inherentnog reaktivnog parazita ponisti tako da se privodi signal suprotne faze preko drugog reaktivnog elementa iste vrste. Uz uvjet da se u ulaznom cvoristu postigne da su ti signali iste amplitude (a po fazi su suprotni) dolazi do njihovog kanceliranja. Ili drugin ricima, nezeljena povratna veza preko parazitnih elemenata se eliminira.

OK, sad se malo vratimo na one elemente koje smo u prvom koraku, linearizaciji, zanemarili (Rd i Zobel). Da bi se ovdi dobila dva protufazna napona, triba u drain Vfeta stavit otpornik Rd. Taj otpornik ne smi bit preveliki iz vise razloga pa to znaci da ce ukupni kapacitet izmedju draina i gatea morat bit puno veci nego izmedju sourcea i gatea. Logicno, pojacanje na strani draina ce sa malim radnim otpornikom bit vrlo malo . Tako da ce u paralelu sa varikapicom VD2 morat doc i jedan promjenljivi kondenzator (ustvari paralelna veza veceg fiksnog kondenzatora i manjeg promjenljivog kondenzatora za fino podesavanje neutralizacije).
Kad bi zvucnik bil otpornik onda Zobel ne bi ni tribal ali kako je zvucnik vrlo reaktivan teret onda ce tu tribat doc pogodni Zobel (mozda i prilicno kompleksan) koji ce impendanciju koju vidi source Vfeta drzat cisto omskom (bez reaktivnih komponenti) i tako osigurat da pojacanja i na strani sourcea i na strani draina budu konstantna i frekventno neovisna, pa recimo vec od ispod 20kHz pa navise. Ovdi kazem Zobel mada to siguro nece bit samo jednostavna RC ili RL mreza nego nec puno kompleksnije. Da li ce se moc postic optimizacija za bas sve zvucnike, zasad je tesko rec ali pretpostavljam da za npr single driver full rangere ne bi tribalo bit nekog veceg problema.

Na shemi je prikazan N-kanalni Vfet ali kako je onaj koji moze u ovakvom SE stupnju dogurat do nekih 25W (Yamahin 2SK77 - jedan sam) jos uvik nedostupan onda ce u stvarnost ic njegov nabavljeni P-kanalni komplement 2SJ27. Na shemi se naravno minjaju polariteti ali sve principjelno ostaje isto.
Driverski dio nije zasad prikazan ali tu ce ic malo vakuma. Koje tocno cijevi, to ce ovisit od uspjeha linearizacije / neutralizacije tako da je to pitanje za sada otvoreno. Kako san rekal, cilj je izac sa disipacijski slabijim cijevima ali o tom potom. Nije potpuno izvan razmatranja ni skroz poluvodicka verzija sa mozda disipacijski slabijim Vfetovima u driveru ili sa fantasticno linearnim starim Siliconixovim Vmosfetima tipa 2N6658 ili VMP4.

Dosta vise pisanja za prvi post :lol: :lol:
Zadnja izmjena: sstrsat; 02 ruj 2011, 11:49; ukupno mijenjano 1 put/a.
Krepat ma ne molat
Avatar
sstrsat
 
Postovi: 1745
Pridružen/a: 04 svi 2011, 18:21
Lokacija: Rijeka

Re: Vfet hibrid - najava

PostPostao/la Eko Eko » 02 ruj 2011, 11:37

Ovo je stvarno svjetska ekskluziva, bravo majstore !
Pitanjce: ne bi li trebalo okrenuti polaritet izlaznog elka ?
Eko Eko
 
Postovi: 85
Pridružen/a: 07 svi 2011, 13:04

Re: Vfet hibrid - najava

PostPostao/la harkonen » 02 ruj 2011, 11:42

A ima li ki graf ki bi pokazal vizualno koliko je to nelinearno i prema frekvenciji i prema amplitudi , odnosno da li se tu
radi o min-max točkama od nekih par posto ili je to ozbiljna nelinearnost koja, brat bratu, traži i opako peglanje svim sredstvima,
dozvoljenim i nedozvoljenim . Da vidimo naličje tog neprijatelja.
Neke stvari sam radio sa power followerom (a i budem ubuduće) pa je tema više nego intrigantna. A velikim se dijelom odnosi i na
sveprisutne Nelsonove dizajne i mnoge samograditelje istih. No oni nemaju problema sa megahercima kao neko ovdje.... :-)
I'm too old for this s...
Avatar
harkonen
 
Postovi: 2195
Pridružen/a: 04 svi 2011, 14:27
Lokacija: Bjelovar

Re: Vfet hibrid - najava

PostPostao/la sstrsat » 02 ruj 2011, 11:47

Eko Eko je napisao/la:Pitanjce: ne bi li trebalo okrenuti polaritet izlaznog elka ?


Ma ne, izlazni elko je dobro nacrtan za ovu shemu koja prikazuje N-kanalni Vfet. Ali sad vidin da sam pogresno oznacil polaritet napajanja, ovdi ne gre minus nego plus napajanja). A naravno da ce u realizaciji sa P-kanalnim Vfetom to bit okrenuto.

Gren editirat shemu :lol:
Krepat ma ne molat
Avatar
sstrsat
 
Postovi: 1745
Pridružen/a: 04 svi 2011, 18:21
Lokacija: Rijeka

Re: Vfet hibrid - najava

PostPostao/la sstrsat » 02 ruj 2011, 11:58

harkonen je napisao/la:A ima li ki graf ki bi pokazal vizualno koliko je to nelinearno i prema frekvenciji i prema amplitudi , odnosno da li se tu
radi o min-max točkama od nekih par posto ili je to ozbiljna nelinearnost koja, brat bratu, traži i opako peglanje svim sredstvima,
dozvoljenim i nedozvoljenim . Da vidimo naličje tog neprijatelja.
Neke stvari sam radio sa power followerom (a i budem ubuduće) pa je tema više nego intrigantna. A velikim se dijelom odnosi i na
sveprisutne Nelsonove dizajne i mnoge samograditelje istih. No oni nemaju problema sa megahercima kao neko ovdje.... :-)



Ima puno njih itekakvih problema sa MHZ-ima mada to ni ne znaju, stalnih ili sporadicnih ( mozda im usi znaju :lol: ). A ja na te MHz opsege i gren da izbignem probleme koje puno njih ima sa MHz-ima

A taj mrski neprijatelj (nelinearni kapacitet) je prikazan u jako puno datasheetova za poluvodicke elemente (krivulja ovisnosti kapaciteta od napona, manje vise je ima u svakom datashhetu od power mosfeta) i iz tih krivulja se lipo vidi tok promjene kapaciteta. Ima ga inaravno i u onim uzasno lose skaniranim kopijana grafova za Vfetove. A tu se ne radi o par % nego vrlo cesto o odnosima 1 naprama nekoliko :lol:

Kako san vec rekal, uspjeh ovog projekta otvara jednu sasvim novu dimenziju i za power mosfete (uz dosta rada, naravno :lol: )
Krepat ma ne molat
Avatar
sstrsat
 
Postovi: 1745
Pridružen/a: 04 svi 2011, 18:21
Lokacija: Rijeka

Re: Vfet hibrid - najava

PostPostao/la harkonen » 02 ruj 2011, 12:22

Ajd, ako ti nije teško komentirat', a objasnit' će mnoge nedoumice,
na primjeru jednog povoljnog i često korištenog u folowerima - IRFP150:

irfp150Cap.JPG
irfp150Cap.JPG (35.65 KiB) Pogledano 7479 put/a.
I'm too old for this s...
Avatar
harkonen
 
Postovi: 2195
Pridružen/a: 04 svi 2011, 14:27
Lokacija: Bjelovar

Re: Vfet hibrid - najava

PostPostao/la sstrsat » 02 ruj 2011, 13:00

harkonen je napisao/la:Ajd, ako ti nije teško komentirat', a objasnit' će mnoge nedoumice,
na primjeru jednog povoljnog i često korištenog u folowerima - IRFP150:


Da ne pisen previse (a o tome se moze napisat manja knjiga) onda cu te umisto opsirnijeg komenta navest da sam logicki zakljucis neke stvari. Vidis i sam iz grafa u kojem omjeru se kapaciteti mijenjaju a najvecu relativnu promjenu (Cmax / Cmin) ti ima Crss. A sad se prisiti malo strukture ulaznog kapaciteta tipicnog power followera.......

I napisi one osnovne izraze za frekventnu karakteristiku stupnja koji to pogoni (recimo najobicnije ZK triode)

Dalje se prisiti intermodulacije i njezinih produkata viseg reda. Ima li to neke veze sa frekventnom karakteristikom?

Stalno imaj na umu da ovdi govorimo o potpuno random signalima (glazba) tako da tu ima puno vise zamki nego ca kaze onaj tipicni intermodulacioni test sa dvi frekvencije.

U okviru jednog posta je tesko i gotovo nemoguce sve to detaljno obrazlozit jer tu nima recimo toga da ce se na nesto bacit teziste a nesto drugo zanemarit. Detaljan opis bi zahtival puno i previse stranica ali mislin da ce ti bit daleko veca korist ako i sam pocnes razmisljat o efektima nelinearnih kapaciteta na osnovi ovih natuknica. A i one su naravno pojednostavljene jer tu imamo posla sa ustvari enormno kompliciranom interakcijom svih relevantnih parametara, ne samo mosfeta nego i ostalih komponenti.

Mozda (ustvari sam prilicno siguran) je ta kompleksnost problematike i vrlo otezano potvrdjivanje mjerenjem nekih postavki i glavni razlog zac se o ovome uglavnom muci i izbigavaju diskusije.

I pazi, zasad svjesno ispustam iz ove diskusije moguce efekte iz principa parametrickog pojacala / miksera - frekventnog konvertera ciji se rad upravo bazira na pobudjivanju nelinearne reaktancije. Ali bolje je da sa parametrickim pojacalima odma ovdi stanem jer bi to tek zakompliciralo diskusiju. Koga zanima ca je to ustvari, u podosta literature koja se bavi mikrovalnom elektronikom ima o njima. A fizika je fizika i osnovni principi su isti bez obzira da li govorimo o hercima ili gigahercima.

Tako da je ustvari za ovu diskusiju sasvim dovoljno usvojit slijedece stvari.
- Nelinearni kapaciteti su cinjenica
- Njihov uticaj na finalni signal itekako postoji
- Da li se moze ta nelinearnost eliminirat ili barem znatno umanjit i hoce li praksa (slusni test, ne samo mjerenje) finalno potvrdit dobitke
Krepat ma ne molat
Avatar
sstrsat
 
Postovi: 1745
Pridružen/a: 04 svi 2011, 18:21
Lokacija: Rijeka

Re: Vfet hibrid - najava

PostPostao/la LesFaul » 02 ruj 2011, 13:08

sstrsat je napisao/la:....
- Da li se moze ta nelinearnost eliminirat ili barem znatno umanjit i hoce li praksa (slusni test, ne samo mjerenje) finalno potvrdit dobitke


Zar i ti sine Brute!???? :o Ode i ti na tamnu stranu.... :cry:
Hebeš ampa ak' je bez lampa!
Avatar
LesFaul
 
Postovi: 567
Pridružen/a: 06 svi 2011, 09:41
Lokacija: Sydväst

Re: Vfet hibrid - najava

PostPostao/la sstrsat » 02 ruj 2011, 13:17

LesFaul je napisao/la:Zar i ti sine Brute!???? :o Ode i ti na tamnu stranu.... :cry:



Ma ne mogu ja bit na tamnoj strani (osim kad se desi black out na platformi :lol: )

A i nima sanse da odem tamo jer ovi koncept nikad nece bit hajend: nece imat 2 cm aluminija na prednjoj ploci, nece imat ozicenje od 800 eura po metru, nece imat konektore od 500 eura svaki, nece koristit anakonda kabele od 5000 eura, nece... ma jos puno toga.

Pa kako da to onda buce hajend? :lol: Izostrene usi domacih hajendista bi odma primitile da to nikako ne moze svirat dobro bez tih neophodnih "audiofilskih" komponenti. :lol: :lol:
Krepat ma ne molat
Avatar
sstrsat
 
Postovi: 1745
Pridružen/a: 04 svi 2011, 18:21
Lokacija: Rijeka

Re: Vfet hibrid - najava

PostPostao/la ilimzn » 02 ruj 2011, 17:33

harkonen je napisao/la:Ajd, ako ti nije teško komentirat', a objasnit' će mnoge nedoumice,
na primjeru jednog povoljnog i često korištenog u folowerima - IRFP150:
irfp150Cap.JPG


Dobar primjer za pokazati kako se ponasaju kapaciteti MOSFET-a, no postoje neke razlike u mehanizmu zasto se oni tako ponasaju izmedju MOSFET-a i VFET-a koji zapravo omogucavaju linearizaciju kapaciteta pomocu varicap dioda za VFET-ove. Kapaciteti se kod VFET-ova upravo mijenjaju istim principom.

Sto se tice komentara na graf, sstrsat je vec naveo pravi put gledanja na stvari. Konkretno Crss koji je u principu ekvivalent Millerovom kapacitetu kod cijevi, je najkriticniji problem. Ono sto se iz grafa ne vidi direktno, je da sa radi o kapacitetu koji, cim ga vise punis, to veci postaje. I sam graf nije striktno relevantan jer je radjen za Vgs=0 sto je u praksi slucaj samo u jednom vrlo kratkom intervalu. kapacitet ovisi i o Vgs, premda u manjoj mjeri.
Jako je tesko intuitivno zakljuciti sto prouzrokuje nelinearnosti kapaciteta. Takve pojave uzrokuju iskrivljenje signala slicno vremenskom pomaku ovisnom o amplitudi - zamislite niskopropusni filter koji je to niskopropusniji cim je trenutna amplituda veca. Kompleksni signali kao i uvijek i na tim nelinearnostima generiraju razne interakcije i nove signalne komponente koje nikad nisu postojale u originalu. U velikoj vecini topologija ne postoji nacin da se ovo post-festum korigira jer se dogadja na samom ulazu, prije nego sto uopce nastupaju bilo kakvi oblizi korekcije (npr NPV). Jedina metoda koja ostaje je linearizacija, no i ona je u matematickim smislui jedno a u prakticnom drugo.
Pogled na grafove za MOSFET pokazuje da su to sve relativno kontinuirane krivulje (iako treba paziti jer je napon na X osi u logaritamskom mjerilu). Aplikacijom krive vrste linearizacije sustav moze ispasti po apsolutnoj nelinearnosti ('kolicini nelinearnosti") bolji, ali su nelinearnosti kompleksnije (viseg reda). VFET ovdje daje jedinstvenu priliku da se implementira korekcija nelienarnosti bazirana na istoj fizikalnoj pojavi kao i uzrok nelinearnosti.

Mala digresija: precrtavanje grafa Crss prema Vds na linearno mjerilo daje jos jednu metodu linearizacije kapaciteta koja moze raditi u dovoljno sirokom opsegu Vds, a to je uporaba komplementarnih VFET-ova. Na zalost, to je lako u teoriji ali jako tesko u praksi jer je izuzetno tesko proizvesti poluvodice koji su maksimalno komplementarni. Kad se tice SIT-ova, Sony verzije su upravo napravljene bas po tom kriteriju, ali kod njih je zrtva bila sto karakteristike nisu vise toliko slicne triodi, drugiom rijecima, najbolje ce raditi upravo u komplementarnom spoju.
ilimzn
Iron Man
 
Postovi: 979
Pridružen/a: 05 svi 2011, 13:39

Sljedeća

Natrag na Vaši radovi

Na mreži

Trenutno korisnika/ca: / i 2 gostiju.

cron