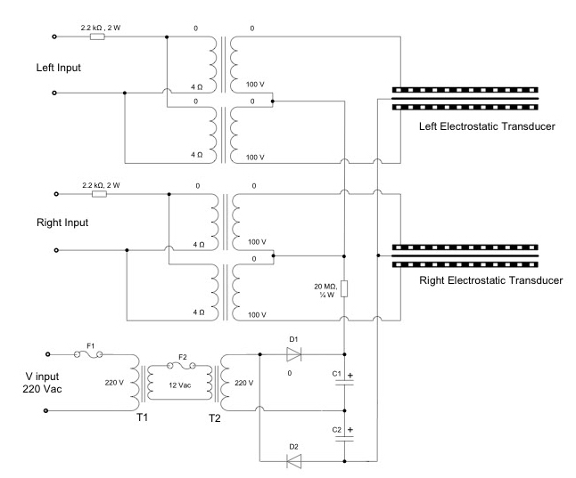
Roko hvala, snašao sam se... no to je tek drugi dio priče, a sada ću se fokusirati na samu izradu statora, izolaciju istih, spacere, membranu i nekakvu hardversku konstrukciju koja će nositi te statore oko glave. HV je kako sheme gore pokazuju zapravo jako jednostavan za napraviti, gotovo banalano, a kako će aktiva biti bazirana na stepup trafoima trebati će odabrati i jezgre. Obzirom da prva inačica u testu ipak ide prvo na SS amp, tako će biti napravljeni i stepup trafoi. Još dvojim oko omjera transformacije, no prije odluke možda i padnu nekakvi testovi koji će dati odgovor na to što bi bilo dovoljno za pokrenuti membranu na normalnu glasnoću i širinu frekventnog spektra. Prvi ciljani napon za elektrostatsko polje biti će negdje oko 500 do 600V, a ostaviti ću prostor za povećanje obzirom da će izolacije moći trpjeti dosta više od toga. Naletjeh na podatak da brko sa slike sve to gura i sa 1200V.... malo nelagodan podatak obzirom da je sve na glavi, no srećom struje su simbolične. Na kraju krajeva na ESL-ima ne trese HV na statorima kako većina misli, to je u biti ništa, trese AC zvučnog signala poslije stepup trafoa no za to prekrasno iskustvo trebaš držati prste na oba statora istovremeno i malčice pojačati pojačalo... ... nije ugodno vjerujte mi...... da samo znate kako Patricia Barber može protresti u punom smislu riječi... ajme

Između uha i statora bez obzira na izolaciju sa sitotisak bojom išao bi sa tankom spužvom. Jučer sam istu isprobavao sa klasičnim slušalicama i osobno nisam mogao primijetiti razliku kada zvuk ide preko te tanke spužvice i kada je bez. Doduše AB test nije bio idealan, ipak ne može biti trenutna AB zamjena situacije. Na tren mi se činilo da spužva ipak malo ubije fine detalje, no nekako sam sklon vjerovati da je to ipak bilo subjektivno jer sam znao da je spužvica između drivera i uha.
Kakvi su običaji kod tvorničkih esl sluša .. vjerujem da nešto u smislu zaštite između membrane tj. unutarnjeg statora i uha ima, ako ne zbog napona onda zbog nečistoće...