


pozz

NINO.S je napisao/la:tomi 77
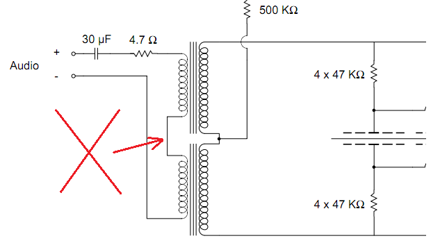
Zamolio bih te da premjeriš nešto na tvojim statorima što bi omogućilo
da ostali repliciraju takve "žičane"FR statore
1.dimenzije upotrebljene žice sa i bez izolacije
2.veličinu aktivnog dijela membrane znači visina širina
3.razmak i širina spacera na membrani
4.transformator površina srednjeg stupa i deblijine žice u primaru i sek.
Valjda te nisam puno zagnjavio![]()
![]()
![]()
Pozz
tomi77 je napisao/la:Ako prorade, vidjet ćemo u koga će završiti(doduše, ako i NE prorade...).
Bio sam editirao jedan svoj post, možda nisi primjetio, kakav si s njemačkim?
elvis je napisao/la:
Ako ih budeš "udavati", javi nama najprije
Rade je napisao/la:Visoki mogu biti prigušeni iz više razloga . Najednostavniji i najlakši za rešavanje je taj da ih jednostavno ima malo .
Drugi razlog je da prostorija upija previše / za razliku od drugog dela spektra gde se frekfencije pumpaju , visoki mogu da budu upijeni .
I treći najveći problem je da je neki deo previše istaknut u odnosu na visoke i na taj načim maskira visoke .
Pošto se radi o dipolima onda je sve moguće.
Praktično bi trebalo sa nečim izvršiti merenja sa RTA , trećinu oktave na mestu slušanja i onda sa beringerom izvršiti korekciju . Trećina oktave RTA pruža informaciju o odzivu sa svim refleksijama a parametarski ekvalizer od beringera pruža mogućnost precizne regualcije .
PS parametarski ekvalizer je ekvalizer koji ima mogućnost podešavanja VIŠE parametara pa se stoga i naziva para.......osim neke određene frekfencija ima mogućnost podešavanja iQ faktora , alfe i omege svih podešavanja .....ima čak i formula , minimalna frekfencija pa maksimalna frekfencija pa pik , pa sredina tog opsega , pa se to onda svašta nešto deli i množi i dobije se tačan podatak
Trenutno korisnika/ca: / i 5 gostiju.