NAD S300

Dogradnja tvorničkih uređaja

NAD S300

PostPostao/la ilimzn » 15 srp 2011, 20:10

Dugo sam se dvoumio gdje da stavim temu o ovom pojacalu... i na kraju evo je ovdje.
Odmah da upozorim, ovo ce biti jedan malo drugaciji tweak, konkretno, kako potweakati pojacalo pa da zapravo radi onako kako bi trebalo. Drugim rijecima, malo j efalilo da tema o ovom pojacalu zavrsi u rubrici 'audio prevare i razocaranja', a ako vec ne tamo, onda svakako pod 'refresh starih uredjaja', iako ovo pojacalo nije nbi priblizno toliko staro da bi se moglo u bilo kom smislu nazvati vintage komponentom, kakvoj zapravo i treba refresh.
Umjesto toga, ovo je pojacalo (ako se zanemari dizajn koji je ionako predmet ukusa o kojem se ne raspravlja) vrlo lijepo i pazljivo napravljeno... ali na zalost isto tako kompletno krivo.

Za pocetak, nesto povijesti...
Prije desetak godina, LC audio je kratko uzivao popularnost objavivsi nekoliko projekata poluvodickih pojacala bez globalne povratne veze, vodeci se filozofijom da je ona izvor svih audio zala (u stvarnosti bi to u najmanju ruku bilo misljenje koje je toliko iskrivljeno da je pogresno, premda stoji da upotreba globalne NPV itekako moze imati problema). Radilo se o evoluciji jednog koncepta, koji je u jednom trenu kulminirao pojacalom naziva 'End Millenium'. U slijedecih 10 godina, imena koja su stajala iza toga pomalo su se prebacila na druge stvari... no tesko je zanemariti cinjenicu da su svi akteri ove price iz Danske, i da su konstrukcije pojacala u najmanju ruku slicne, a neki cak imaju i asocijacijom slicna imena.
Prije otprilike pola gore spomenutog razdoblja, poznata tvrtka NAD je odlucila zakoraciti dublje u high-end, i izmedju ostaloga ponudila dual-mono integrirano pojacalo imena S300. Ovaj div tezine 27kg izradjen u Danskoj u kutiji od mase eloksiranog aluminija krije nesto vrlo slicno End Millenuium-u, a kako se kasnije pokazalo, bliski rodjak mu je Gryphon Tabu Century. Slike unutrasnjosti oba pojacala pokazuju nedvojbene slicnosti...

NAD S300:
NAD-S300.jpg


Gryphon Tabu Century
Gryphon_tabu_century.jpg.jpg


Neki detalji kod Gryphona ukazuju na malo rafiniraniju izvedbu... dok detaljan pogled covjeka prvo natjera da se nada da je izvedba PUNO rafiniranija - i tu pocinje ono sto bi u ovoj prici bio zaplet.

Slika NAD-a je sa neta, a od tamo j euzeta s velikom dozom namjere. Pogledajmo jednu sekciju stampe malo poblize:
NAD-S300_detail.JPG

Ne cini li se da je podrucje stampane ploce uokvireno crvenom linijom nekako potamnilo? Eh... i tu smo dosli do glavnog problema - gospodo, ovo nije photoshop, ovo je za stvarno, produkt diletantizma u projektiranju. Na zalost, to nije sve. Pojacalo koje je stiglo do mene, izlazilo je iz 'protect' moda povremeno, nakon duljeg cekanja, vracalo se u njega spontano, bez vidljivog razloga, i na kraju... nesto je u njemu padalo simo-tamo ako se okretala kutija. Iskustva s povelikim brojem uredjaja s slicnom greskom ukazuju da se radi o dotrajalim kondenzatorima u sklopu detekcije mreznog napona, a otvaranje uredjaja je pokazalo da je to tek pocetak jednog velikog klupka problema. S otvorenim poklopcima, postaje jasno da je ono sto se pomice u unutrasnjosti, plasticni izolirajuci poklopac kondenzatora za filtriranje napajanja - od 8 komada, trima se vec 'izuo' termobuzir kojima su izolirani, i samo je pitanje trenutka kada ce se neki od njih razletiti.

Prva runda detekcije greske pokazuje slijedece:
- Filterski elektroliti su jos malo pa mrtvi. Kasnije se pokazalo da je od 10000uF po komadu prezivjelo jos u prosjeku 6000.
- Tranzistori u ulaznom stupnju se toliko pregrijavaju da su se doslovno odlemili, a stampa koja je inace tamno plave boje, je ispod laka tamno smedja. Lak je na par mjesta od pregrijavanja otpao.

Brzi fiks odlemljivanjem tranzistora, ciscenjem stampe (JAKO oprezno, samo sto se nisu odlijepili vodovi) i lemljenje lemom viseg talista rijesava problem u 90% slucajeva. Slijedi runda otkrivanja kvara broj 2:
- Optocoupler za dojavu greske kontrolnopj elektronici se 'prekuhan' i aktivira se sam od sebe. Problem je dodatno pogorsan konstrukcijskom greskom - optocoupler odredjuje logicki nivo na nozici kontrolnog procesora, no moze je samo povuci na nivo logicke nule, forsirajuci default stanje odredjeno otpornikom. Taj je toliko visoke vrijednosti da curenje svega 1uA struje kroz optocoupler rezultira u neodredjenom logickom nivou, koji fluktuira gore-dolje prema strujanju zraka. Kada se jednom upali, pojacalo ostaje upaljenojer je takva logika rada ulaza na procesoru.

Zamjena otpora na ulazu procesora rijesava problem i pojacalo se pali normalno. Sad kad imam uredjaj koji radi, ide promatranje i eventualno otkrivanje drugih problema... i tu se klupko pocinje odmatati. U pojacalu doslovno ne postoji dio koji se ne grije, bilo svojim radom ili od okoljnjih dijelova, pri cemu se gotovo nasumce na neki element moze staviti prst, i biti siguran u poslijedicne opekotine!!!

Daljnja forenzika je ustanovila hrpu problema, sto sve kulminira u potrebi da se u pojacalu u klasi cijene 3-4 tisuce EUR nakon 5 godina treba promijeniti 50% dijelova. I dok za neke odluke u topologiji i izvedbi moze biti pitanje ukusa ili filozofije, kod drugih se jednostavno i kratko receno radi o diletantizmu i neznanju. Eto liste:

- Tranzistori s teoretki maksimalnom disipacijom od 1W se NE MOGU u stvarnosti koristiti s disipacijom od 1W ili blizu tome. Isto tako ni otpornici, ni zener diode. Broj ovakvih komponenti u ovom pojacalu je upravo nevjerojatan i zapravo je pravo cudo da je sve skupa uopce radilo koliko je. Neki od otpora su se toliko 'prekuhali' da su doslovce zaboravili koliki im je otpor - boje kojima su oznaceni se uopce vise ne vide. O tranzistorima s automatskim odlemljivanjem je vec bilo rijeci.
- Elektrolitski kondenzatori se ipak moraju staviti dalje od dijelova pojacala koji se griju 'ko ludi' a pri tom bi bilo dobro da im je nazivni napon ipak dosta visi od radnog napona u tom sklopu. Kondenzatori za 63V ne bi smjeli raditi na 60V.
- Balansirani ulazni stupanj za CD ulaz zapravo nije pojacalo vec je na neki nacin oslabilo. Uz to striktno govoreci ne pretvara balansirani ulaz u single-ended, vec jednostavno zanemaruje jednu fazu diferencijalnog signala. Narocito problematicno je spajanje signala izmedju tog sklopa i ostatka pojacala preko elektrolitskog kondenzatora vulgaris domesticus. S obzirom da je to jedini kondenzator (ako ne racunamo napajanja) kroz koji signal uopce prolazi, stvarno bi covjek ocekivao nesto kvalitetnije na tom mjestu. Da stvar bude gora, toplina mu je pobila polovicu mikrofarada i povecala ESR, koji u kombinaciji s relativno niskoohmskim ulazom, povecava uticaj kondenzatora na zvuk. Svigdje drugdje se proizvodjaci trude postici upravo obrnutu kombinaciju. Za cudo, nema cak ni bypass-a folijskiom kondenzatorom...
- Postojanje gornjeg sklopa je tim vise neobjasnjivo s obzirom da je ostatak pojacala zapravo sposoban primiti diferencijalni ulazni signal, no 'druga strana' ulaza je jednostavno spojena na masu i DC servo.
- Jos je veca misterija zasto je pojacanje pojacala toliko visoko, puna izlazna snaga se postize vec sa 350mV ulaznog napona. Spajanjem CDP-a na normalni cinch ulaz se preskace cijeli jedan stupanj i osobno, to bi bio preferirani spoj.
- Pojacalo se sastoji od dva stupnja naponskog pojacanja i slijedila. Iako je topologija sklopa jednim dijelom pitanje filozofije i ukusa, izvedba ima gresaka u konceptu. Za pocetak, struktura podjele pojacanja izmedju dva stupnja je sasvim obrnuta. Ulazni stupanj s dva komplementarna diferencijala koristi linearnije tranzistore s vecim strujnim pojacanjem za postizanje manjeg naponskog pojacanja, dok se od drugog stupnja s nelinearnijim uvjetima rada i manjim pojacanjem aktivnih dijelkova, ocekuje vece naponsko pojacanje. Prilicno j eocigledno da bi optimkum bio tocno obrnuto od toga. Mogao je s lakocom i biti, rijesavajuci ujedno problem zagrijavanja, s dva dodatna tranzistora, ukupne cijene 40 lipa - u maloprodaji. Da stvar bude gora, taj stupanj tjera prvi od tri stupnja izlaznog slijedila. Linearnost ulazne impedancije slijedila je za ovakvu konstrukciju od presudne vaznosti - a upravo prvi stupanj radi s znatno premalom strujom, cak 3x manjom od prethodnog stupnja, da bi tranzistori u njemu bili i blizu linearnog rezima rada.
- Preklapanje ulaza je izvedeno pomocu releja. Svaki relej ima dva preklopna kontakta, nokako je pojacalo u dual-mono tehnici, svaki kanal i ulaz ima svoj relej, pa je teoretski drugi kontakt nepotreban. No, mogao se spojiti u spoj s tzv. kapacitetnom branom, koji smanjuje preslusavanje ulaza na posve zanemarivu mjeru, za nula troska. Umjesto toga, kontakti su spojeni u paralelu?!
- Ploca je projektirana pomocu racunala, i to tzv. auto-routerom. Taj program osigurava korektno elektricno spojen sklop, ali nema blagog pojma o finesam potrebnim u kvalitetnoj izradi stampane ploce za audio svrhe. Iako j eploca slozen lijepo i simetricno, vodovi se po njoj mjestimicno krizaju tocno kako ne bi smjeli, a o kolicini preskakanja s jednog sloja na drugi (ploca je sasvim lijepo mogla biti i jednoslojna!) da ne pricam. Srecom, dvostrana izvedba pomaze da se ne odlijepe pregrijani vodovi, no oni se ionako ne bi bi trebali pregrijavati! Problemi u izvedbi su najevidentniji kod spajanja kondenzatora u ispravljacu, s naglaskom na masu, put struja iz ispravljaca u kondenzatore i prema pojacalu je uglavnom nedefiniran. Kao sto se vidi na slici Gryphon-a, za razliku od NAD-a su stavili po dva greca po kanalu, time su barem donekle rijesili taj problem.

Nakon svega ovoga, postalo je jasno da ce refresh postati tweak, ciljan na pouzdani rad pojacala i koliko je moguce, ispravak konstrukcijskih gresaka. U tu svrhu je sklop prebacen u simulator, s kojim je izracun struja, disipacija i tendencija prilikom izmjena, znacajno olaksan.

...nastavak slijedi!
ilimzn
Iron Man
 
Postovi: 979
Pridružen/a: 05 svi 2011, 13:39

Re: NAD S300

PostPostao/la Edison » 15 srp 2011, 21:07

Kad covjek ovo procita, zapita se sto kod tih poznatih proizvodjaca rade skolovani inzenjeri i konstruktori? I jos se to ne prodaje za male pare... :shock:

Steta onakvog kucista i aluminija...
Čovječe pazi da ne ideš malen ispod zvijezda!
Avatar
Edison
 
Postovi: 1180
Pridružen/a: 04 svi 2011, 21:32
Lokacija: Rijeka

Re: NAD S300

PostPostao/la ilimzn » 15 srp 2011, 23:35

Bez brige, to je i mene shokiralo, ali... nije ovo prvi uradak kojeg su projektirali 'gurui' a ne skolovani inzenjeri. Sto je jos gore, kad vidim kakva pitanj apostavljaju diplomandi npr. na DIYaudio.com, pitam se ima li uopce skolovanih inzenjera koji bi ovo i mogli napraviti? Sve skupa mi bas i izgleda kao neciji diplomski rad, iza kojeg je stajao jako debelo potkozeni financijer.
Inace, kuciste je 1A, tu se nema sto prigovoriti. Stovise, i vrlo paradoksalno, hladila za izlaze su debelo predimenzionirana, ovo nije pojacalo u klasi A (iako bi to za ovaj koncept bilo pozeljno, no nije to Hiraga projektirao :) ).

Ono sto je plus u ovoj prici, je da koncept kao takav nije los, dapace, pojacalo je prilicno jednostavno ali izvedba koncepta nije bas doradjena, nego je vise... zakrpana.
Primjerice, ulazni diferencijalni parovi se tjeraju jako visokim strujama (ovo je u neku ruku neizbjezno, o tome kasnije), tako da je struja polarizacije baza koja mora doci od ulaza neuobicajeno visoka. U sklopu se protiv toga bore na dva nacina, jedan je da koriste komplementarni diferencijalni ulaz, kojem se ulazne struje u vecoj mjeri ponistavaju. Druga, koja bi se u biti mogla smatrati zakrpom, je kompenzacija ulazne struje. U tu svrhu su stavili DC servo s operacionim pojacalom, koji je zapravo spojen na 'samog sebe' i hrani ulaz preko 100k potrebnom strujom, da bi ulazni napon bio nula. Naravno, s obzirom da nema globalne NPV, uz to je potreban jos jedan DC servo koji podesava 0V DC na izlazu. Sve u svemu, ni manje ni vise nego 5 operacionih 'opsluzuje' svaki kanal pojacala, i jos 2 dodatna za kompenzaciju ulazne struje za onaj balansirani u nebalansirani konverter za CDP ulaz. Chipovi se naravno hrane preko otpora i zener dioda, kako bi se sve jos malo vise grijalo...

Ovo se sve moglo izvesti PUNO jednostavnije. Sve skupa izgleda kao da onaj tko je projektirao nije jos 'otkrio' slijedila i kaskode... s ovim zadnjima su si mogli toliko pojednostaviti stvar za cijenu od maks. 5 kuna po kanalu, a za nekih 15kn po kanalu su mogli sloziti pravu zvijer. Za probu sam u simulatoru slozio takvu verziju ovog pojacala i rezultati su (koliko se moze vjerovati simulatoru) toliko bolji da bi se ozbiljno moglo porazmisliti o stvarnoj izvedbi tog sklopa - a sve s 'chipoteka' dijelovima (sto se bas ne bi moglo reci za original).

Inace, sto se tice nastavka price, pala j eodluka da ce refresh/tweak ici u 3 faze:

1) Zamjena svega pregrijanog i dotrajalog, tipa elektrolita, uz sto obavezne sto neobavezne optimizacije. Tako su filteri napajanja zamjenjeni s istim iznosom kapaciteta, ali za 80V umjesto 63. Filteri lokalnog napajanja za ulazne stupnjeve i balansirani ulaz za CDP su postali znacajno kvalitetniji, a vezni elektrolit za CDP ulaz osim kvalitetnije inacice dobiva i foliju u paralelu. 6 otpora po kanalu se obavezno moraju zamijeniti za istu vrijednost i vecu snagu radi dotrajalosti. Srecom, ti su bar podignuti od povrsine ploce pa je nisu ostetili.

2) Zamjena postojecih dijelova koji se pregrijavaju za dijelove iste vrijednosti, ali koji za razliku od originala mogu i izdrzati to zagrijavanje. Radi se o vecem broju otpora i zener dioda. Otpori 0.6W su zamjenjeni za 2W metal film inacice, zener diode 400mW za 1W, svi skupa su podignuti sa povrsine ploce radi boljeg hladjenja. Uz to je zamjenjeno po 6 tranzistora po kanalu za tranzistore slicnih karakteristika, ali koji su namjenjeni vecim snagama disipacije. Radi se o tranzistorima u strujnim izvorima i lokalnom stabilizatoru za CDP ulazni dio, cije su karakteristike nekriticne unutar sirokih granica. Osim toga, zamjenjeni su i tranzistori u drugom stupnju naponskog poacanja jer su originali radili preko ruba dopustene granice. Ovi su tranzistori znatno kriticniji za odabrati. Velik problem kod zamjene 5 od 6 tranzistora po kanalu je kombinacija rasporeda izvoda originala s izradom ploce pomocu auto-routera. Iz nepoznatih razloga rupe za tranzistore na ploci su promjera svega 0.5mm, a vecina ih je 'stisnuta' sa obje strane drugim komponentama. Uz to, raspored izvoda je EBC, dok vecina tranzistora vece snage ima raspored ECB i/ili deblje izvode. Potraga za tranzistorima koji pasu je prica za sebe - u cijelom ZG ima doslovno slovom i brojem DVA (2) od 10 potrebnih, i to po cijeni od 'samo' 55kn komad. Covjek u ducanu mi je rekao da ih imaju vec 15 godina i nikako da se prodaju, tko zna zasto... srecom, prevrnuvsi sve ladice u 'aladinovoj pechini' tj. mojoj radioni, naslo se odredjen broj NOS tranzistora koji na eBay-u kotiraju u desecima $ po komadu, a koji bas pasu u S300... ako ikada bude 'drugi puta' onda ce stvari ici drugacije, no o tome kasnije. Na zalost, razmaci izmedju komponenti ne omogucavaju uporabu mnogih vrhunskih poluvodica s kojima bi rezultati bili jos bolji nego kod originala jer jednostavno nema mjesta za presavinuti izvode u potrebni raspored.

3) Zamjena dijelova drugacijima uz minimalni tweak topologije kako bi se smanjilo zagrijavanje a bez gubitaka performansi. Ovdje je vec veci problem za rijesiti - radi se o ulaznim diferencijalnim parovima. Na zalost, ovdje je cak nemoguce staviti NOS primjerke tranzistora s hladilom, jer je iskoristen specifican oblik kucista originalnih, kako bi se tranzistori naslanjali jedan na drugi radi cim bolje termicke veze. Na zalost, to im dodatno smanjuje sposobnost hladjenja - zajedno disipiraju oko 0.8W sa kockice 4mm po strani... Ovdje nije ostalo drugo nego smanjiti struje. Slican problem je s drugim stupnjem naponskog pojacanja - svaki od dva tranzistora disipira 1W a maksimalna teoretska disipacija im je... 1W!!!
Struja je u konacnici smanjena na pola u diferencijalima i na 2/3 u drugom stupnju (uz zamjenu tranzistora), da bi se grijanje svelo na podnosljivu mjeru. No, to zahtijeva zamjenu veceg broja otpora i lagani tweak u vidu 2 kratkospojnika i :o vrlo blagi NPV u samom naponskom pojacalu od cca 1dB.

O svemu detaljnije u nastavku...
ilimzn
Iron Man
 
Postovi: 979
Pridružen/a: 05 svi 2011, 13:39

Re: NAD S300

PostPostao/la ilimzn » 17 srp 2011, 02:26

Evo pojednostavljene originalne sheme NAD S300 pojacala, za sve ulaze osim balansiranog CD ulaza.
Maknute su sve zastite i DC servo-i, napon 0.6V doveden preko 47k na desnu stranu komplementarnog diferencijala na ulazu je zapravo korekcija sa DC serva (zanimljivo koliko se dobro poklapa simulacija s stvarnoscu!).
Na slici su oznaceni elementi koji su kriticni po pitanju dimenzioniranja maksimuma disipacije. Tranzistori su teoretski za 1W disipacije ali uz temperaturu kucista 25C, u stvarnosti je okolina oko 40C radi slabe cirkulacije zraka, a temperatura kucista je preko 100C za one s najvecom disipacijom. Pri tome treba napomenuti da oni u diferencijalima s pola disipacije stoje jedan do drugog tako da je samo 2/3 povrsine svakoga sposobno disipirati toplinu, svaki par ukupno disipira preko 700mW. Ove su vrijednosti dane bez ulaznog signala. S ulazim signalom tranzistori u drugom stupnju disipiraju gotovo 1W. Otpornici oznaceni zutom bojom su obicni metal film 0.5W, a disipacija im je barem pola tog maksimuma. Iskustvo je pokazalo da temperature otpora ostaju unutar suvislih granica uz 1/3 maksimuma disipacije, ako uredjaj radi u uvjetima vise temperature radi slabije cirkulacije zraka ili vece temperature okoline, tada je bolje racunati s 1/4 maksimuma.
Jedna zanimljivost koja nije jasna iz slike je ulazni otpor od svega oko 25k ne racunajuci 100k s ulaza na masu. 5k u seriju s generatorom signala predstavlja najgori slucaj, kada je potenciometar u polozaju -6dB. Velika osjetljivost srecom rijetko rezultira tim slucajem, ali zato je upotrebljiv opseg polozaja potenciometra zaista malen, mozda 1/10 kruga za normalne glasnoce slusanja.

NAD-S300_orig.gif


Valja jos napomenuti da su tranzistori u ulaznom dijelu prakticki isti u stvarnosti, dok izlazni dio ima u tri stupnja redom MJ15030/31 u oprvom i drugom, te dva para Sanken 2SA1216/2SC2922 u trecem stupnju. Primijetiti struju mirovanja u prvom stupnju izlaza!
Premda izlazni tranzistori nisu kao u stvarnosti, oni koji su u simulaciji su zapravo poprilicno reprezentativni. Simulacija je napravljena uz struju mirovanja po preporuci proizvodjaca, sto iznosi 100-120mA po izlaznom paru.

Iako po pitanju izoblicenja nije za vjerovati simulatoru, ovdje se pokazalo prilicno poklapanje s stvarnoscu. Spektar izoblicenja je reprezentativan za sve ovakve topologije, a isto tako i ponasanje istog ovisno o izlaznoj snazi. Racunica je data za 1W i 100W na 8 ohma:

1kHz, 1W u 8 ohma:
NAD-S300_orig_thd_1W.gif
NAD-S300_orig_thd_1W.gif (8.66 KiB) Pogledano 21788 put/a.


1kHz, 100W u 8 ohma:
NAD-S300_orig_thd_100W.gif
NAD-S300_orig_thd_100W.gif (8.74 KiB) Pogledano 21788 put/a.


Ukupno gledano zaniljivi rezultati, spektar je tipican za ovu konstrukciju, padajuci niz harmonika u kojem su parni harmonici dodatno potisnuti.
Spektar je prilicno slican usprkos 100-strukom povecanju snage, iako dominira 3. harmonik, svi harmonici iza su cca 100dB ispod osnovnog signala.
No, zanimljivo je da izoblicenje ne pada drasticno prema malim snagama, kako bi to bilo uobicajeno.
Kod ovakvih konstrukcija, velika struja kroz ulazne parove donosi relativno nizak unutrasnji otpor, koji je jos k tome nelinearan. Komplementarni ulazni stupanj u mnogome ponistava te nelinearnosti, no zanimljivo je pogledati izoblicenje signala nakon serijskog otpora od 5k (sto je prilicno niska vrijednost):

NAD-S300_orig_thd_input.gif
NAD-S300_orig_thd_input.gif (8.47 KiB) Pogledano 21788 put/a.

Pri 100W izlazne snage, 1/4 izoblicenja se dogodi prije nego signal uopce udje u prvi aktivni element. Ovo ujedno i pokazuje razlog zasto je spektar toliko ujednacen po snagama i izoblicenje ne pada naglo prema manjim snagama. U stvarnosti je situacija na zalost jos gora jer su nelinearnosti u modelima tranzistora prilicno pojednostavljene. Ulazni su parovi birani prema sposobnosti da izdrze potrebnu disipaciju, sto je na zalost odredjeno topologijom, i nije najsretnije rijesenje - tranzistori s znacajno boljim parametrima po pitanju lineranosti, ne mogu se ovdje iskoristiti radi potrebne disipacije. S druge strane, uzevsi u obzir zahtjeve postavljene topologijom, odabir je jako dobar. Jedan od razloga zasto se koriste vece struje je upravo taj sto dati elementi imaju konstantnije pojacanje pri vecim strujama, no time se zatvara zacarani krug - ti su elementi odabrani jer velike struje rezultiraju s vise topline.
ilimzn
Iron Man
 
Postovi: 979
Pridružen/a: 05 svi 2011, 13:39

Re: NAD S300

PostPostao/la ilimzn » 17 srp 2011, 03:15

Evo sto je sve promijenjeno, oznaceno vec uobicajenim crvenim tockama...

NAD-S300_0.jpg


Kao sto se vidi, poprilican broj komponenti... uglavnom su originali zamijenjeni novim iste vrijednosti, sposobnima da izdrze toplino koja se u njima generira... ili koju generiraju okoljne komponente... ili napone kojima su izlozeni, sa vecom rezervom... ili, kao u slucaju diferencijalnog para u CDP ulazu, su tranzistori kako spada obuceni termo-buzirom a ne komadom zice preko kojeg je namaljana silikonska masto ko da se rade ukrasi na torti :(

Malo bolji pogled, bez silnog crvenila (slika je napravljena prije nego su organizirane zice, uz pomoc nesto termo-buzira i vezica, pa da sve skupa stvarno i bude slozeno kako treba):
NAD-S300_1.jpg


I s donje strane je sada puno urednije, gdje god je bilo moguce je ideja bila ostaviti mjesta za cirkuliranje zraka:
NAD-S300_2.jpg


Ovako izgleda jedan kanal pojacala. U usporedbi s originalom, za primijetiti je veci broj 2W metal film otpora podignutih u zrak, kao i razlike u tranzistorima. Na zlici je oznacena polovica komplementarnog ulaznog stupnja, dakle jedan diferencijalni par tranzistora. Iako je to tesko za zamisliti, umjesto tranzistora s zvjezdastim hladilom desno od tog para, u originalu je tanzistor iste velicine kao u diferencijalnom paru, na kojem se generiralo vise topline nego na ovom nadomjesnom s hladilom!
NAD-S300_3.jpg


Malo blizi pogled, koliko omogucava slikanje mobitelom...
NAD-S300_4.jpg


Jos jednom usporedba tranzistora - lijevo je original, desno je zamjena. Usporkos znatno vecim dimenzijama, metalnom kucistu i hladilu, te nesto smanenoj disipaciji, u radu je nemoguce zadrzati prst na hladilu, sto znaci da je temperatura oko 50-55 stupnjeva. Mozda zvuci cudno, ali to je u odnosu na original veliki napredak - pokusaj doticanja rezultira trenutno opekotinom, a temperatura je preko 100 stupnjeva na povrsini kucista, kap vode stavljena na njega isparava trenutno. Ploca je ispod tamno smedja, sto se kod FR4 materijala dogadja iznad 150 stupnjeva:
NAD-S300_5.jpg


Konverzija balansiranog u nebalansirani signal, svojevrsni buffer, premda bi ga ja prije nazvao izoblicilom i oslabilom signala... strelice pokazuju ponesto promijenjenih elemenata. Odozgora prema dolje, tranzistor koji stabilizira lokalni napon napajanja na oko 31V, do njega podignuta zener dioda koja daje naponsku referencu, i otpor koji hrani zener diodu 6.8V koja je referenca za strujni izvor diferencijalnog para.
Tranzistor diferencijalnog para je sada u TO-220 kucistu i slicno kao u gornjem slucaju na njemu se u radu prst moze zadrzati mozda jednu sekundu. U originalu je tu bilo manje TO-126 kuciste, i to posve izolirano, s manjom dozvoljenom disipacijom. S prethodno opisanim tranzistorom za stabilizaciju napona je situacija bila kudikamo gora - u originalu je bila ona minijaturna 'buha' kao s usporedbe gore.
Do tranzistora za strujni izvor, slijede otpori i zener diode koji napajaju dvostruki OP-amp ispod, koji sluzi za kompenzaciju ulaznih struja diferencijalnog para. Na njega pak pokazuje najdonja strelica. Nekakva savinuta zica nazbukana silikonskom mascu koja je drzala dva tranzistora zajedno, je zamijenjena termo-buzirom, termovodljiva mast je i dalje izmedju tranzistora gdje jedino i spada:
NAD_S300_6.jpg


Na kraju napajanje DC servo i zastitnog sklopa. Cetri otpora u nizu su u originalu bila za dva broja manja i od pregrijavanja su se izbrisale boje. Zener diode su bile za broj manje i srecom su ipak bolje prosle, no preventive radi, tu su sad vece, podignute u zrak da se bolje hlade i ne griju stampu:
NAD-S300_7.jpg
ilimzn
Iron Man
 
Postovi: 979
Pridružen/a: 05 svi 2011, 13:39

Re: NAD S300

PostPostao/la pinco » 17 srp 2011, 10:49

Možda glupa ideja, al bili se mogli ulazni zaminit sa mosfetima, bili se naša pogodniji par sobziron da radi na većin strujama nego je uobćajeno, normalno ako postoju takvi mosfeti, IRF110, ako postoji kolko vidin ode i komp. par.
pinco
 
Postovi: 210
Pridružen/a: 09 svi 2011, 09:59

Re: NAD S300

PostPostao/la ilimzn » 17 srp 2011, 12:01

pinco je napisao/la:Možda glupa ideja, al bili se mogli ulazni zaminit sa mosfetima, bili se naša pogodniji par sobziron da radi na većin strujama nego je uobćajeno, normalno ako postoju takvi mosfeti, IRF110, ako postoji kolko vidin ode i komp. par.


NAravno, to bi rijesilo problem ulazne impedancije... u krajnjoj liniji to je ono sto vecina Pass Aleph-a radi. Veci je problem sloziti ulazni stupanj tako da ostane ista topologija, jer je zapravo vrlo tesko naci komplementarne MOSFET-e. Kao i uvijek, sve je pitanje kompromisa. Jedan od vecih kompromisa ovdje je odnos strmine i ulaznog kapaciteta, velika strmina je potrebna da bi se ostvarilo potrebno pojacanje u prvom stupnju. Ima jos mogucnosti - jednostavno dodati FET slijedilo, npr, neke, ako bude vremena, mozemo istraziti u temi forumsko pojacalo, a ovdje cu na kraju dati samo jednu, koja bi vise bila 'ultimate tweak' za ovo pojacalo.
ilimzn
Iron Man
 
Postovi: 979
Pridružen/a: 05 svi 2011, 13:39

Re: NAD S300

PostPostao/la ilimzn » 17 srp 2011, 12:36

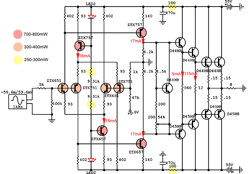
Kao sto je vec bilo rijeci, uzevsi u obzir ogranicenja koja postavlja vec postojeca stampana ploca, samo neke od problema s pregrijavanjem je bilo moguce rijesiti zamjenom elemenata s novima iste vrijednosti ali sposobnima za vece disipacije. Pravij eproblem ostao ulazni stupanj, u kojem specificni oblik upotrebljenih tranzistora diktira da oni i ostanu tamo, pa nije preostalo drugo nego smisliti nacin kako da tako i bude, a bez da i oni dozive toplinsku smrt. Nakon dosta sarafljenja po simulatoru, i nekih sitnih testova u stvarnosti, ovo je rezultat:

NAD-S300_mod.gif


Izmjenjena je vecina pasivnih komponenti u ulaznom stupnju pojacala, s idejom da se struja ulaznih diferencijala smanji na pola i time disipacije svedu na suvislu mjeru, sto se vidi iz oznaka na shemi. Drugi stupanj naponskog pojacanja je ostao gotovo isti s malom preinakom da je spojen u neku vrstu preslozene kaskode. Razlog za to je sto manja strmina ulaznog stupnja, uzrokovana smanjenjem struje, rezultira u nesto losijim karakteristikama kad se tice izoblicenja (u nekom drugom slucaju ovo bi se lako kompenziralo izmjenom ulaznog para necime s vecim pojacanjem, izbor je veci s obzirom na smanjenu disipaciju). Ovakav sklop daje vecu pobudu slijedecem stupnju, 'glumeci' kao da je prethodni stupanj ostao isti, no naponsko pojacanje je nesto vece. Ovaj mali visak se pomovu lokalne povratne veze koristi za linearizaciju sklopa, kako bi se uz nove radne uvjete dobile karakteristike cim slicnije originalu.

Jedan bitan plus je povecanje ulazne impedancije na dvostruko visu vrijednost, sto se ujedno vidi i u izoblicenju koje generira sam ulaz kada se spaja preko ulaznog otpora od 5k, kao i original. Izoblicenje je za maksimalni signal smanjeno za faktor >2 i nesto je ljepseg karaktera. Kao sto sam rekao, rezultate simulacije ovdje treba uzimati s velikom dozom rezerve, no tendencije su ipak jasne.

NAD-S300_mod_thd_input.gif
NAD-S300_mod_thd_input.gif (9.7 KiB) Pogledano 21747 put/a.


Jedna ilustracija kako podaci o izoblicenju mogu biti varljivi je data u nastavku - simulatorom je proracunat spektar isoblicenja modificiranog sklopa, na snazi od 1W, izlaznom opterecenu 8 ohma i frekvenciji 1kHz - s razlicitim strujama mirovanja izlaznog stupnja:

1) Kao u originalnom sklopu:
NAD-S300_mod_thd_1W.gif
NAD-S300_mod_thd_1W.gif (10.22 KiB) Pogledano 21747 put/a.


2) S znacajno povisenom strujom mirovanja (oko 160mA po izlaznom paru)
NAD-S300_mod_thd_1W_high.gif
NAD-S300_mod_thd_1W_high.gif (10.14 KiB) Pogledano 21747 put/a.


3) Optimalna struja po D. Self-u
NAD-S300_mod_thd_1W_opt.gif
NAD-S300_mod_thd_1W_opt.gif (10.33 KiB) Pogledano 21747 put/a.


Razlike su u prva dva suptilne ali znacajne - u prvom slucaju neparni harmonici imaju ocekivani monotoni pad s povecanjem reda, ali se parni ponasaju 'cudno' - neki 'fale'. Ovo je najcesce problem nepreciznosti samog simulatora, no cesto se dogadja upravo kod tzv. optimalnih postavki. Dobra primjer je zadnji graf gdje je izoblicenje brojcano manje za gotovo 3 puta u odnosu na high-bias verziju, i skoro 5x manje u odnosu na originalne postavke, no ujedno ima i najnepovoljniji harmonicki spektar, gdje su 2, 3. i 5. harmonik prakticki iste vrijednosti. Vec minimalni pomak struje mirovanja daje sasvim drugaciju sliku sto jasno govori da su rezultati simulacije neupotrebljivi u usporedbi sa stvarnoscu.
Ipak, simulacija u high-bias situaciji pokazuje zanimljivu tendenciju - iako izoblicenje malo padne, i spektar ostane slican, prednost je sto je vec slijedeci harmonik iza dominantnog treceg, a to je peti, vise od 120dB ispod razine osnovnog signala.
Iste ove simulacije pokazuju ujedno i jedan od najvecih problema s odabirom struje mirovanja - ne postoji optimum za sve snage i sva opterecenja, osim ako optimum proglasimo da je situacija u svim uvjetima jednako losa. Taj 'proglas' nije uopce rijetkost u komercijalnim uredjajima, gdje je topologija namjerno 'tweakana' od tehnicki kvalitetnije, da bi se postigla konzistencija u harmonickoj slici izoblicenja, drugim rijecima, da uredjaj ima cim slicniji karakter zvuka bez obzira na snagu i opterecenje. Iako je to vrlo opravdan cilj, on na zalost cesto rezultira konzistentim ali suboptimalnim rezultatima za sve snage i opterecenja - prava je umjetnost dobiti i ovce i novce. Odmah treba reci da je to u ovoj topologiji jednostavno nemoguce bez da se neke stvari namjrno pokvare, sto je u neku ruku i ucinjeno odabirom vrlo male struje u prvom stupnju izlaznog dijela, gdje tranzistori rade daleko izvan optimuma linearnosti strujnog pojacanja.
Evo par primjera sto se dogadja kada se iste simulacije odozgo, naprave za drugacije uvjete - ovaj puta za maksimalnu deklariranu snagu, 100W u 8 ohma:

1) Originalne postavke:
NAD-S300_mod_thd_100W.gif
NAD-S300_mod_thd_100W.gif (9.58 KiB) Pogledano 21747 put/a.


2) High bias:
NAD-S300_mod_thd_100W_high.gif
NAD-S300_mod_thd_100W_high.gif (10.25 KiB) Pogledano 21747 put/a.


3) Optimum po D. Self-u:
NAD-S300_mod_thd_100W_opt.gif
NAD-S300_mod_thd_100W_opt.gif (10.15 KiB) Pogledano 21747 put/a.


Originalne postavke i high-bias daju rezultate slicne originalu, premda nesto losije. Pri tome valja reci da je izoblicenje deklarirano na 1% pri maksimalnoj snazi, pa je sve ovo prilicno akademska rasprava, osim u slucaju rasporeda harmonika. Zadnji slucaj, optimuma po D. Self-u, i dalje pokazuje zapravo najlosiji raspored harmonika premda su brojke najbolje.
Ponovno je zanimljiv high-bias slucaj, gdje za razliku od malih snaga, harmonici ne padaju toliko brzo s porastom njihovog reda. Ovo vec samo po sebi ukazuje da ce se u stvarnosti pojacalo morati podesiti za ocekivano realno opterecenje, i da ce rezultati biti samo donekle usporedivi s simulacijom.
ilimzn
Iron Man
 
Postovi: 979
Pridružen/a: 05 svi 2011, 13:39

Re: NAD S300

PostPostao/la ilimzn » 17 srp 2011, 12:56

Na kraju, ostaje za provjeriti jos jedna putokaz prema odredjivanju optimalne struje mirovanja, a to je ponasanje s drugacijim opterecenjima. Ovdje je vec svega par simulacija pokazalo pravi smjer. Evo spektra izoblicenja na 1W s vec poznatim strujama mirovanja, ali ovaj puta s opterecenjem od 4 ohma:

1) High bias na 4 ohma:
NAD-S300_mod_thd_1W_high_4.gif
NAD-S300_mod_thd_1W_high_4.gif (9.66 KiB) Pogledano 21742 put/a.


2) Optimum za 8 ohma po D. Self-u, na 4 ohma:
NAD-S300_mod_thd_1W_opt_4.gif
NAD-S300_mod_thd_1W_opt_4.gif (10.03 KiB) Pogledano 21742 put/a.


Gornje slike jasno pokazuju koji pristup treba favorizirati - optimum za 8 ohma kompletno kolabira ako se promijeni opterecenje, a i onako je upitnog hramonickog spektra i s optimalnim opterecenjem. S druge strane, iako nominalno izoblicenje poraste gotovo 3 puta u odnosu na 8 ohma, 1W, u high-bias varijanti ostaje sacuvana jedna bitna karakteristika - visi harmonici ostaju jako potisnuti i nakon treceg je sve preko 120dB ispod osnovne frekvencije. U praksi bi dakle trebalo odabrati neko ocekivano srednje opterecenje (u konkretnom slucaju odabrano je 5 ohma), i ocekivana snaga na kojoj ce se najvise slusati (u konkrtnom slucaju je odabran napon 2.83Veff sto normalno odgovara snazi 1W u 8 ohma).

Podesavanje se vrsi osciloskopom tako da jedan kanal pojacala spojimo na drugi preko odabranog opteretnog otpora. Mjereni kanal na ulazu ne dobiva signal, a na izlazu drugog, u ovom slucaju, pomocnog kanala, je postavljen zeljeni napon. Osciloskopom se provjerava izlaz mjerenog kanala, koji za ovakav spoj sadrzi samo komponentu preskocnog izoblicenja, sto je ujedno i dominantni uzrok izoblicenja za ovakvu topologiju.
Uz date uvjete se pazljivo podesava struja mirovanja mjerenog kanala dok se ne nadje optimum valnog oblika. Ovdje treba napomenuti da to nije nuzno najmanja amplituda, treba dobro zagledati u valni oblik - ne smije biti previse 'kvrga' unutar jedne periode mjernog signala, suprotno ukazuje na pojavu harmonika viseg reda.

VRLO BITNO: ovaj nacin mjerenja nije ni izdaleka univerzalno primjenjiv!!! Za pocetak mase izlaza se moraju moci spojiti direktno medju kanalima, sto nije uvijek slucaj (npr. kod bilo kakve balansirane topologije ovo se ni u kom slucaju ne smije ni pokusati). Osim toga, samo mjerenje predstavlja jako veliko i potencijalno opasno opterecenje za mjereni kanal s obzirom da se od njega trazi da isporuci punu struju opterecenja, ali pri naponu izlaza nula, sto je slicno slucaju opterecenja koje je u potpunosti reaktivno. Na izlaznim tranzistorima su u tim uvjetima veliki naponi, i treba odabrati mjerne struje debelo unutar sigurnih granica rada, kao i voditi racuna o generiranju topline. Srecom, ovakva se mjerenja rade na relativno malim snagama. Osim toga, treba pripaziti da se ne aktivira kakva prekostrujna zastita (SOA ili sl.) jersu takve zastite tipicno ovisne o izlaznom naponu i dozvoljavaju manje maksimalne struje za manje izlazne napone.

Rezultat: tesko j eodrediti brojcano iznos izoblicenja, no u svakom slucaju je znatno manji od 0.1% pro odabranoj snazi (signali su dovoljno mali da je sam shum osviloskopa problem), ali je inikativno da su struje mirovanja blize high-bias simulaciji. Za manju mjeru se razlikuju medju kanalima, sto je i za ocekivati, aktivne komponente ipak imaju ne male tolerancije. Jos je vazno reci da niti s originalnim postavkama (oko 100-125mA po izlaznom paru) se nece puno pogrijesiti.
ilimzn
Iron Man
 
Postovi: 979
Pridružen/a: 05 svi 2011, 13:39

Re: NAD S300

PostPostao/la zbotic » 17 srp 2011, 18:03

Ovo je vrlo slično i Densenu. To je taj poznati skandinavski šlamperaj. Iako ta topologija može uistinu biti pravi HI-END.
zbotic
 
Postovi: 2030
Pridružen/a: 04 svi 2011, 07:14

Sljedeća

Natrag na Tweak

Na mreži

Trenutno korisnika/ca: / i 0 gostiju.

cron