aleph 2

Ovdje možete objavljivati vaše radove

aleph 2

PostPostao/la dplav » 09 ruj 2011, 23:25

Aleph 2

Ako nekoga zanima evo i moga projekta Alepha 2 . Karakteristike pojačala su sljedeće:
SPECIFICATIONS
Gain 20 dB balanced, 20 or 26 dB balanced
Freq. Response - 0.5 dB at 2 Hz, -2 dB at 100 KHz
Power Output 100 watts/ch 8 ohms
200 watts/ch 4 ohms
Maximum Output 40 volts, 10 amps
Distortion (1KHz) 0.5 % @ 100 watts, 8 ohms
1% @ 200 watts, 4 ohms
Input Impedance 10 Kohm unbalanced
25 Kohm balanced differential
Damping factor 100 nominal
Output Noise 600 uV unweighted
DC offset < 100 mv
Power Consumption 300 watts
Temperature 25 degrees C. above ambient
Dimensions 12 " W x 12" D x 10.5" H
Shipping Weight 60 lb.

Pojačalo teži oko 85 kg i ima oba kanala u kutiji (original samo jedan kanal u bloku).
Što Vam treba za izradu ovoga pojačala ? Za početak puno volje ( lemljenje elemenata zahtijeva najmanje truda i posla ) i poprilično vremena pri izradi kutije te ugradnje svih elemenata sa svim popratnim sadržajima . Za početak nešto o napajanju i dijelovima korištenim za napajanje . korišteni transformator je iz Nedelišća iz vjerojatno svima poznate a kako nisam siguran za pravila na ovom forumu ne želim navoditi imena da ne dođe do problema , snaga transformatora je 1500 VA (toroidni) i napon sekundara iznosi 2x33 V (ne kao što mnogi koriste napone 35 ili 37 Volti ) . Za ispravljanje korištene su 4 diode RURG 80100 (80 A 1000V) , a filtracija se izvodi sa 4 kondenzatora od po 100 000 uF 50V i blok kondenzatora 4,7 uF 250 V,kondenzatori od 50 V mogu proći ali treba uzeti u obzir da ima samo 5 V tolerancije između njihovog probojnog napona i napona na ispravljaču , bilo kakve veće promjene napona u mreži mogu dovesti do proboja kondenzatora te bi bilo sretnije rješenje uzeti kondenzatore za napon od najmanje 63 Volti , te dva induktiviteta 2,2 mH (moji induktiviteti su dimenzionirani za struju od 20 A ali vjerujem da bi i 10 A bilo dovoljno).
Ispravljač je koncipiran kao jednostavni CLC filtar te nema velikih padova napona od izlaza do ulaza tako da sa trafom od 2x33V bi trebali dobiti napon od +-45V (barem meni je tako ispalo ). Kako se ovdje radi o uređajima koji proizvode dosta induktiviteta odlučio sam se da ih stavim u kutiju u kutiji kako bih što više smanjio djelovanje magnetskoga polja na ostatak elektronike u kutiji .
kutija-za-trafo-i-hladnjake.jpg

na gornju strane kutije dolazi perforirani lim koji bi trebao teoretski odrađivati ulogu Faradejevog kaveza i nakon toga dolazi poklopac od aluminijskog lima na koji sam pričvrstio elektroniku i ostale dijelove ispravljača . Kao što se vidi na slici ima tri odjeljka od kojih je veći za trafo a manji su za induktivitete.
trafo-i-zavojnice.jpg

Razmještaj elektronike je prikazan idućom slikom .
raspored-u-kutiji.jpg

No u krajnjem slučaju napravljene su neke manje izmjene ali samo u položaju pločice na kojoj se nalazi soft start i sklop za paljenje i gašenje pojačala jednom tipkom , i ispravljača od 12 volti koji napaja dio elektronike koji služi za paljenje i gašenje jednom tipkom . Kasnije je sklop za paljenje i gašenje jednom tipkom zamijenjen sa tipkalom koje se zatvara na pritisak te se preko njega pali relej koji dovodi napon na trafo . Razlog zamjene sklopa za uključivanje je taj što je pokazao nestabilnost u radu , odnosno pojačalo se samo palilo i gasilo te je uglavnom bilo potrebno više puta uključivati pojačalo da se upali . Sklop za paljenje i gašenje jednom tipkom prikazano je na sljedećoj slici .
on-off_tipkalo_velika.gif
on-off_tipkalo_velika.gif (5.54 KiB) Pogledano 6382 put/a.

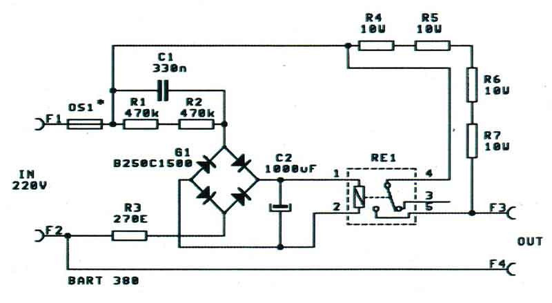
A soft start je izrađen prema sljedećoj shemi
soft-start.jpg

jako jednostavan i dobar soft start a struju ograničujemo mijenjanjem vrijednosti otpora R4,R5,R6,R7 ., u mom slučaju zbroj otpora iznosi oko 33 ohma a snaga otpornika je 17W . 33 ohma zbog toga što struju želim ograničiti na cca 6,5 Ampera a to se dobije tako da napon od 230 Volti podijelimo sa željenom strujom (kod mene je to oko 6,5 Ampera jer je imam trafo od 1500VA dijelimo sa 230 i dobijemo oko 6,5 Ampera) što nas dovodi do oko 35 ohma , a ja sam iso na prvu jednostavniju vrijednost 3x10 ohma + 3.3 ohma . To bi bilo što se tiče napajanja .
Sljedeća i vjerojatno najvažnija stvar je izbor hladnjaka . Hladnjaci ugrađeni u moje pojačalo su Fischerovi hladnjaci SK159 SA 30 centimetara visine .
2011-01-07-16.50.53.jpg

Rashladna sposobnost ovih hladnjaka je oko 0,125 K/W , jednostavnom računicom dolazimo do toga da ovi hladnjaci imaju sposobnost da hlade pojačalo na oko 40 stupnjeva iznad temperature okoliša . No kućište pojačala ima aluminijsko dno i poklopac napravljen od aluminijskog lima debljine 8mm tako da se dio topline hladi i preko dna i poklopca . Sljedećim linkom je prikazana temperatura pojačala nakon 4 sata rada u prostoriji u kojoj je temperatura bila između 33 i 35 stupnjeva http://www.youtube.com/watch?v=csWXjKGZgvs&hd=1 .
Samo kućište pojačala izrađeno je od dva hladnjaka , aluminijskog lima debljine 8 mm za gornju i donju stranicu , lima debljine 2mm na stražnjem dijelu pojačala zbog dužine vijaka buksni i konektora , prednje strane od mramorne ploče debljine 3 cm , vinkla i prečki koje drže pojačalo na okupu .
kutija-u-izradi1.jpg

Ovako je to izgledalo bez mramorne ploče i prije eloksiranja , a ovako nakon  , e da pojačalo se pali na prednjoj ploči tipkalom koje ima svijetleći prsten koji se pali paljenjem pojačala što izgleda otprilike ovako ( igra riječi  ) .
pojacalo-u-testiranju.jpg
pojacalo-u-testiranju.jpg (11.65 KiB) Pogledano 6382 put/a.

Kako i ovako već ima brdo teksta i slika opisivanje uparivanja tranzistora i zener dioda neću opisivati .
Evo ako se nekome svidio projekt ili ima bilo kakvih pitanja slobodno neka posta , isto tako možda sam nešto krivo naveo ili ima bolje rješenje za nešto neka slobodno posta da ja popravim i poboljšam svoj projekta ili da u budućem projektu vodim više računa o nekim stvarima .
dplav
 
Postovi: 64
Pridružen/a: 10 srp 2011, 21:45

Re: aleph 2

PostPostao/la Edison » 09 ruj 2011, 23:43

Zaista impozantno pojacalo. :clap:
Kako ga prenosis/premjestas?
Čovječe pazi da ne ideš malen ispod zvijezda!
Avatar
Edison
 
Postovi: 1180
Pridružen/a: 04 svi 2011, 21:32
Lokacija: Rijeka

Re: aleph 2

PostPostao/la dplav » 09 ruj 2011, 23:50

puno hvala , a iskreno da ti kazem da ga ne premjestam previse ,ali kada ga slucajno i premjestam idem na fintu "decki idete na sok ili pivu " pa ono usput se dgv da ga prenesemo :-)
dplav
 
Postovi: 64
Pridružen/a: 10 srp 2011, 21:45

Re: aleph 2

PostPostao/la Khadgar2007 » 10 ruj 2011, 00:36

Svaka čast na izradi, volim viditi ovakve monstrume jer i sam posjedujem recimo jednog manjeg 2x20W u a klasi. Baš malo gledam ove šemice i izradu i jako dobro napravljeno, meni se sviđa, ista kutija kao i moja.

E sada malo prijedloga, ča se tiče paljenja na tipkalo ne treba nikakav drugi trafo i elektronika. Postoji bistabilni relej koji se spaja drito na 220V i upravo radi to da sa tipkalom možeš paliti i gasiti.
"Nakon prve čaše vidite stvari onakvim, kakve bi vi htjeli da budu. Nakon druge vidite ih onakvim, kakve nisu. Na kraju ih vidite onakvim, kakve zaista jesu, što je najgora stvar na svijetu."
Avatar
Khadgar2007
 
Postovi: 2488
Pridružen/a: 05 svi 2011, 16:44
Lokacija: Sisak

Re: aleph 2

PostPostao/la Eko Eko » 10 ruj 2011, 10:05

Dplav, svaka čast ! Ovo zaslužuje naći se u galeriji na Nelsonovoj stranici ! Glede paljenja-gašenja tipkalom postoji provjerena shema sa NE 556 na:
http://www.audiofil.net/forum/forum_posts.asp?TID=10943&KW=tipkalo&PN=2.
Koristio sam je u 3 pojačala bez ikakovih nuspojava.
Eko Eko
 
Postovi: 85
Pridružen/a: 07 svi 2011, 13:04

Re: aleph 2

PostPostao/la dplav » 10 ruj 2011, 15:10

Khadgar2007 je napisao/la:Svaka čast na izradi, volim viditi ovakve monstrume jer i sam posjedujem recimo jednog manjeg 2x20W u a klasi. Baš malo gledam ove šemice i izradu i jako dobro napravljeno, meni se sviđa, ista kutija kao i moja.

E sada malo prijedloga, ča se tiče paljenja na tipkalo ne treba nikakav drugi trafo i elektronika. Postoji bistabilni relej koji se spaja drito na 220V i upravo radi to da sa tipkalom možeš paliti i gasiti.


E hvala što se tice prijedloga ali nesto slicno sam i napravio , moze biti da sam izostavio u tekstu ali elektroniku sam izbacio , ostavio sam samo trafo i relej na 12 Volti i zamjenio tipkalo drugim koje se zakljucava na pritisak . Trafo od 12 volti je ostavljen iz razloga da mi preko tipkala ne prelazi 220 V vec 12 Volti koji ukljucuju relej , a relej od 12 Volti koristim iskljucivo zbog sigurnosnih razloga . Hvala na prijedlogu i na pohvalama .
dplav
 
Postovi: 64
Pridružen/a: 10 srp 2011, 21:45

Re: aleph 2

PostPostao/la dplav » 10 ruj 2011, 15:11

Eko Eko je napisao/la:Dplav, svaka čast ! Ovo zaslužuje naći se u galeriji na Nelsonovoj stranici ! Glede paljenja-gašenja tipkalom postoji provjerena shema sa NE 556 na:
http://www.audiofil.net/forum/forum_posts.asp?TID=10943&KW=tipkalo&PN=2.
Koristio sam je u 3 pojačala bez ikakovih nuspojava.

uh ovo je definitivno pohvala i pol , puno hvala i tebi :D
dplav
 
Postovi: 64
Pridružen/a: 10 srp 2011, 21:45

Re: aleph 2

PostPostao/la tom_hifi » 10 ruj 2011, 16:22

Ne vidim nikakvih komentara o zvuku iz ove "grdosije".

Svaka čast na trudu i volji.
Avatar
tom_hifi
 
Postovi: 2087
Pridružen/a: 16 kol 2011, 17:33
Lokacija: Oroslavje

Re: aleph 2

PostPostao/la s@ki » 10 ruj 2011, 16:39

lijepi kalorifer :D
mene je sve strah dovršit svoje dok je još ljeto :D

dojmovi ? na što je spojeno?
Budimo UNIVERZALNI
Avatar
s@ki
 
Postovi: 1465
Pridružen/a: 05 svi 2011, 14:39

Re: aleph 2

PostPostao/la joe dalton » 10 ruj 2011, 23:18

Svaka čast, lijep rad. Vidi se da si sve pažljivo promišljao. :clap:
Imam samo par primjedbi na opis, više kao ispravak netočnog navoda.
dplav je napisao/la: Što Vam treba za izradu ovoga pojačala ? Za početak puno volje ( lemljenje elemenata zahtijeva najmanje truda i posla ) i poprilično vremena pri izradi kutije te ugradnje svih elemenata sa svim popratnim sadržajima . Za početak nešto o napajanju i dijelovima korištenim za napajanje . korišteni transformator je iz Nedelišća iz vjerojatno svima poznate a kako nisam siguran za pravila na ovom forumu ne želim navoditi imena da ne dođe do problema , snaga transformatora je 1500 VA (toroidni) i napon sekundara iznosi 2x33 V (ne kao što mnogi koriste napone 35 ili 37 Volti ) . Za ispravljanje korištene su 4 diode RURG 80100 (80 A 1000V) , a filtracija se izvodi sa 4 kondenzatora od po 100 000 uF 50V i blok kondenzatora 4,7 uF 250 V,kondenzatori od 50 V mogu proći ali treba uzeti u obzir da ima samo 5 V tolerancije između njihovog probojnog napona i napona na ispravljaču , bilo kakve veće promjene napona u mreži mogu dovesti do proboja kondenzatora te bi bilo sretnije rješenje uzeti kondenzatore za napon od najmanje 63 Volti , te dva induktiviteta 2,2 mH (moji induktiviteti su dimenzionirani za struju od 20 A ali vjerujem da bi i 10 A bilo dovoljno).


Ako na kondenzatorima piše 50 V to je njihov nazivni napon. Na tom naponu i deklariranoj temperaturi mogu raditi deklarirani broj radnih sati prema datasheetu. Dozvoljeno je čak kratkotrano prekoračenje tog napona bez posljedica (prekoračenje naravno u razumnim granicama). Probojni napon je nešto sasvim drugo. Ilimzn je pisao nedavno odličan post na tu temu, vrijedi potražiti.
Znači kondići 50 V nazivno na 45 V napajanja su malo na knap, ali ok. Ako im nije prevruće poživjet će prema datasheetu. Da su 63 V dulje bi trajali.
Ja imam kondiće 63 V na napajanju 56 V (znači isto samo 10ak % rezerve) i rade godinama bez problema.

dplav je napisao/la: Ispravljač je koncipiran kao jednostavni CLC filtar te nema velikih padova napona od izlaza do ulaza tako da sa trafom od 2x33V bi trebali dobiti napon od +-45V (barem meni je tako ispalo ). Kako se ovdje radi o uređajima koji proizvode dosta induktiviteta odlučio sam se da ih stavim u kutiju u kutiji kako bih što više smanjio djelovanje magnetskoga polja na ostatak elektronike u kutiji .


Vjerojatno si mislio na rasipno magnetsko polje? Induktivitet je kao i omski otpor i kapacitet svojstvo elementa koje ovisi isključivo o geometriji i materijalu.

Moje primjedbe su ovdje isključivo edukacijskog karaktera i molim te nemoj ih shvatiti zlonamjerno.
Još jednom pohvale, zaista impresivno pojačalo.
Čudi me da iz praktičnih razloga nisi išao na monoblokove?
Avatar
joe dalton
 
Postovi: 770
Pridružen/a: 06 svi 2011, 10:14
Lokacija: Zagreb

Sljedeća

Natrag na Vaši radovi

Na mreži

Trenutno korisnika/ca: Google Adsense [Bot] i 2 gostiju.