Obecao sam par objasnjenja u vezi DAC-a u Onkyo DX7310 i spajanja istog na buffer...
Za pocetak malo teorije. DAC u 7310 je NPC-ov SM5872. Radi se o bitstream DAC-u s ugradjenim digitalnim filterom.
Princip rada sklopa je takav da se digitalni signal prvo resamplira na 8xFs, zatim se digitalno filtrira, i na kraju dodatno resamplira za jos 4x vise, dakle ukupno 32Fs, gdje je Fs naravno 44.1kHz. Ulazni clock u DAC je jos 12x visi od toga, tako da se izlaz 32x resamplanih podataka kodira u 13-polozajni PWM signal, koji se pojavljuje na izlazima RO/RON za desni i LO/LON za lijevi kanal. Ovo zadnje zapravo znaci da se 32x oversamplani signal pretvara u impuls duljine od 0 do 12 taktova master clock-a, koji radi na 16.9344MHz. Izlazni signal iz DAC-a je dakle kvadratni impuls varijabilne sirine frekvencije 16.9344/12 = 1.4112MHz. Zadatak vanjskog analognog filtera je izmedju ostalog da isfiltrira tu frekvenciju iz izlaznog signala.
Iako se princip rada cini relativno jednostavnim, u stvarnosti postojipar detalja i finesa na koje treba paziti da bi sve ispravno radilo. Za pocetak, u stvarnosti se na izlazu konvertera nikada ne pojavljuje kvadratni signal sirine nula ili 12 taktova, to osigurava da svaka perioda kvadratnog signala zaista bude perioda, tj. da ima i visoko i nisko stanje. No, veci je problem sto sirine kvadrata koje imaju neparni broj taktova, imaju pomak od pola takat u odnosu na sredinu periode, jer se signal moze samo mijenjati na svakoj dvanaestini periode, sinhrono s mastyer clock-om. Da bi se to anuliralo, signal je izveden diferencijalno, pa je u jednom od izlaza u diferencijalnom paru pomak na desno, au drugom u lijevo. Kada se to protjera kroz analogiju na izlazu, greska se usrednji i ukupni impuls opet zavrsava oko centra kao sto bi i trebao. To je ilustrirano na dijagramu iz datasheeta ispod:

- DX7310_DAC1.gif (19.14 KiB) Pogledano 10101 put/a.
Ostavio sam teks iznad dijagrama jer upravo to pise u njemu. Na dijagramu je na vrhu u sredini oznacena simetrala, tj. sredina izlaznog impulsa. Ono sto je bitno reci je da je odstupanje od sredine impulsa po definiciji jitter. Iako koristenje samo jedog od izlaza u diferencijalnom paru teoretski daje sav izlazni signal, za svaki izlazni impuls neparne duljine ne postoji ponistavanje jittera, i to osuzima poprilicnu koplicinu rezolucije DAC-a.
Sad jos malo teorije: ovaj DAC de-facto resamplira signal na 32Fs. Teorija kaze da je moguce izvuci kompletan signal na Fs ako se sampling poveca N puta, a isto toliko smanji broj stanja kojim se signal prikazuje. Za 16 bita, to je 2^16 ili 65535 stanja. Kada se sve to izracuna, isto bi bilo da je signal na 32Fs ali ima 11 bita (vrlo pojednostavljeno, da n ekompliciram). No, signal u stvarnosti ima samo 11 stanja sto je ekvivalent niti 3.5 bita. Kako pomiriti tu matematiku? Trik je u tome da se kod ovakvih konverzija, tj. re-samplinga ili tocnije, re-kvantizacije, stvara kvantizacijski shum. To je zapravo razlika originalne preciznosti u kojoj je signal prikazan, i one nakon re-kvantizacije. Ovdje je to signal otprilike preciznosti 7.5 bita, tj. toje zapravo ekvivalent gubitka preciznosti. Da bi se ipak mogao dobiti ispravan izlazni signal do Fs/2 (sto odgovara audio podrucju frekvencija po CD definiciji), ovaj proces koristi jedan odlican 'trik' - koji se naziva noise shaping, ili u direktnon prijevodu, oblikovanje shuma. Konkretno, ovdje se radi o oblikovanju frekventnog spektra shuma kvantizacije. On bi kod klasicne rekvantizacije iznhosio onih 7.5 bita od frekvencije 0 do 32Fs. Posebnim procesom se shum tako oblikuje frekvencijski da ga na niskim frekvencijama u odnosu na 32FS ima cim manje, a ono sto je tamo smanjeno, je prebaceno u podrucje blize 32Fs. Buduci da nas na kraju ipak samo zanima Fs/2, prakticki 63x vece podruycje frekvencije do 32Fs nam stoji na raspolaganju da tamo 'pospremimo' kvantizacijski shum. Zgodna je stvar u toj prici, sto vanjski filter upravo sluzi tome da taj kvantizacijski shum jednostavno isfiltrira jer se nalazi u podrucju visokih frekvencija koje nnije od interesa. Rezultat je podrucje niskih frekvencija, konkretno audio frekvencija, u kojem je kvantizacijski shum ostao toliko nizak, da je efektivna rezolucija barem zeljenih 16 bita. Otkrice ovog procesa je apsolutno kljucno da bi bitstream konverteri uopce mogli biti realnost, a kljucno je za prakticki sve DA konvertere koji se danas rabe za audio i sire.
Cemu ta mala disertacija na tu temu? Sreca u nesreci po pitanju problema s jitter-om kada se koristi sano jedan izlaz iz diferencijalnog para na SM5873 DAC chipu je upravo u tom procesu. Kvantizacijski shum se u izlaznom signalu upravo pojavljuje kao varijacija sirine izlaznih impulsa, koja je za prakticne svrhe jednaka shumu. Ta shumna komponenta rezultira da za isti izlazni signal prije noise shaping procesa, izlaz moze poprimiti i parne i neparne sirine impulsa, umjesto samo jednu od te dvije sirine. Da toga nema, izlazni signal bi imao cujne artefakte, sto bi izlaz cinilo posve neupotrebljivim. Ovako je pojava tih gresaka 'rasprsena' po frekventnom spektru, i to upravo onako kako je rasprsen i kvantizacisjki shum - najvecim dijelom izvan cujnog podrucja. Medjutim, buduci da je signal u startu izoblicen, sustav ne potiskuje samo shum, pa ukupno potiskivanje nezeljenog signala nije dovoljno za punu 16 bitnu rezoluciju iz DAC-a. U konkretnom slucaju, to se cuje kao pozadinski shum koji je prisutan i kada s CD-a izlazi 'tisina' tj. digitalna nula. Lako se cuje na slusalice ako se direktno spoje na izlaz, i ne treba ga zamijeniti s shumom cijevi - u bufer konfiguraciji, s ispravno izvedenim napajanjem i plocicom, ukoliko nema oscilacija, 6N6P mora biti smrtno tiha - a ovako kako je spojeno, to nece biti slucaj.
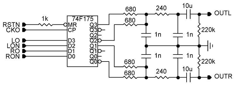
Jedno rijesenje je izvesti eksterno pretvaranje diferencijalnog u single-ended signal na razini bitstream-a koji izlazi iz DAC-a. U tom slucaju se izlaz iz DAC-a tretira kao digitalni signal na razini gore opisanih impulsa, tj. pravokutnog signala s modulacijom sirine impulsa. Evo jednog sklopa koji bi to mogao odraditi:

- DX7310_DAC2.gif (9.51 KiB) Pogledano 10101 put/a.
Sklop zapravo re-clocka izlaz iz DAC-a ali tako da prethodno invertira izlaze LON i RON koji su zapravo 'negativni', protufazni, tj. invertirani signal u diferencijalnom paru. Nakon toga se izlaz zbraja preko otpornika koji cini prvi stupanj RCRC pasivnog filtera. Kada bi se samo spojili otpori 680 ohma, dobio bi se tocno signal kao u trecem i sestom grafu na dijagramu izlaznih signala iz DAC-a. Napomena, chip na shemi treba biti 74AC175 ili 74HC ili HCT 'za silu'. Filter je tako slozen da mu je -3dB tocka na visokih 200kHz ali to garantira da je pad frekventne karakteristike na 20kHz svega 0.1dB. Prigusenje 1.4... MHz nosece frekvencije PWM-a je oko 25dB. Moguce je dodati i treci stupanj (R=180 ohma, C=1nF) sto povecava prigusenje ali i izlaznu impedanciju filtera. Ovako kako je, impedancija je oko 600 ohma na audio frekvencijama i pada prema visim frekvencijama, sto znaci da sklop moze tjerati gotovo sve direktno spojen na izlaz.
Kriticna je stavka u tom sklopu napajanje chipa. Ono je zapravo analogno napajanje i njegov iznos direktno odredjuje amplitudu izlaznog signala, drugim rijecima, sve smetnje u tom napajanju se direktno preskilavaju na izlaz kad god je stanje na izlazima chipa logicki 1, tj. visoko, jer u tom slucaju ship zapravo spaja napajanje na izlaz. Za suprotno stanje, logicka 0, spaja se izlaz na nulu. Unutrasnji otpor chipa je svega nekoliko ohma za AC verciju, i nekoliko desetaka ohma za HC/HCT.
Druga bitna stavka u kvaliteti izlaznog signala je kvalitgeta master clock-a. DAC chip u sebi ima oscilator koji je zaduzen za generiranje tog clocka. Iako je jednostavan, u principu je sasvim dostatan ukoliko se obrati paznja na kvalitetu 'infrastrukture' oko chipa. Na zalost, ovdje je u DX 7310 napravljena greska - vjerojatno namjerno, da se da mjesta za jace modele koji takodjer koriste isti DAC. Evo jednog dijela sheme CDPa s DAC-om:

- DX7310_clk.gif (41.88 KiB) Pogledano 10101 put/a.
Pogled na nacrt stampe ce pokazati da je XVss, sto je masa clock oscilatora, kako treba izvedena na malom 'otoku' na koji se spajaju C336, C337, C114 i C113, kondenzatori za opterecenje kvarca i lokalno filtriranje napajanja. No, kriticni problem je spoj oznacen crvenom strelicom - napajanje oscilatora je direktno spojeno na digitalno napajanje cijelog CDP-a. To j enapajanje prepuno raznih smetnji iz sve digitalije CDP-a, koja vecinom niti nema veze s signalom koji se obradjuje. Kvaliteta clocka dorektno je ovisna o kvaliteti tog napajanja, i svaka smetnja u njemu se pretvara u jitter u clocku. Na zalost moja kopioja manuala nije najbolja ali cini se da napajanje dolazi preko J177 na XVdd i onda preko J178 koji je ispod DAC chipa, na DVdd, a to je pin digitalnog napajanja za DAC chip.
Ta bi dva jumpera trebalo otkloniti, i DVdd spojiti direktno ispred J177. Od tog trena imamo nekoliko opcija.
Vec stavljanjem nekakvog otpora prema XVdd, recimo 100 ohma, formiramo filter napajanja od tog otpora i kondenzatora C113 i C114. Jos bolja opcija je umjesto otpora s DVdd spojiti otpor s AVdd, koje je 'tiho' analogno napajanje. Eventualno blago preslusavanje 16.9344 MHz u izlaz se mzoe zanemariti s obzirom da ga izlazni filter ionako uklanja. A najbolje je rijesenje napraviti jednostavan shunt regulator za XVdd. Jedan od nacina je preseliti C114 na pinove C113 ispod stampe, a na mjesto C114 staviti dvije zelene LED u seriju. Zatim, XVdd spojiti na +8V analogno napajanje za OP-ampove preko FET srujnog izvora, recimo s BF245, odabranog za struju barem 10mA (jednostavno se spoji S i G zajedno i takav element predstavlja 'strujnu diodu' sa anodom na D a katodom na S). Iako je ovakav sklop super-jednostavan, smanjuje smetnje na XVdd pinu tipicno za nekoliko redova velicine, s poprilicno cujnim poboljsanjem kvalitete izlaza. Naravno, moguca su i kompleksnija rijesenja, pogotovo ako se koristi sklop iznad za konverziju diferencijalnih izlaza u SE, tada je clock ulaz na 74AC175 najbitniji kad se tice jittera, pa je logicno da se odmah pored napravi kvalitetni oscilator, s kojeg se onda spoji signal na DAC chip kako eksterni clock, sto je objasnjeno u datasheet-u.