Kako nam je poluvodicka sekcija foruma malo neaktivna, evo da otvorim jednu temu.
2SK170 fet je virujen vecini dobro poznat i hvaljen (ne bez razloga) po svojoj malosumnosti tako da obicno kad ga se spomene vecini odma pada na pamet MC ulaz. Ali kako danas vecina ljudi ipak koristi CDP zasto ne ukazat na njegovu upotribu u recimo non-os DACu?
Virovatno nisam prvi koji je dosal na ideju da se ta njegova izrazita malosumnost iskoristi u non-os DACu sa TDA1541 i time stavi sam TDA1541 u puno optimalniji rezim nego ca je u vecini konstrukcija. Kako je poznato, TDA1541 ima strujni izlaz koji ostvaruje 4mAp-p ali ne trpi velike otpornike u I/U konverziji tako da se u vecini konstrukcija trazi neki kompromis i opteretni otpornik se generalno uzima negdi izmedju 15 i 27 oma. To su jos uvik vridnosti di nima previse negativnih efekata a pri njima se ostvaruju izlazni signali od 60 do108mVp-p tako da pitanje "besumnosti" onoga ca je iza TDA1541 nije od toliko presudnog znacaja. I mada to nije najoptimalniji rezim za sam TDA1541, rezultati su dobri.
Ali kako je diy radoznalost uvik prisutna, zac ne isprobat i obrnuti put pa stavit TDA1541 cim blize optimalnom teretu (nula oma). Naravno, u praksi bas ne moze bit skroz nula oma jer bi inace prakticno neophodno bilo koristit opamp za I/U konverziju. A opamp nije bas najomiljenija komponenta pa bi virovatno vecina radije tu vidila nec diskretno. I to gotovo automatski vodi na pomisal o 2SK170 jer njegova malosumnost omogucuje da se izlaz TDA1541 optereti sa vrlo malim otpornikom a da time dobivena mala naponska amplituda signala ne bude ugrozena sumom. Ako se recimo uzme otpornik od svega 1,5 oma dobit ce se na njemu signal od svega 6mVp-p ali to je za 2SK170 vise nego dovoljno.
TDA1541 nije naravno jedini DAC chip na koga se ova razmatranja odnose, ovdi je uzet ka primjer.
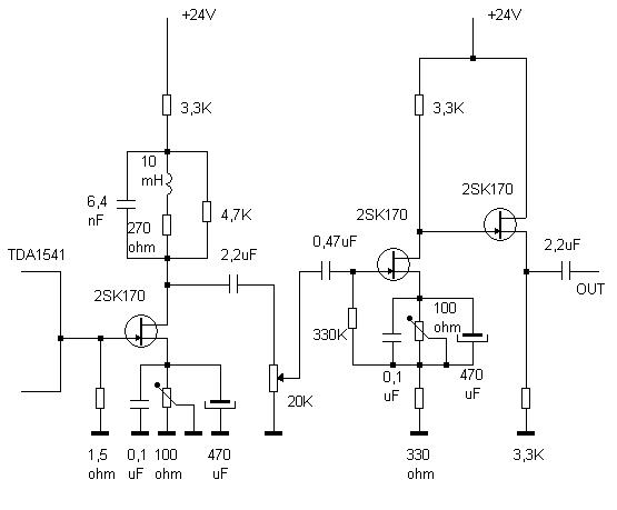
Shema doli prikazuje jedan od mogucih nacina upotribe 2SK170 sa TDA1541. Nije naravno sklopljena i "provjerena" ali to kod ovakvih jednostavnih sklopova koji ce prodelat iz prve ne znaci nista. Na njoj prvi 2SK170 prihvaca taj mali signal od 6mVp-p i pojacava ga nekih 60 puta. Taj dela bez source degeneracije jer mu sa obzirom na nivoe signala ni potribno povecavat linearnost. Ova ikebana u drainu predstavlja mrezu koja kompenzira onaj -3dB pad na 20kHZ. I mada izgleda kompleksno, ne triba je se plasit jer nece bit nikakvog motanja zavojnice (ta je 10mH iz Farnellove ponude).
Iza tog stupnja je pot za regulaciju jacine a nakon njega drugi 2SK170 ostvaruje potribno pojacanje za pobudu izlaznog stupnja. Kako se ovdi radi sa vecim signalima, moral je dobit source degeneraciju radi linearnosti. Treci 2SK170 je izlazno sljedilo koje osigurava vrlo mali izlazni otpor.
Naponi napajanja su oko 24V a oni trimeri sluze za podesavanje struja kroz 2SK170 na nakih 3,5mA
Shema je tek nacrtana tako da nije nemoguce da se potkrala koja greska. To cu kasnije provjerit i po potribi ispravit. Ako bude interesa, uvik se moze razvit opsirnija diskusija o ovome
