Da samo ponovim jer je tu malo ostalo nejasno pa da smanjim pritisak na INBOX:
Ispravak glede točke za dizanje potencijala grijača : na onu malu dodatnu pločicu gdje su stavljeni
otpornici 100ohm/2W i gdje je stavljena dioda i otpornik 3,3K za LED-icu ne trebate stavljati i
220K - 68k sa blokom prema masi jer ih naime - već imamo na samoj pločici ispravljača Ovo vrijedi ako ste radili ispravljač točno po uputi pa atenuaciju 220K-68K imamo na pločici ispravljača.
Zaboravo sam da smo ga već napravili na (pogledati početak uputa), tako da je na maloj pločici on nepotreban,
prošlo je previše dana između uputa za ispravljač i uputa za ostatak ampa, pa to ti je .....
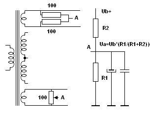
Malo je ljudima nejasno što su ti otpori 100ohm i gdje se spajaju - to je primjer kao na shemi
gornjeg izvoda sekundara.
Dolje je opcija sa potenciometrom, koja nam sada nije od značaja, nju ćemo obrađivati kad ćemo
raditi DAH 2 sa 2a3 ili 300B


- 20100922_215950_cent-grijanje.jpeg (10.12 KiB) Pogledano 5633 put/a.
I'm too old for this s...