PCL805 protufazni UL-stereo integrirac

Re: PCL805 protufazni UL-stereo integrirac

PostPostao/la davorin » 04 sij 2013, 13:24

Loš kvalitet i brzo starenje novo-proizvedenih elektronki ("tvrdi" liberalni kapitalizam :mrgreen: ) prisiljava puno konstruktora da se okrenu dobu kad je proizvodnja elektronki bila na visokom nivou i primarna za tadašnju elektroniku. Zlatno doba kvalitete i dugotrajnosti je bio ujedno i kraj velikoserijske proizvodnje, jer su nadolazeći puno jeftiniji poluvodiči svojim razvojem postupno supstituirali elektronke u svim sklopovima. Dobra strana tadašnje proizvodnje je bila ta što su proizvedene nevjerojatno velike količine elektronki za servisiranje postojećih uređaja, a koje nisu iskorištene jer su poluvodički uređajai došli, tako reći preko noći, i zamijenili elektronke u svim potrošačkim kućnim uređajima. Ta brzina zamjene je iznenadila i proizvođače i servisere te ostavila ogromne količine elektronki, prvobitno namjenjene za servisiranje, neiskorištenima jer su uređaji s njima rashodovani nakon prvih kvarova. Iz tog doba nam je ostao veliki broj elektronki (prvenstveno "P" serije u Evropi, a još veće gomile elektronki u ostatku svijeta! :lol: ) koje nisu stigle biti iskorištene za konstrukciju uređaja različitih od prvobitne namjene.
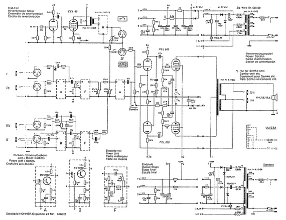
Našao sam na kraju jednu (možda i jedinu?) profesionalnu upotrebu elektronke PCL805 u serijskom uređaju HOHNER-Orgaphon 24 MH gdje, po podacima prizvođača daje punih 25W izlazne snage!
Privitak/ci
Orgaphon 24 MH-a.jpg
Orgaphon 24 MH-a.jpg (133.19 KiB) Pogledano 10311 put/a.
Orgaphon 24a.jpg
Orgaphon 24a.jpg (122.38 KiB) Pogledano 10311 put/a.
davorin
 
Postovi: 1011
Pridružen/a: 14 stu 2011, 16:48
Lokacija: Zadar

Re: PCL805 protufazni UL-stereo integrirac

PostPostao/la tom_hifi » 04 sij 2013, 13:43

Eto davorine, htio ili ne, imaš već što prezentirati na TF-u :) ;)
Avatar
tom_hifi
 
Postovi: 2087
Pridružen/a: 16 kol 2011, 17:33
Lokacija: Oroslavje

Re: PCL805 protufazni UL-stereo integrirac

PostPostao/la davorin » 04 sij 2013, 13:48

tom_hifi je napisao/la:Eto davorine, htio ili ne, imaš već što prezentirati na TF-u :) ;)

To je valjda već deseti uređaj koji sam napravio nakon zadnjeg TRIODE festivala, a nisam niti siguran da će za slijedeći TRIODE festival u Šibeniku biti još kod mene! :lol:
davorin
 
Postovi: 1011
Pridružen/a: 14 stu 2011, 16:48
Lokacija: Zadar

Re: PCL805 protufazni UL-stereo integrirac

PostPostao/la tom_hifi » 04 sij 2013, 14:08

:lol: Znači, ako bude slobodno u firmi, opet dva tjedna prije TF-a će biti ubrzano u radioni, jel? :mrgreen:
Avatar
tom_hifi
 
Postovi: 2087
Pridružen/a: 16 kol 2011, 17:33
Lokacija: Oroslavje

Re: PCL805 protufazni UL-stereo integrirac

PostPostao/la davorin » 04 sij 2013, 15:05

Podaci o namotajima i spajanju namotaja izlaznog transformatora:
Privitak/ci
006d.jpg
006d.jpg (200.3 KiB) Pogledano 10292 put/a.
davorin
 
Postovi: 1011
Pridružen/a: 14 stu 2011, 16:48
Lokacija: Zadar

Re: PCL805 protufazni UL-stereo integrirac

PostPostao/la davorin » 06 sij 2013, 13:29

Male promjene u ispravljaču:
Privitak/ci
048f.jpg
048f.jpg (91.93 KiB) Pogledano 10245 put/a.
davorin
 
Postovi: 1011
Pridružen/a: 14 stu 2011, 16:48
Lokacija: Zadar

Re: PCL805 protufazni UL-stereo integrirac

PostPostao/la bepone » 06 sij 2013, 22:59

oj davorin, super za trafic, to je raspolovljena bobina i lijevi i desni namotaji se motaju u kontra smjerovima?
lijeve polovice s lijeva na desno a desne polovice s desna na lijevo?
bepone
 
Postovi: 706
Pridružen/a: 06 svi 2011, 08:51

Re: PCL805 protufazni UL-stereo integrirac

PostPostao/la davorin » 06 sij 2013, 23:14

Da tijelo kalema je podjeljeno na dva jednaka dijela gdje se naizmjenice motaju sekundarni i primarni namoti.
Svi namotaji su motani u istom smjeru, osim 2 namotaja što čine polovicu primara na koju se spaja 1 elektronka (Anoda i G2 na izvod; jedna faza).
Takav raspored namotaja je preporučila firma TELEFUNKEN za protufazna pojačala do 20W i donje frekvencije od 30Hz (puna snaga). Za veće snage i niže granične frekvencije imaju nešto drugačiji preporučeni raspored namota (i spajanja) i veći broj sekcija.
Oznake na namotajima označavaju smjer motanja (L i D).
davorin
 
Postovi: 1011
Pridružen/a: 14 stu 2011, 16:48
Lokacija: Zadar

Re: PCL805 protufazni UL-stereo integrirac

PostPostao/la bepone » 06 sij 2013, 23:30

nije mi bas jasno.. koliko je zavoja po sloju primara - na jednoj strani raspolovljene bobine ?
bepone
 
Postovi: 706
Pridružen/a: 06 svi 2011, 08:51

Re: PCL805 protufazni UL-stereo integrirac

PostPostao/la davorin » 06 sij 2013, 23:42

bepone je napisao/la:nije mi bas jasno.. koliko je zavoja po sloju primara - na jednoj strani raspolovljene bobine ?

Vidi se iz crteža da se svaka polovica primara sastoji od namotaja od 575+315 zavoja sa jedne strane, što je spojeno serijski sa 445 zavoja sa druge strane kalema.
Ukupno polovica primara ima 1335 zavoja, odnosno cijeli primar ima ima 2670 zavoja 0,20mm CuLak žice.
Sekundar se sastoji od paralelnog spoja 2 grupe namota, a svaka drupa ima 3 serijski spojena namotaja od 31 zavoj 0,60mm CuLak žice. Dakle sekundar se sastoji od dva parelno spojena namota od 93 zavoja.
davorin
 
Postovi: 1011
Pridružen/a: 14 stu 2011, 16:48
Lokacija: Zadar

PrethodnaSljedeća

Natrag na Cijevna tehnika

Na mreži

Trenutno korisnika/ca: Google [Bot] i 3 gostiju.