6S19P headamp

Re: 6S19P headamp

PostPostao/la joe dalton » 01 ruj 2011, 21:41

harkonen je napisao/la:Joe, znaš šta?
S obzirom da si sam odlučio iskonstruirati amp od početka, izgurao ga do kraja,
izveo ga na uporabni put, dakle - mislim da si zaslužio da dobiješ titulu
diyera ljeta gospodnjega 2011-tog, s naglaskom na ljeto!

Na jesen će te ionako neko s ove stranice teme naslijediti.... ;)

Polaskan sam nominacijom :oops:
Ovo ipak vidim kao projekt zajednice (foruma). Posebno sam zahvalan tebi kao mentoru i donatoru kljucnih dijelova. A naravno i svim drugim forumasima koji su dali konstruktivan doprinos temi.
Avatar
joe dalton
 
Postovi: 770
Pridružen/a: 06 svi 2011, 10:14
Lokacija: Zagreb

Re: 6S19P headamp

PostPostao/la harkonen » 01 ruj 2011, 21:49

Ajde, ajde, nemoj biti skroman.
I ja kao i Sstrsat mislim da ti se i ovakva konstrukcija u autu neće raspast'
na putu za Varaždin..... :-)
I'm too old for this s...
Avatar
harkonen
 
Postovi: 2195
Pridružen/a: 04 svi 2011, 14:27
Lokacija: Bjelovar

Re: 6S19P headamp

PostPostao/la joe dalton » 01 ruj 2011, 22:06

Ma previse je tu improvizacije, neke tanke zicice samo sto ne puknu. A i previse je izlozenih dijelova pod naponom. Pa necu valjda biti kao neke velike firme koje izbacuju na trziste poluproizvod.
Bit ce uspjeh ako uspijem samog sebe dovuc u Vz.
Avatar
joe dalton
 
Postovi: 770
Pridružen/a: 06 svi 2011, 10:14
Lokacija: Zagreb

Re: 6S19P headamp

PostPostao/la harkonen » 10 stu 2011, 21:15

Da izvučem malo iz "prašine" ovu temu, vrlo je zahvalna za izgradnju,
da li je i opasna po korisnika, ne znam, Joa nema neko vrijeme,
nadam se da nije oglušio..... :)
Ali ako ovo pročita, nek zna da možda ne bi bilo loše
nacrtati kompletnu shemu sa izmjerenim naponima, modelima halogenki,
ispravljačem itd, te to sve objediniti na jednom postu. Čisto da se
zainteresirani samograditelji lakše snađu, pa kad vide da si živ i čio,
vjerovatno će lakše odlučiti napraviti ovakav amp.
A i zanima nas poslije par mjeseci kako to radi danas?
Da li si radio još kakave korekcije?
I'm too old for this s...
Avatar
harkonen
 
Postovi: 2195
Pridružen/a: 04 svi 2011, 14:27
Lokacija: Bjelovar

Re: 6S19P headamp

PostPostao/la joe dalton » 11 stu 2011, 01:58

Evo živ sam i čitav.... manje-više. :mrgreen:
Kako su me stisle druge obaveze imam relativno malo vremena za hobi.
Uglavnom tek nedavno sam konačno sredio napajanje tako da je napon ok uz prihvatljive disipacije na otpornicima RC članova.
Planirao sam ovih dana i nacrtati i postati sheme, a evo ti si me oživljavanjem teme malo pogurao pa sam večeras konačno i to riješio.
Amp je na iverici, nije još dočekao kutiju.
6S19P_headamp_DC_coupl_built.JPG
6S19P_headamp_DC_coupl_built.JPG (18.2 KiB) Pogledano 7370 put/a.


Kao katodni otpornik upotrebljena je halogena lampa 230V, 25W koja na 128V ima otprilike 1800 Ohma i bez problema disipira 10ak W koliko se troši na njoj. Čak i daje oko 1W svjetla :mrgreen: .
Izlazni kond je 80u motorski polipropilen. Meni na 300 Ohmskim slušalicama ne fali basa. Za niskoohmske slušalice bi trebao veći izlazni kond, ali tu je onda damping faktor već dosta nizak tako da ne znam koliko uopće ima smisla spajati takve slušalice. To tek moram probati.

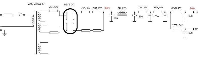
A evo i napajanja:
6S19P_headamp_napajanje.JPG
6S19P_headamp_napajanje.JPG (19.08 KiB) Pogledano 7370 put/a.


Moglo je biti i manje RC članova, možda sam i pretjerao s filtracijom, ali napon trafoa je ispao nešto viši nego je planirano pa je to trebalo negdje potrošiti.
Otpornici u napajanju su 5W, a disipacija na svakome oko 2W.

Grijanje cijevi nisam nacrtao na shemi. Kao što sam već bio napisao samo drajverica (u mom slučaju PCC88) ima stabilizirano grijanje, ispravljačica i izlazne 6S19 se griju AC. Bruma nema.

Ako sam nešto zaboravio napisati pitajte.
Stojim na raspolaganju svim eventualnim budućim graditeljima.
Avatar
joe dalton
 
Postovi: 770
Pridružen/a: 06 svi 2011, 10:14
Lokacija: Zagreb

Re: 6S19P headamp

PostPostao/la harkonen » 11 stu 2011, 08:54

Odličnjak.
Za nižeohmske naglavnike samo primjeni povratnu vezu i tako smanji impedanciju
izlaza, sa ovim lampama te strujno gledano kao i potrebnim naponskim pojačanjem,
imaš prilično rezerve za ići dosta nisko..... probati svakako.
A za NPV puritance, 6C33 u sljedilu uvijek ostaje kao izbor.
Tri u paraleli, naravno.
Šalu na stranu, za niskoohmske slušalice nema drugog ekonomičnog full cijevnog rješenja,
(dakle, naglasak na ekonomičnost izvedbe, jedan ispravljač,jedna lampa, SE) osim povratne,
trafoa ili katodnog autotrafoa (opet ja!)).

Ispravljač će trajati vječno ovako kako je složen. Ja bi samo ubacio bar jedan blokić i to na
prvom elku(35uF) kao i bleeder od 220K/2W.
Kad se VF smetnje blokiraju odmah na ulazu filterskih članova, kasnije nemaš problema s njima...
Inače, mislim da je ovo jedna od odličnih ideja za prve cijevne samogradnje,
čak i bez cijevne ispravljačice i sa samo RC članovima umjesto prigušnice
će ovo svirati upravo toliko dobro koliko je očekivanje,
a bogami i puno više. A i ne zahtjeva puno para.
K tome Vam još i jedan Dalton, kako reče, stoji na raspolaganju.
:ugeek:
I'm too old for this s...
Avatar
harkonen
 
Postovi: 2195
Pridružen/a: 04 svi 2011, 14:27
Lokacija: Bjelovar

Re: 6S19P headamp

PostPostao/la bepone » 11 stu 2011, 22:05

super, me likes jednostavno i dobro! :P
bepone
 
Postovi: 706
Pridružen/a: 06 svi 2011, 08:51

Re: 6S19P headamp

PostPostao/la joe dalton » 11 stu 2011, 23:31

@Harkonen
E da, povratna veza, palo mi je na pamet. Morat ću to još malo proučiti i računati. Naravno svaki savjet glede detalja je dobrodošao.
Prvi kond 35u nije elko nego motorski polipropilen i ima mali plavi blokić u paraleli samo nije nacrtan u shemi. Mislim da je 8,2n.
I dodat ću bleeder definitivno. Vidjet ću još što imam pri ruci oko 220k, 2W. Hvala na savjetima.

@Bepo
Tnx, i ja volim jednostavnost. Da je kompliciranije nebi znao složit :mrgreen:
Avatar
joe dalton
 
Postovi: 770
Pridružen/a: 06 svi 2011, 10:14
Lokacija: Zagreb

Re: 6S19P headamp

PostPostao/la harkonen » 12 stu 2011, 09:02

Katodno sljedilo je samo po sebi u full 100% povratnoj vezi, kako onda primjeniti dodatnu povratnu
vezu na njega? Da li mi se samo čini da odgovor leži u kombinaciji s pozitivnom strujnom povratnom vezom?
Snoviđenje? Loše vino?
Kod katodnog sljedila, izlazni mu je otpor jednak 1/S , odnosno unutrašnji otpor/(1+pojačanje),
dakle možemo utjecati samo na unutrašnji otpor uz lampu zadane strmine tj pojačanja.
Ova je cijevna aplikacija (ovako na iverici!) kao stvorena za malo eksperimenta sa pozitivnom
strujnom i negativnom naponskom povratnom vezom, a sve u konačnu svrhu postizanja niže
izlazne impedancije. Hoćemo li pritom putem izgubiti i sonične značajke ?
Evo za početak malo zgodno objašnjene teorije pa ti se, Daltone, možda i nešto izrodi iz toga:
http://www.vias.org/crowhurstba/crowhur ... 3_014.html
:ugeek:
I'm too old for this s...
Avatar
harkonen
 
Postovi: 2195
Pridružen/a: 04 svi 2011, 14:27
Lokacija: Bjelovar

Re: 6S19P headamp

PostPostao/la joe dalton » 11 stu 2012, 01:13

Neki dan smo kod frenda malo premjerili amp.
Bio sam ugodno iznenađen rezultatima.
prav_20Hz.jpg
pravokutnik 20 hz - vidi se utjecaj veznog konda
prav_20Hz.jpg (88.48 KiB) Pogledano 7135 put/a.


prav_1kHz.jpg
pravokutnik 1 kHz - skoro pa savršen
prav_1kHz.jpg (89.07 KiB) Pogledano 7135 put/a.


prav_10kHz.jpg
pravokutnik 10 kHz - odličan
prav_10kHz.jpg (86.43 KiB) Pogledano 7135 put/a.


prav_100kHz.jpg
pravokutnik 100 kHz
prav_100kHz.jpg (86.78 KiB) Pogledano 7135 put/a.


Evo sheme ampa koji je bio u Bjelovaru
6S19P_headamp_DC_coupl_built.JPG
6S19P_headamp_DC_coupl_built.JPG (20.39 KiB) Pogledano 7135 put/a.

Napajanje
6S19P_headamp_napajanje_built.JPG
6S19P_headamp_napajanje_built.JPG (21.38 KiB) Pogledano 7135 put/a.
Avatar
joe dalton
 
Postovi: 770
Pridružen/a: 06 svi 2011, 10:14
Lokacija: Zagreb

PrethodnaSljedeća

Natrag na Cijevna tehnika

Na mreži

Trenutno korisnika/ca: Google [Bot] i 3 gostiju.