SE - SIPP amp

Re: SE - SIPP amp

PostPostao/la ilimzn » 15 sij 2012, 14:35

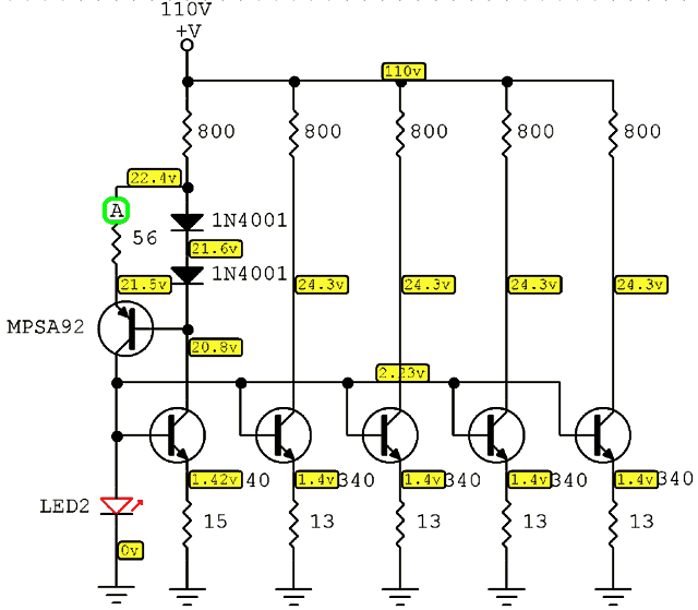
Pregledao sam thread, radi se najvjerojatnije o zadnjoj verziji PCB-a s 5x CCS. Taj zaista nece raditi kao CCS jer je struja u referencu (LED) premalena. Konkretnije, nece raditi s necim tipa MJE340 jer im je pojacanje relativno malo na 100mA, tako da ce svaki trebati barem 1-2mA struje baze. Kako ih je ukupno 5, onda je to cca 10mA, plus dobra rezerva za LED, barem 5mA. Otpor s + cca 110V prema LED je 22k sto daje reda velicine 5mA kroz LED, dakle premalo za pouzdan rad. Trebalo bi gs smanjiti barem na pola ako ne i na trecinu no onda se opet borimo s nepotrebnom disipacijom, iako smo svejedno ustedili cca 40% iste u odnosu na verziju s neovisnim referencama. Greska je u tome sto je spomenuti otpor 22k jednostavno kopiran s prethodne verzije.

Postiji nekoliko nacina da se ovaj problem rijesi i svi se svode na to da se struja za referencu zatvori kroz sam CCS, cime se ne trosi dodatna struja na samu referencu. Jedno zgodno rijesenje bi se dalo izvesti s dvije dodatne diode, jednim otporom i komplementarnim tranzistorom, kako na shemi dolje:

OTL_CCS_5.gif
OTL_CCS_5.gif (17.45 KiB) Pogledano 5273 put/a.


(PNP tranzistor je zapravo MJE350, u praksi isto kao MPSA92 ali u TO126 kucistu, naravno na hladilu radi cca 600mW disipacije, NPN tranzistori su MJE340, 800 otpori predstavljaju pad napona u cijevi).
ilimzn
Iron Man
 
Postovi: 979
Pridružen/a: 05 svi 2011, 13:39

Re: SE - SIPP amp

PostPostao/la grunf » 15 sij 2012, 14:47

harkonen je napisao/la:
@Kaligula i Grunf
Dobro, tako se i treba početi. Umjeravanjem. Što više umjeravanja, to rezultat i bude bolji. ALi samo zapisati
ono "umjereno" u prvih pola sata. ;) Iza toga ulazite u metafiziku. Ili metakemiju?
Počnite tako da onda iskoristite 6s4p (mig - radna 150V/14mA teret 12K) imate dovoljno napona iz napajanja
izlaznih lampi za ovo, pojačanje će biti 35-40x, dakle dovoljno i za male korekcije....
Uživajte i ne zaboravite nas izvjestiti!
:ugeek:


ja sam se malo igra,dok me bolest nije izneredila :cold:,zasad sam samo ubacio parametre 6s4p u tubecad i ovo je rezultat

slika
"Bolje nešto od nečega nego ništa od ničega."
Avatar
grunf
 
Postovi: 844
Pridružen/a: 05 ruj 2011, 23:51
Lokacija: Šibenik

Re: SE - SIPP amp

PostPostao/la sstrsat » 15 sij 2012, 19:32

ilimzn je napisao/la: Greska je u tome sto je spomenuti otpor 22k jednostavno kopiran s prethodne verzije.

Postiji nekoliko nacina da se ovaj problem rijesi i svi se svode na to da se struja za referencu zatvori kroz sam CCS, cime se ne trosi dodatna struja na samu referencu. Jedno zgodno rijesenje bi se dalo izvesti s dvije dodatne diode, jednim otporom i komplementarnim tranzistorom, kako na shemi dolje:


Naravno da uvik postoji rjesenje i ovaj nacin ca par dodatnih elemenata je sasvim u redu. Lipo i elegantno. Ki misli da mu je to prekomplicirano moze uvik stavit ono najseljackije rjesenje da svaki CCS ima otpornik prema + napajanju (naravno i posebnu ledicu) pa se disipacija na otpornicima rasporedjuje i nece dovest do nekog znacajnijeg grijanja


LIGHTCELL je napisao/la:Bok decki,
ja sam ovdi novi,energeticar po struci i htio bih si napraviti nekog lampaša. priznam da baš neznam previše o lampama pa mi ne zamjerite neka glupa pitanja.
S posla gdje smo radili strujne izvore za punjenje liion baterija znam da ovakvi ccs-i s jednom trandom ne rade nikako. Struja bježi s temperaturom, malo pojačanje, neupareni tranzistori itd....
317 radi dobro ak je na njemu dosta napona. a u onom tredu s otlom ccs-i nece ni raditi. jel netko to stvarno probao? Oce li 317 prezivit 50volti?
drugo, nije mi jasan ovaj princip, ccs u katodi. kad trioda ode u zapiranje, ko daje struju ccs-u? cemu sluze 470 oma otpornici?



Ovo energeticar mislin da dosta toga objasnjava. Moga bin se kladit da cesto radis kalibracije i kontrole u industrijskim mjerenjima sa tipicnim 4 do 20mA DC signalima di je za kontrolu kalibracije bitno da ne bude ni termickog ni naponskog drifta na CCS-u pa si iskustva od tamo jednostavno preslikal ovdi.

Medjutim, ovdi u audio tehniki i njezinim tipicnim sklopovima nam uglavnom nije previse bitno oce li struja definirana CCS-om imat koji % sporog setanja gori ili doli ali nam je jako bitno kako se CCS ponasa ne samo na DC-u nego i na visim frekvencijama. Tu nam CCS najcesce sluzi ka sklop koji predstavlja jako veliki dinamicki otpor (znaci veliki otpor / impendanciju za AC signale). Da ne gren sad u detalje, upravo lose ponasanje na malo visim frekvencijama je eliminiralo LM317 ka CCS u katodama tog OTL-a.

I btw, rec da Ilimzn ne zna te stvari izracunat je, malo je rec, besmisleno. Ali kako si novi na forumu onda virovatno jos nisi povatal sve konce
Krepat ma ne molat
Avatar
sstrsat
 
Postovi: 1745
Pridružen/a: 04 svi 2011, 18:21
Lokacija: Rijeka

Re: SE - SIPP amp

PostPostao/la LIGHTCELL » 16 sij 2012, 15:08

ja nisam prvi krenuo oštro , to je bio g.Ilimzn :
"Tvrdnja da OTL s CCS-om nece ni raditi kao i pitanje otkud struja kad je (jedna od dvije) lampe u zapiranju, pokazuju na nepoznavanje elementarnih karakteristika elemenata, poglavito lampi."

g. alkar bepone u sridu, neće biti struje

g.sstrsat i g.ilimzn ova zadnja crtarija je NEDOBRO rješenje jer ta dva Ud + Uled mogu odlučit finale ..
mene je moj šef uvjek pilao s "za strujne izvore preduvjet je NAPON"
al kako hoćete , mene taj otl i tako ne tangira

hvala onima koji su bili dobronamjerni ali doć amo mi je sve manje napeto, mogao bih još i batina popit
LIGHTCELL
 
Postovi: 5
Pridružen/a: 06 sij 2012, 01:01

Re: SE - SIPP amp

PostPostao/la tom_hifi » 16 sij 2012, 15:42

Čudan stav ...
Avatar
tom_hifi
 
Postovi: 2087
Pridružen/a: 16 kol 2011, 17:33
Lokacija: Oroslavje

Re: SE - SIPP amp

PostPostao/la ilimzn » 16 sij 2012, 16:23

LIGHTCELL je napisao/la:ja nisam prvi krenuo oštro , to je bio g.Ilimzn :
"Tvrdnja da OTL s CCS-om nece ni raditi kao i pitanje otkud struja kad je (jedna od dvije) lampe u zapiranju, pokazuju na nepoznavanje elementarnih karakteristika elemenata, poglavito lampi."
g. alkar bepone u sridu, neće biti struje
g.sstrsat i g.ilimzn ova zadnja crtarija je NEDOBRO rješenje jer ta dva Ud + Uled mogu odlučit finale ..
mene je moj šef uvjek pilao s "za strujne izvore preduvjet je NAPON"
al kako hoćete , mene taj otl i tako ne tangira
hvala onima koji su bili dobronamjerni ali doć amo mi je sve manje napeto, mogao bih još i batina popit


Oprostitc ces ali struje ce biti. Samo nece biti ona predvidjena, dakle radit ce kao losi strujni izcvor, tocnije neka vrsta mnozitelja otpora. Pod uvjetom da je beta tranzistora pri zeljenoj struji dovoljno vece od 100 (recimo reda 150) cak ce i raditi kao strujni izvor samo nece biti dovoljno ujednaceni. Jedini je problem sto je takvo pojacanje kod MJE340 na tim strujama malo vjerojatno.
Naravno da je za strujni izvor preduvjet napon, to je zato jer se ne radi o strujnom izvoru u teoretskom smislu.
Iz gornjeg mogu zakljuciti da tvrdis da struja uopce nece teci kroz strujni izvor. Ako je tako, onda sam tada imao, i dalje imam pravo kad kazem da se radi o nepoznavanju osnovnih karakteristika elemenata, konkretno trioda. Jer, struja ce itekako teci, samo ne ona koja bi trebala, pa ce sklop po tom kriteriju raditi lose ili ne posve ispravno. E sad, ne razumijem zasto bi to bilo uzimati nekog 'na noz' - nitko se jos nije rodio pa da je poznavao elementarne karakteristike svakog elektronickog elementa, a primijetit ces da sam u nastavku i objasnio zasto ti je tvrdna netocna. Ako stvari i dalje nisu jasne, mogu pokusavati dalje objasnjavati do trenutka kad jos jedino mogu reci da to spojis na kup i uvjeris se sam, zar ne?

No dobro, ajmo onda u detalje analizirati nedobro rijesenje ne bi li pokazali da je DOVOLJNO dobro. U krajnjoj liniji ne postoji element koji ce biti dobar strujni izvor do napona preko njega =0 (premda bi se uz nesto truda moglo naci par kandidata ako je na raspolaganju dodatni izovor napona).
Kod OTL-a je glavni faktor raspoloziva struja, a u ovom slucaju, s obzirom da se radi o SE OTL-u, s strujnim izvorom, struja strujnog izvora je ujedno i maksimalni strujni hod u (ovom slucaju) negativnom smjeru. Zadatak je cijevnog dijela da da barem dvostruko vecu maksimalnu struju kako bi ukupni zbroj bio pozitivan strujni hod jednak negativnom (dvostruko je potrebno jer struja kroz cijevi treba moci nadvaladati i konstantnu strujku kroz CCS-ove). U ovakvim konstrukcijama se cijevi smatraju dotrajalima kada ne mogu dati struju iznosa Iccs *2.
Drugim rijecima, maksimalna izlazna struja je po definiciji odredjena strujnim izvorima, u praksi se mogu gledati kao jedan CCS s 15x vecom strujom.
Svaki CCS je racunat na ~100mA po cijevi, sto ukupno daje maksimalnu izlaznu struju od 1.5A. S obzirom da je predvidjen rad na impedancijama reda 8 ohma, lako je izracunati koliki je pad napona na opterecenju uz struju od 1.5A, sto ce dakle biti 12V. Tih 12V je ujedno i maksimalna promjena napona na CCS-ima, i dodaje se ili oduzima na napon preko CCS-a u statickim uvjetima, a taj staticki napon je u slucaju ovog nedobrog rijesenja iznosi gotovo dvostruko vise. Da bi sve skupa radilo, taj visak mora biti barem toliki da pokrije minimalni pad napona potreban za rad CCS-a. Koliko bi to bilo? Barem Vled + Vd, teoretski, s obzirom da je teoretski Vce tranzistora moguce dovesti bizu nula iako je Vbe uobicajene vrijednosti (preklapa se za NPN i PNP tranzistor). U praksi naravno treba vise, parem par V s obzirom da radi Early efekta na malim Vce pojacanje tranzistora znacajno pada, na granice ispod brojki koje nalazimo u dokumentaciji. No, jedan dio tog napona Vce se preklapa s Vbe, tako da to ispada reda velicine Vled + Vbemin + Vd, tipicno reda velicine 5V. Drugim rijecima, sve skupa ce prilicno linearno raditi dok god su CCS-i 'tu negdje', buduci da je pad napona na njima reda velicine 20-ak V, a 5V je neki upotrebljivi minimum, dozvoljen nam je maksimalni hod od 15V, koji se nece doseci ako je impedancija opterecenja manja ili jednaka 10 ohma. Nije zgorega napomenuti da ovo moze itekako biti problem, s obzirom da kod nekih zvucnika postije frekvencije pri kojima je impedancija mnogostruko veca od nominalne.
ilimzn
Iron Man
 
Postovi: 979
Pridružen/a: 05 svi 2011, 13:39

Re: SE - SIPP amp

PostPostao/la sstrsat » 16 sij 2012, 19:15

LIGHTCELL je napisao/la:
g.sstrsat i g.ilimzn ova zadnja crtarija je NEDOBRO rješenje jer ta dva Ud + Uled mogu odlučit finale ..
mene je moj šef uvjek pilao s "za strujne izvore preduvjet je NAPON"
al kako hoćete , mene taj otl i tako ne tangira

hvala onima koji su bili dobronamjerni ali doć amo mi je sve manje napeto, mogao bih još i batina popit


Nismo ti mi gospoda nego seljaci koji lopatama nabacuju lampe, CCS-e, otpornike itd pa nas ne tribas titulirat sa tim g. Takva tituliranja ostavi za svog sefa koji te je "pilal". Samo izgleda da pila ni bila bas nabrusena....
Krepat ma ne molat
Avatar
sstrsat
 
Postovi: 1745
Pridružen/a: 04 svi 2011, 18:21
Lokacija: Rijeka

Re: SE - SIPP amp

PostPostao/la grunf » 16 sij 2012, 21:50

za koji dan kreću iz ukrajine 6s4p-ev pa ćemo ja i kaligula moći izršiti jedno pravo mjerenje :contract:

istu lampu sam stavio za katodno slijedilo i ovako na papiru i monitoru se čini OK ,čak manji izlazni otpor nego li s ecc88 pa ćemo probati i tu kominaciju,možda bude dobra i za izlaz DAC-a,mada mi ju davno strsat već spominjao za tu namjenu,ali sam onda bio zelen u cijevnim vodama pa smo išli na nešto što će mi sigurno proraditi,ovu smo označili kao problematičnu :lol:
"Bolje nešto od nečega nego ništa od ničega."
Avatar
grunf
 
Postovi: 844
Pridružen/a: 05 ruj 2011, 23:51
Lokacija: Šibenik

Re: SE - SIPP amp

PostPostao/la Kaligula » 16 sij 2012, 22:58

grunf je napisao/la:za koji dan kreću iz ukrajine 6s4p-ev pa ćemo ja i kaligula moći izršiti jedno pravo mjerenje :contract:

istu lampu sam stavio za katodno slijedilo i ovako na papiru i monitoru se čini OK ,čak manji izlazni otpor nego li s ecc88 pa ćemo probati i tu kominaciju,možda bude dobra i za izlaz DAC-a,mada mi ju davno strsat već spominjao za tu namjenu,ali sam onda bio zelen u cijevnim vodama pa smo išli na nešto što će mi sigurno proraditi,ovu smo označili kao problematičnu :lol:

Moje 6S4P-ice su već na putu.
Ajde ti meni rješi Tube Cad da se ne bavin osnovnon školon! :lol:
Ništa ne radi šta ne znaš kako radi!
Avatar
Kaligula
 
Postovi: 568
Pridružen/a: 04 stu 2011, 04:11
Lokacija: Šibenik

Re: SE - SIPP amp

PostPostao/la harkonen » 16 sij 2012, 23:04

Dobro, pa ondak možete do tada sklepetati ispravljač, CCS-ove, izlazne trafoe itd, pa probati koncept
i sa nekom drugom drajvericom dok ova ne dojde. Mislim, ne morate, ali možete....hmm, da.
Ako vam je baš do umjeravanja.... 8-)
:ugeek:

p.s. Kaligula, u osnovnoj se sve nauči, kasnije su finese. Tko to preskoči, vječito mu nešto nedostaje.
Ideš ti dobrim putem, nije TubeCad za baciti ako se koristi s mjerom, doduše,
ali ipak - ravnalo, digitron i graf su gušt....
I'm too old for this s...
Avatar
harkonen
 
Postovi: 2195
Pridružen/a: 04 svi 2011, 14:27
Lokacija: Bjelovar

PrethodnaSljedeća

Natrag na Cijevna tehnika

Na mreži

Trenutno korisnika/ca: Google [Bot] i 3 gostiju.