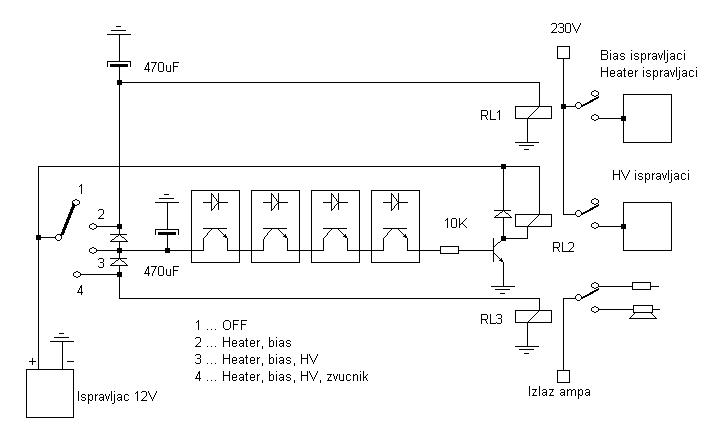
Kako se ovo oko startera rasteglo ka TV sapunica, ajmo malo na konkretno. Tomova dilema je zapravo samo da li ic na manualni starter ili na PIC sa minimumom potribnih funkcija pa evo ovdi jednog manualnog rjesenja.

- Manual starter.JPG (33.57 KiB) Pogledano 7155 put/a.
To je vrlo jednostavno rjesenje sa jeftinim rotacionim preklopnikom koji ima samo jedan kontakt u 4 polozaja i mislin da je shema svakom jasna. Diode i elki sluze da se releji ne ugase prilikom preklapanja (zaboravil san ucrtat bleedere od 100-ak K paralelno elkima za njihovo praznjenje nakon iskljucenja) a ona 4 oprocouplera sluze za monitoring prisutnosti napona biasa i grijanja tako da ako neki od njih izostane postaje nemoguce startat visoki napon. Optocoupler u krugu biasa (monitorira samo bias za GM70 ali vise i ne triba jer ako taj fali nima ni druga dva biasa) se veze tako da se u bias ispravljacu prekine vod izmedju otpornika 12K i zajednickog + pola i tu se ukljuci LED-ica u ulazu optocouplera (pazit na polaritet). Ostala 3 optocouplera se preko otpornika za ogranicenje struje vezu na SMPS-e za grijanje.
Ovdi triba koristit optocouplere kojima je maksimalna ulazna struja 15 do 20 mA (ne vise) jer kroz otpornik 12K u bias ispravljacu tece 10-ak mA tako da se osigura njihovo sigurno gasenje u slucaju veceg pada ili nedostatka monitoriranih napona.
Relej RL1 pali ispravljace za bias i grijanje, RL2 pali HV ispravljace a RL3 prebacuje izlaz ampa sa otpornika na zvucnik (necujni off / on).
Masa oznacena na shemi se odnosi na - pol tog pomocnog ispravljaca i ona nije u galvanskoj vezi sa masom ampa.
Naravno, ako se starter izvede sa PIC-om onda cila off / on sekvenca postaje automatska