Hibrid, lampe i mosfeti

Re: Moskido pojačalo

PostPostao/la grunf » 19 ožu 2012, 20:49

a šta ću kad na poslu ne možeš biti puno riječit :lol:
"Bolje nešto od nečega nego ništa od ničega."
Avatar
grunf
 
Postovi: 844
Pridružen/a: 05 ruj 2011, 23:51
Lokacija: Šibenik

Re: Moskido pojačalo

PostPostao/la grunf » 19 ožu 2012, 20:59

šta se tiče zadnje dvi sheme šta san stavia nemojmo gledati pobudu,nju ću sam izvesti ,ali me interesiraju vaši komentari za izlaz tj. regulaciju mirne struje točno
"Bolje nešto od nečega nego ništa od ničega."
Avatar
grunf
 
Postovi: 844
Pridružen/a: 05 ruj 2011, 23:51
Lokacija: Šibenik

Re: Moskido pojačalo

PostPostao/la harkonen » 19 ožu 2012, 21:03

Ova shema iz Elektora mi se čini sasvim ok po pitanju onoga što je autor želio postići,
jednostavno i k tome danas uz recesijski podnošljive troškove. Čuo sam nešto slično i mogu reći da
to svira čvrsto i konkretno. Tko sluša glasnije, odnosno u većoj prostoriji i/ili na neosjetljivim
zvučnicima, mogao bi bi biti zadovoljan. No, kako slušam tiše, uglavnom više zbog podloge nego
slušanja samog, nije ono što bi tako mogao slušati satima. Napinje, napinje, zove da ga hajcaš.
Za to je prilično dobar izbor. I zbog samog Elektora vjerovatno građen u stotinama primjeraka....
:ugeek:
I'm too old for this s...
Avatar
harkonen
 
Postovi: 2195
Pridružen/a: 04 svi 2011, 14:27
Lokacija: Bjelovar

Re: Moskido pojačalo

PostPostao/la Khadgar2007 » 19 ožu 2012, 21:19

koja je to šema iz elektora?
"Nakon prve čaše vidite stvari onakvim, kakve bi vi htjeli da budu. Nakon druge vidite ih onakvim, kakve nisu. Na kraju ih vidite onakvim, kakve zaista jesu, što je najgora stvar na svijetu."
Avatar
Khadgar2007
 
Postovi: 2488
Pridružen/a: 05 svi 2011, 16:44
Lokacija: Sisak

Re: Moskido pojačalo

PostPostao/la grunf » 19 ožu 2012, 21:30

harkonen je napisao/la:Ova shema iz Elektora mi se čini sasvim ok po pitanju onoga što je autor želio postići,
jednostavno i k tome danas uz recesijski podnošljive troškove. Čuo sam nešto slično i mogu reći da
to svira čvrsto i konkretno. Tko sluša glasnije, odnosno u većoj prostoriji i/ili na neosjetljivim
zvučnicima, mogao bi bi biti zadovoljan. No, kako slušam tiše, uglavnom više zbog podloge nego
slušanja samog, nije ono što bi tako mogao slušati satima. Napinje, napinje, zove da ga hajcaš.
Za to je prilično dobar izbor. I zbog samog Elektora vjerovatno građen u stotinama primjeraka....
:ugeek:


znači problem je na malim snagama koje su meni isto bitnije ,a i ne radim tulum svaki dan :lol:

možda bi ovo bilo nekakv kompromis http://two.xthost.info/leoparduser/NISHIKI.pdf,mada koristi bipolarne tranzistore šta mi se čini bolje baš zbog tog slušanja na malim snagama,jer svi znamo da mosfet treba nagaziti s strujom da bi svirao dobro
Zadnja izmjena: grunf; 19 ožu 2012, 21:39; ukupno mijenjano 1 put/a.
"Bolje nešto od nečega nego ništa od ničega."
Avatar
grunf
 
Postovi: 844
Pridružen/a: 05 ruj 2011, 23:51
Lokacija: Šibenik

Re: Moskido pojačalo

PostPostao/la grunf » 19 ožu 2012, 21:31

Khadgar2007 je napisao/la:koja je to šema iz elektora?


evo opet http://www.pastisch.se/faktiskt/EE_Hybrid.pdf
"Bolje nešto od nečega nego ništa od ničega."
Avatar
grunf
 
Postovi: 844
Pridružen/a: 05 ruj 2011, 23:51
Lokacija: Šibenik

Re: Moskido pojačalo

PostPostao/la Edison » 19 ožu 2012, 22:03

grunf je napisao/la:možda bi ovo bilo nekakv kompromis http://two.xthost.info/leoparduser/NISHIKI.pdf,mada koristi bipolarne tranzistore šta mi se čini bolje baš zbog tog slušanja na malim snagama,jer svi znamo da mosfet treba nagaziti s strujom da bi svirao dobro


Grunfe, Nishiki je nesto jednostavniji projekt od Mugena, a oba su djelo istog autora. Po meni je taj Mugen bolje pojacalo. A sonny svoga upravo dovrsava i estetski. Taj ce se vjerojatno moci poslusati na TF. Mozda ce ti nakon toga biti lakse donijeti odluku.
Čovječe pazi da ne ideš malen ispod zvijezda!
Avatar
Edison
 
Postovi: 1180
Pridružen/a: 04 svi 2011, 21:32
Lokacija: Rijeka

Re: Moskido pojačalo

PostPostao/la grunf » 19 ožu 2012, 22:33

Edison je napisao/la:
grunf je napisao/la:možda bi ovo bilo nekakv kompromis http://two.xthost.info/leoparduser/NISHIKI.pdf,mada koristi bipolarne tranzistore šta mi se čini bolje baš zbog tog slušanja na malim snagama,jer svi znamo da mosfet treba nagaziti s strujom da bi svirao dobro


Grunfe, Nishiki je nesto jednostavniji projekt od Mugena, a oba su djelo istog autora. Po meni je taj Mugen bolje pojacalo. A sonny svoga upravo dovrsava i estetski. Taj ce se vjerojatno moci poslusati na TF. Mozda ce ti nakon toga biti lakse donijeti odluku.


a znam,ali ko će dočekati TF :( ,opet mi je proradia crv lemilice,a na poslu gužva tako da mi to dođe ko ispušni ventil :lol: ,makar lemia po noći :lol:

mudgen i nishiki su po izlaznom stupnju indentična pojačala ali se razlikuju po ulaznom,mudgen ima long-tailed par pa katodno slijedilo na ulazu ,a nishiki kombinaciju anodnog i katodnog slijedila koji se može dosta dobro urediti da liči na nešto,drugi izbor lampi,ccs i tako te sitnice,struja na kojoj radi recimo ecc88 je ispod 2mA :? ,zašto ne više?,čisto bogohuljenje bar za mene,isto tako i mudgen :?,pokušalo se dobiti pojačalo s velikim izborom komponenti ,bilo bi bolje da se autor usredotočio na jednu lampu pa izveo to kako treba

iskreno mene zanima samo izlazni stupanj,a za ulazni dio iznenađenje :lol:

edit. nisan računa struje kroz lampe ali se vidi po korištenim otpornicima tako da postoji mogućnost moje pogreške pri predviđanju iste :lol:
"Bolje nešto od nečega nego ništa od ničega."
Avatar
grunf
 
Postovi: 844
Pridružen/a: 05 ruj 2011, 23:51
Lokacija: Šibenik

Re: Moskido pojačalo

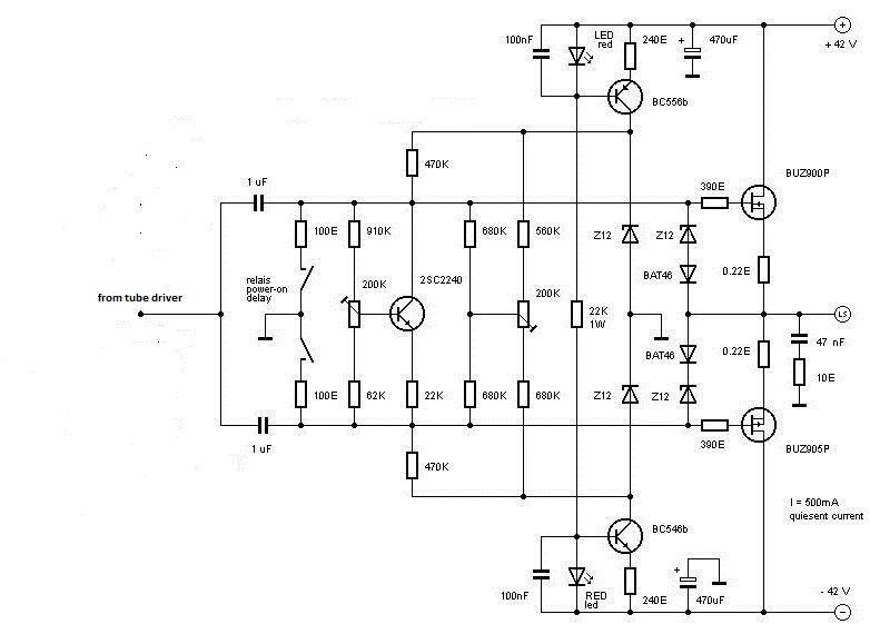
PostPostao/la grunf » 19 ožu 2012, 23:07

za mene bi ipak ovo bila osnova,s nižim naponom napajanja i k1058/j162 umisto skupih buz-eva , a šta se tiče drivera otom potom,mogu probati srpp,kombinaciju anodnog i katodnog slijedila ili samo 6S45p ili 6S4P s tim da bi one imale malo veliko pojačanje,ali namistilo bi se to na 20-30dB

hybrid.jpg
hybrid.jpg (72.27 KiB) Pogledano 9651 put/a.
"Bolje nešto od nečega nego ništa od ničega."
Avatar
grunf
 
Postovi: 844
Pridružen/a: 05 ruj 2011, 23:51
Lokacija: Šibenik

Re: Moskido pojačalo

PostPostao/la sonny » 19 ožu 2012, 23:35

U Mugenu je na katodnom otporu (6N23P) 22k prisutan napon od 195V u mojem slučaju... Pa računaj struju...
A nekad je ovdje bilo dobro.......... Šteta.......
sonny
 
Postovi: 1203
Pridružen/a: 20 kol 2011, 18:36

PrethodnaSljedeća

Natrag na Cijevna tehnika

Na mreži

Trenutno korisnika/ca: / i 1 gost.