SE - SIPP amp

Re: SE - SIPP amp

PostPostao/la sstrsat » 30 pro 2011, 21:07

Kaligula je napisao/la:TUBE-TAM


Moze i TriodAM :lol: :lol:
Krepat ma ne molat
Avatar
sstrsat
 
Postovi: 1745
Pridružen/a: 04 svi 2011, 18:21
Lokacija: Rijeka

Re: SE - SIPP amp

PostPostao/la sstrsat » 30 pro 2011, 21:11

Khadgar2007 je napisao/la:Ček ček, kandidat za ča? Zar nije gu50 ispravljačica?

Sada vidim da je to pentoda, ali skinuo sam jedan datasheet na kojemu lijepo piše gu50 mercury rectifier tube


E sad ti gledas neke americke oznake. Ca nisi znal da kod rusa GU50 znaci Gurni Unutra tih 50 a npr GM100 znaci Gurni Maloga :lol: :lol:
Krepat ma ne molat
Avatar
sstrsat
 
Postovi: 1745
Pridružen/a: 04 svi 2011, 18:21
Lokacija: Rijeka

Re: SE - SIPP amp

PostPostao/la Kaligula » 30 pro 2011, 21:16

sstrsat je napisao/la:
Khadgar2007 je napisao/la:Ček ček, kandidat za ča? Zar nije gu50 ispravljačica?

Sada vidim da je to pentoda, ali skinuo sam jedan datasheet na kojemu lijepo piše gu50 mercury rectifier tube


E sad ti gledas neke americke oznake. Ca nisi znal da kod rusa GU50 znaci Gurni Unutra tih 50 a npr GM100 znaci Gurni Maloga :lol: :lol:

A KT-88?
Ništa ne radi šta ne znaš kako radi!
Avatar
Kaligula
 
Postovi: 568
Pridružen/a: 04 stu 2011, 04:11
Lokacija: Šibenik

Re: SE - SIPP amp

PostPostao/la harkonen » 30 pro 2011, 21:18

Đe ste to vas dvojica zabrijali tamo? Mislim na Ilimzna i Sstrsata. Ima tih tema koje nažalost budu nestale u backupima servera, a onda jednog dana i u kvantnim bespućima......
A baš dok ste pisali ove postove sam sa na PM komentirao bypasse i simetriju sa uvaženim forumašem koji već i gradi ovo
ali sa 6L6, pa sam usput i pricrtao verziju sa bypassima, a koja će trebati 3 x 2 prekidač po kanalu za prebacivanje, a mali otpor na trimeru za simetriranje
( i na malim mjernim otporima oko njega ) će biti podnošljiva degeneracija....
:ugeek:

edit: shema je skinuta od strane Direktora SOUR-a!
Zadnja izmjena: harkonen; 31 pro 2011, 09:25; ukupno mijenjano 1 put/a.
I'm too old for this s...
Avatar
harkonen
 
Postovi: 2195
Pridružen/a: 04 svi 2011, 14:27
Lokacija: Bjelovar

Re: SE - SIPP amp

PostPostao/la Kaligula » 30 pro 2011, 21:24

Ova preklapanja ću mu ja odraditi digitalijom. Iman lipe male relay-iće pa će tribati na prednjoj ploći samo jedan gumbić.
Ništa ne radi šta ne znaš kako radi!
Avatar
Kaligula
 
Postovi: 568
Pridružen/a: 04 stu 2011, 04:11
Lokacija: Šibenik

Re: SE - SIPP amp

PostPostao/la sstrsat » 30 pro 2011, 21:54

harkonen je napisao/la:Đe ste to vas dvojica zabrijali tamo? Mislim na Ilimzna i Sstrsata. Ima tih tema koje nažalost budu nestale u backupima servera, a onda jednog dana i u kvantnim bespućima......


A to mi namjerno :lol: , cisto da se ne opustis i pocnes fusarit. Nima ti moj junace na diyaudio zajebancije :lol: :lol:, Ili ces napravit konstrukciju kako triba ili ces bit kaznjen turama pive, vina, prsuta, sira.... :lol: Primaju se i zubaci, naravno :lol: :lol:

Pa ca ako koja tema nestane u bespucima servera, uvik se moze ponovo napisat.
Krepat ma ne molat
Avatar
sstrsat
 
Postovi: 1745
Pridružen/a: 04 svi 2011, 18:21
Lokacija: Rijeka

Re: SE - SIPP amp

PostPostao/la Kaligula » 31 pro 2011, 00:06

@sstrsat,
a sad i @grunf ima razloga upisat se na listu TF-a! :lol:
Ništa ne radi šta ne znaš kako radi!
Avatar
Kaligula
 
Postovi: 568
Pridružen/a: 04 stu 2011, 04:11
Lokacija: Šibenik

Re: SE - SIPP amp

PostPostao/la ilimzn » 31 pro 2011, 02:23

harkonen je napisao/la:Đe ste to vas dvojica zabrijali tamo? Mislim na Ilimzna i Sstrsata. Ima tih tema koje nažalost budu nestale u backupima servera, a onda jednog dana i u kvantnim bespućima......
A baš dok ste pisali ove postove sam sa na PM komentirao bypasse i simetriju sa uvaženim forumašem koji već i gradi ovo
ali sa 6L6, pa sam usput i pricrtao verziju sa bypassima, a koja će trebati 3 x 2 prekidač po kanalu za prebacivanje, a mali otpor na trimeru za simetriranje
( i na malim mjernim otporima oko njega ) će biti podnošljiva degeneracija....
:ugeek:

Privitak SE_SIPP_HAD.JPG više nije dostupan.


Na toj shemi imas jedan problem i jednu gresku...
U SE modu desna strana (CCS) ne smije biti bypassiran inace aktivna trioda vidi u paralelu s prenesenom impedancijom zvucnika jos i Rp neaktivne umjesto da nesto prakticki beskonacne impedancije tipa strujni izvor. Drugim rijecima, aktivna ce trioda biti debelo preopterecena.
Nema potrebe za degeneracijom jer time osim balansa struja smanjujes i pojacanje cijevi i povecavas prividni Rp sto smanjuje efikasnost. Ta degeneracija u AC uvjetima samo smeta, iako istina podesi DC balans. No, ima i drugi nacin, ideja je na shemi koja slijedi:

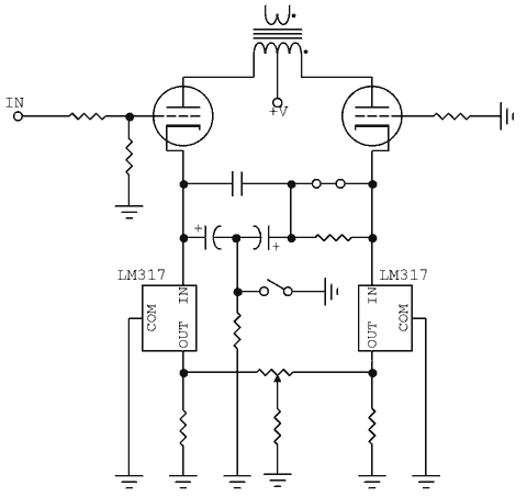
SE-SIPP.gif
SE-SIPP.gif (6.11 KiB) Pogledano 3892 put/a.


Balans struje je jedino bitan u DC uvjetima. S obzirom da ionako imas dva CCS-a, to je naljakse postici tako da balansiras njih. Na shemi iznad to se postize trimerom izmedju otpora koji postavljaju struju LM317. (Serijske zavojnice radi poravnanja impedancije na VF-u nisam nacrtao radi jednostavnosti).
U SE modu treba bypass samo lijevom CCS-u. Na slici su prekidaci nacrtani u PP modu, dakle za SE je obrnuta situacija, prekidac prema masi je zatvoren, tako da je CCS bypassiran. Prekidac prema desnoj katodi je otvoren, pa desna strana nije bypasirana i glumi prilicno dobar CCS. Otpori preko prekidaca su reda stotinjak k, sluze sa uspostavu DC nivoa na elektrolitima, tako da bi cak bilo moguce preklapati ih u radu. U AC uvjetima u SE modu, struju diktira ulaz, i krece se uvijek oko one postavljene u DC uvjetima CCS-om, a kako su CCS-i balansirani potom (jednostavno se cilja nula na krajevima pota), desna strana nulira DC tok u trafou.
U PP modu DC uvjeti rada ostaju isti kao u SE modu. Razlika je sto su sada kadode preko 'bypass' kondova spojene medjusobno. Prekidaci za ovaj mod stoje kako je nacrtano u shemi. U DC uvjetima, svaka trioda se postavlja prema svom CCS-u, na bias kakav je potreban za balans struja u trafou. Medjutim, u AC uvjetima, katode su spojene, i cijeli sklop glumi diferencijalno pojacalo, kojem je ukupni zbroj struja kroz obje cijevi konstanta, i iznosi ukupnu struju oba CCS-a. Buduci da struja nigdje drugdje ne moze teci, kada ulazni signal primijeni struju u lijevoj cijevi za neki iznos, u desnoj se se isto toliko promijeni ali sa suprotnim predznakom, da bi ukupni iznos ostao konstanta. Tako sklop automatski radi kao PP izlaz u A klasi. Otpor na masu sa sredine 'bypass' elektrolita osigurava da je na istima propisan polaritet DC napona, i takodjer iznosi reda velicine 100k.

Problem koji i dalje nije rijesen je drugaciji iznos Ra / Raa koje cijevi vide u SE u odnosu na PP mod.
U SE modu, lijeva cijev vidi Raa/4 s obzirom da je samo ona aktivna i s njom polovica PP namotaja. Druga polovica se za AC uvjete ponasa kao da joj je jedan kraj odspojen.
U PP modu, obje su cijevi aktivne i ukupni je hod struje kroz trafo povecan za dvostruko. Naime, u SE modu struja kroz desnu stranu je okonstanta, a u PP modu je (minus)promjena u lijevoj strani, kako je PP trafu u osnovi pretvarac diferencijalno u SE, ukupan hod stuje je lijeva - (- desna) = lijeva + desna, a kako su iznosi isti a predznaci promjene razliciti, to ispadne 2x lijeva. To znaci da kroz primar trafoa cijevi vide 'jedna drugu' tako da radi dvostruke promjene struje za dati ulaz, anodno opterecenje svake izgleda duplo vece - sada svaka cijev vidi Raa/2. Da bi se zaista i iskoristio taj hod struje, opteretna impedancija na izlazu bi trebala biti dvostruko manja, kako bi za svaku cijev u PP modu anodno opterecenje ostalo isto kao za SE mod. To bi se u principu moglo postici tako da trafo ima 4/8/16 ohma izlaze, u SE modu se 4/8 ohma spaja na 4/8 ohma izlaze, a u PP modu na 8/16 ohma izlaze.

Inace, ako se svaki elektrolit posebno bypass-a folijskim kondom, onda se shema moze jos pojednostaviti, tako da ima jednostruki preklopni prekidac.
ilimzn
Iron Man
 
Postovi: 979
Pridružen/a: 05 svi 2011, 13:39

Re: SE - SIPP amp

PostPostao/la ilimzn » 31 pro 2011, 04:13

sstrsat je napisao/la:Inace, kod takvih pristupa di se oce izbic zracni raspor na trafu ima zapravo puno nacina. Osim ovoga u toj iskrecoj :lol: temi, bil san u jos jednoj temi "tamo" stavil nacin da se krug grijanja iskoristi za istu stvar. Tamo je ideja bila da se cijev grije sa DC konstantnom strujom koja bi usput tekla kroz opozicijski namotaj trafa i delala ponistenje predmagnetizacije. Naravno da bi u tom slucaju katodna struja cijevi tribala bit pilotirana strujom grijanja i da joj neka vrsta DC serva ne bi dozvoljavala da se mrda od zadane vridnosti.
Iako bi ovakav pristup virovatno postigal i bolje rezultate nego samo pretvaranje PP-a u SE jer bi kod njega paraziti trafa bili manji zbog manje zavoja u tom pomocnom namotaju, problem je u tome ca bi takav trafo moral bit totalno custom i virovatno ne bas jednostavno motan. Iako bi kod takvog pristupa tribala samo jedna cijev a ne dvi ka ovdi, ipak je u praksi jednostavnije uzet vec gotovi PP trafo i igrat se sa njime nego motat custom trafo.


Kvaka tog pristupa je opet u tome da u AC smislu taj namotaj mora predstavljati otvoreni krug inace predstavlja opterecenje, sto znaci da bi grijanje islo preko nekakvog CCS-a, sto opet povecava gubitke (jer treba uracunati i 'fleksibilnost' CCS-a na transformirani napon primara koji se pojavljuje na tom istom pomocnom namotaju). Na zalost, otpor grijaca je ipak premali. Alternativa je, naravno, prigusnica, no s obzirom da kroz nju ide DC, opet mora ona imati zracni raspor - srecom, bar ju je lakse namotati. Kako god okrenes, nikako se izmaknuti od tog problema, samo ga se moze premjestiti. Jedan od mojih argumenata u onoj temi koja se u biti svodila na implementaciju 'anti-triode' je kako iskoristiti balansni element da bude aktivan pa da barem ne pravi samo gubitak. Ako gubitak u obliku topline iznosa anodni napon puta DC anodna struja nije problem, tada bilo koja forma strujnog izvora zadovoljava dok god ima mali kapacitet i balansirana je u DC-u s strujom kroz aktivni element, u slucaju ove teme, triodu.
Zanimljivo je da jedna od starijih referentnih knjiga po pitanju cijevi (autor je Norman Crowhurst) sadrzi shemu u kojoj se koristi anodni i katodni namotaj u odnosu 1:1 da bi se ponistilo DC polje. Na prvi pogled ideja je zanimljiva dok se malo bolje ne pogleda i ustanovi da se jednako tako ponistava i AC polje - dakle, totalni fail. Cini se da gosp. Crowhurst nije imao bas dobar dan kad je to crtao :)
ilimzn
Iron Man
 
Postovi: 979
Pridružen/a: 05 svi 2011, 13:39

Re: SE - SIPP amp

PostPostao/la sstrsat » 31 pro 2011, 08:38

ilimzn je napisao/la:Kvaka tog pristupa je opet u tome da u AC smislu taj namotaj mora predstavljati otvoreni krug inace predstavlja opterecenje, sto znaci da bi grijanje islo preko nekakvog CCS-a, sto opet povecava gubitke (jer treba uracunati i 'fleksibilnost' CCS-a na transformirani napon primara koji se pojavljuje na tom istom pomocnom namotaju)


Tocno. Ali kod svih takvih topologija uvik ima nekih kvaka i dobrim dilom je stvar izbora na koje misto cemo ih stavit. Jasno je da bi CCS u krugu grijanja disipiral poprilicno snage i da tu nima pomoci. Alternativa sa prigusnicom, iako na prvi pogled izgleda bolja (barem po pitanju disipacije), mislin da ipak ne bi bila pravo rjesenje. Bez obzira ca joj induktivitet ne bi tribal bit preveliki opet bi zbog velike DC struje koja bi tekla kroz nju bila itekako glomazna. A i isto bi tribala bit segmentirana jer stvarno ne bi imalo smisla ic na to da se sa jedne strane iz trafa dobije najveci moguci propusni opseg a da se sa druge strane taj isti propusni opseg pocne gusit vec od frekvencija na kojima bi se (single) prigusnica pocela ponasat ka kapacitet.
Mislin da bi upotriba prigusnice (segmentiranih prigusnica) radi toga da se izbigne disipacija topline na CCS-u bila svrsishodnija na anodnoj strani mada bi to ustvari znacilo potpuno napustanje ovakvih "canceling" koncepcija i prijelazak na klasicni parafeed.
Jebiga, ovo je malo ka zatvoreni krug :lol: :lol: Uvik se tu mora pomirit sa nekim negativnostima i stvar se izbora svodi dilom na to koju cemo od tih negativnosti smatrat za najmanju. Osobno je u takvim razmisljanjima meni najmanja negativnost povecanje (ukupne) disipacije



ilimzn je napisao/la:Zanimljivo je da jedna od starijih referentnih knjiga po pitanju cijevi (autor je Norman Crowhurst) sadrzi shemu u kojoj se koristi anodni i katodni namotaj u odnosu 1:1 da bi se ponistilo DC polje. Na prvi pogled ideja je zanimljiva dok se malo bolje ne pogleda i ustanovi da se jednako tako ponistava i AC polje - dakle, totalni fail. Cini se da gosp. Crowhurst nije imao bas dobar dan kad je to crtao :)


Ako bi AC polja uopce i bilo :lol: Mala impendancija iz katodnog kruga bi se tu preslikala na anodnu stranu u omjeru 1 : 1 a sa takvim opterecenjem anode se na njoj ne bi razvila bas neka amplituda signala. Neka mrvica bi ga bilo ali nista vise od toga.

Je da su u QUAD-u nesto pokusavali sa nekim izvedenicama te ideje i katodnog namotaja (ovdi ne 1 : 1) na istom izlaznom trafu mada kod njih nije bila intencija DC canceling nego ostvarivanje povratne veze na taj nacin. Medjutim, to se u praksi izgleda nije pokazalo ka najsritnije rjesenje jer nije postiglo nikakve bitno razlicite i bolje rezultate u odnosu na standardne topologije a trafo je bil puno kompleksniji. U nekim aspektima su rezultati bili i losiji. Provali ljudi, vidili da to ni neka srica i odbacili



ilimzn je napisao/la:Problem koji i dalje nije rijesen je drugaciji iznos Ra / Raa koje cijevi vide u SE u odnosu na PP mod.


To je problem koji inherentno postoji u klasi AB i nima nacina da ga se eliminira. Uzrok mu je u tome ca rad cijevi prelazi iz klase A u klasu B a trafo ostaje isti. Problem bi se mogal izbic tako da PP amp bude ili skroz u klasi A ili skroz u klasi B (koji bi onda tribalo jako precizno odrzavat) ali bi se na taj nacin zrtvovalo ono zbog cega se uopce i ide na klasu AB.
Ali donekle paradoksalno, taj problem i nije bas skroz nepozeljan. U podrucju di se tipicni PP amp AB klase nalazi u klasi A (manje struje) je i strmina cijevi manja a njezin unutrasnji otpor veci pa nije nepozeljno da anodna impendancija bude veca. Malo smisno izgleda to ca ti skokovi anodne impendancije daju vise prednosti kod manje linearnih cijevi dok bi kod potpuno linearnih cijevi predstavljali ozbiljnu manu ali je u stvarnosti tako. A kako povrh toga ogromna vecina takvih tipicnih pojacala koristi i povratnu vezu u ne bas malom iznosu onda ona popegla dosta stvari (barem na oscilogramima :lol: ). Nesto o tome san bas neki dan bil napisal u Kaligulinoj temi o Biampu kad san navodil razloge zasto i PP amp stavit u klasu A
Krepat ma ne molat
Avatar
sstrsat
 
Postovi: 1745
Pridružen/a: 04 svi 2011, 18:21
Lokacija: Rijeka

PrethodnaSljedeća

Natrag na Cijevna tehnika

Na mreži

Trenutno korisnika/ca: / i 3 gostiju.

cron