se 6s4p-6p7s

Re: se 6s4p-6p7s

PostPostao/la davorin » 23 ožu 2013, 09:23

midruzin je napisao/la:Kakve bi morale biti karakteristike izlaznog trafoa, koji bi odgovarao za obadvije lampe?

To je dosta teško izvodivo! Optimalan kompromis za 6P7S bi bio trafo od 2,5-3kOhma (Ub=300-310V, fiksni prednapon, Ik=74-76mA, Pout=~4W).
Za optimalni odabir trafa za 6BG6GA ("SuperTube", Pa=35W) bi trebao onaj sa primarnom impedancijom od Ra=4-4,5kOhma (Ub=440-450V, fiksni prednapon, Ik=80-82mA, Pout=~8W).
davorin
 
Postovi: 1011
Pridružen/a: 14 stu 2011, 16:48
Lokacija: Zadar

Re: se 6s4p-6p7s

PostPostao/la midruzin » 23 ožu 2013, 10:04

Čini mi se da sam vidio na e-bayu da Kinezi prodaju izlazne trafiće s više ulaznih i izlaznih impedansi. Da li takvi trafoi uopće imaju potrebnu kvalitetu?
midruzin
 
Postovi: 93
Pridružen/a: 23 srp 2011, 07:04
Lokacija: Krapina

Re: se 6s4p-6p7s

PostPostao/la davorin » 23 ožu 2013, 11:01

midruzin je napisao/la:Čini mi se da sam vidio na e-bayu da Kinezi prodaju izlazne trafiće s više ulaznih i izlaznih impedansi. Da li takvi trafoi uopće imaju potrebnu kvalitetu?

Uglavnom ne! Kad se trafo s više izvoda spoji anodom na neki od izvoda, dio namotaja ostaje "besposlen", odnosno predstavlja samo dodatni balast kapaciteta. Osim toga je vrlo komplicirano namotati kvalitetan trafo s izvodima, a da na svakoj impedanciji ima slične (prihvatljive) karakteristike.
Drugi način je da se primar(i) namotaju bez izvoda, a sekundari s više izvoda. Pogodnim spajanjem zvučnika na različite izvode se mjenja i reflektirana primarna impedancija. Ipak, i takav metod ima samo jednu od impedancija optimalnu (sa stanovišta kvalitete), a sve ostale su samo kompromisne.
davorin
 
Postovi: 1011
Pridružen/a: 14 stu 2011, 16:48
Lokacija: Zadar

Re: se 6s4p-6p7s

PostPostao/la midruzin » 24 ožu 2013, 17:31

Znači dobitak na univerzalnosti izlaznog trafoa, ide na uštrb kvalitete istih.
Evo, sad sam prepravio PC napajanje 12v i njime grijem lampe, kako bi odteretio mrežni trafo. On se sada nešto manje grije, ali ne bitno, tako da to nije pravo riješenje i neću više ga više koristiti za ovaj amp. Ovaj SE stvarno svojom kvalitetom zaslužuje jači i kvalitetniji ispravljač. Zato sam odlučio napraviti novi s onim Vašim mrežnim 200W trafoom s više anodnih napona i s dvije prigušnice. To mi sve taman stane u metalnu kutiju, koju sam predvidio za SE amp s GU50. Ovo je sad prioritetnije, te će taj amp s GU50 ići u drugu kutiju, kad dođe na red, a to će biti tek druge godine. Pošto će mi sad biti puno povoljnija situacija s izborom anodnih napona i snagom koju će dati novi ispravljač, mislim i upiknuti i snažniju 6BG6GA. Potrebno mi je Vaše mišljenje, koji anodni napon bi bilo najzgodnije koristiti i da li prijeći na fiksni bias zbog povećanja snage.
midruzin
 
Postovi: 93
Pridružen/a: 23 srp 2011, 07:04
Lokacija: Krapina

Re: se 6s4p-6p7s

PostPostao/la davorin » 24 ožu 2013, 23:23

Preporučujem iskoristiti namotaj za najveći napon koji je na raspolaganju (oko 330V?), ali prije toga morate pripaziti mogu li vam postojeći elektroliti podnijeti tako visok napon? (trebali bi biti za 500V, ili serijski spoj po 2 jednaka elektrolita svaki za napon od barem 350V sa paralelno spojenim otpornikom od 100kOhma/2W)
Trafo za grijanje daje samo 12,6V, pa morate grijanja parova elektronki vezati u seriju.
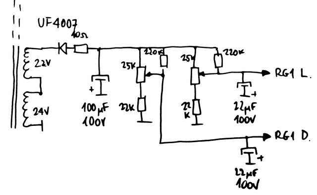
Napravite ispravljač za negativni prednapon tako da postojeće namotaje za 24V i 22V spojite serijski, pa onda tako dobiveni napon od 46V ispravite diodom i filtrirate s barem 100uF/100V. Na tako dobijeni negativni napon spojite za svaki kanal trimer potenciometar od 25kOhma spojen u seriju s 22kOhma koji ide na masu. Šiljak potenciometra (svaki kanal posebno!) dodatno filtrirate s 22uF/100V i spojitete na odvodne otpornike G1 izlaznih elektronki.
Kod prvog uključenja pazite da je prilikom starta trimer potenciometar podešen na maksimalni negativni napon. Uz tako visoki napon koristite samo 6BG6GA, a za elektronke 6P7S iskoristite izvod na trafu niži napon napajanja.
davorin
 
Postovi: 1011
Pridružen/a: 14 stu 2011, 16:48
Lokacija: Zadar

Re: se 6s4p-6p7s

PostPostao/la midruzin » 25 ožu 2013, 09:58

Ispravljač za 6p7s i 6bg6-ga.jpg
Ispravljač za 6p7s i 6bg6-ga.jpg (235.48 KiB) Pogledano 9938 put/a.
Ok, lampe su već spojene serijski, a ispravljač ću raditi po ovoj shemi dole :
midruzin
 
Postovi: 93
Pridružen/a: 23 srp 2011, 07:04
Lokacija: Krapina

Re: se 6s4p-6p7s

PostPostao/la davorin » 25 ožu 2013, 10:48

Male korekcije:
1.-pol GRAETZ-a nije spojen na masu, kao niti prvi udarni kondenzator (serijski spoj 2 komada)!
2.kondenzatori iza prigušnice (470uF/450V) moraju biti također za 500V, jer će na njima biti napon jednak vršnom dok se elektronke ne ugriju i "povuku" struju!
3.treba drugačije koncipirati ispravljač za negativni prednapon! U privitku:
Privitak/ci
001c.jpg
001c.jpg (75.2 KiB) Pogledano 9930 put/a.
davorin
 
Postovi: 1011
Pridružen/a: 14 stu 2011, 16:48
Lokacija: Zadar

Re: se 6s4p-6p7s

PostPostao/la midruzin » 25 ožu 2013, 14:52

Hvala na shemi za negativni prednapon G1! Zaboravio sam ucrtati masu iza GRAETZ-a. Na žalost imam samo dva elektrolita 500V, pa ću umjesto dvije slabije prigušnice staviti jednu jaču (njih imam) i poslije nje razdvojiti kanale otpornicima 4,7 ohma. Ne želim stavljati rabljene elektrolite, pa ću si morati nabaviti još elektrolita viših napona.
midruzin
 
Postovi: 93
Pridružen/a: 23 srp 2011, 07:04
Lokacija: Krapina

Prethodna

Natrag na Cijevna tehnika

Na mreži

Trenutno korisnika/ca: Google [Bot] i 3 gostiju.