našao razne tube, ima tko prijedloge?

Re: našao razne tube, ima tko prijedloge?

PostPostao/la sonny » 01 svi 2012, 23:42

Ma evo ja sam danas malo to navijao i iskreno meni uopce ne treba neki line s pojacanjem. Buffer je sasvim dovoljan. Ulazna isjetljivost Mugena je cca 700 mV tako da uz nekakav "normalan" izlaz CDPa od 2V potenciometar rijetko kada prelazi "12" sati. A i tada je vec poprilicna galama. Direktan spoj (samo preko potenciometra) mi ne zvuci bas najbolje. Ipak malo cijevka "oboji" zvuk i meni osobno svira bolje :D :mrgreen:
A nekad je ovdje bilo dobro.......... Šteta.......
sonny
 
Postovi: 1203
Pridružen/a: 20 kol 2011, 18:36

Re: našao razne tube, ima tko prijedloge?

PostPostao/la Edison » 02 svi 2012, 00:39

Khadgar2007 je napisao/la:Buffer nema pojačanje, on samo pojača struju signala,naponska razina ostane ista. Ne znam koliku ulaznu osjetljivost ima Aleph5 ali ako je oko 1V onda bi buffer bio sasvim logičan izbor.


Alephi ne rade najbolje bez pretpojacala. Dakle, potreban je line stage s manjim pojacanjem.
Čovječe pazi da ne ideš malen ispod zvijezda!
Avatar
Edison
 
Postovi: 1180
Pridružen/a: 04 svi 2011, 21:32
Lokacija: Rijeka

Re: našao razne tube, ima tko prijedloge?

PostPostao/la grunf » 02 svi 2012, 01:00

Edison je napisao/la:
Khadgar2007 je napisao/la:Buffer nema pojačanje, on samo pojača struju signala,naponska razina ostane ista. Ne znam koliku ulaznu osjetljivost ima Aleph5 ali ako je oko 1V onda bi buffer bio sasvim logičan izbor.


Alephi ne rade najbolje bez pretpojacala. Dakle, potreban je line stage s manjim pojacanjem.


istina,moj je Aleph3 isto sretniji (a i ja :D ) od kad sam digao pojačanje u DAC-u tako da skoro imam 5V na izlazu daca,a izlaz daca je koncipiran da koristi jednu triodu kao naponsko pojačalo i drugu kao bufer,da napomenem da ne koristim predpojačalo

alephima ipak triba malo više napona na ulazu za razliku od standarnih pojačala
"Bolje nešto od nečega nego ništa od ničega."
Avatar
grunf
 
Postovi: 844
Pridružen/a: 05 ruj 2011, 23:51
Lokacija: Šibenik

Re: našao razne tube, ima tko prijedloge?

PostPostao/la davorin » 06 lip 2012, 20:57

U prilogu uputa za spajanje i podaci za namatanja protufaznog izlaznog transfomatora za pojačalo sa 2 komada ECL80.
Privitak/ci
Trafo za 2xECL80-PP.gif
Trafo za 2xECL80-PP.gif (53.33 KiB) Pogledano 4879 put/a.
davorin
 
Postovi: 1011
Pridružen/a: 14 stu 2011, 16:48
Lokacija: Zadar

Re: našao razne tube, ima tko prijedloge?

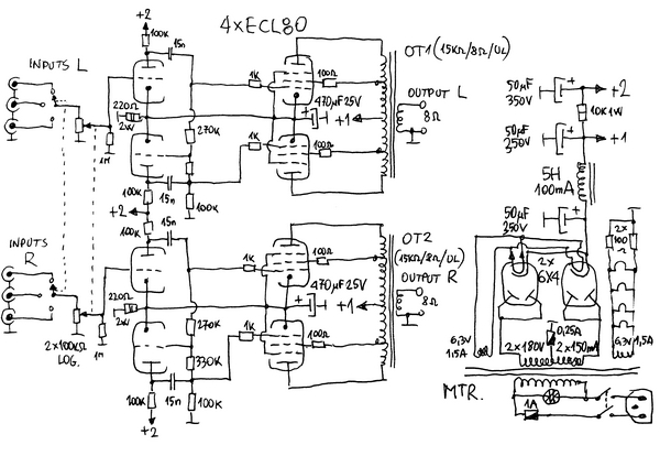
PostPostao/la davorin » 07 lip 2012, 19:25

Prijedlog stereo integriranog pojačala 2x3W sa elektronkama 4xECL80 i 2x6X4 u ispravljaču.
Privitak/ci
004c.jpg
004c.jpg (137.62 KiB) Pogledano 4842 put/a.
davorin
 
Postovi: 1011
Pridružen/a: 14 stu 2011, 16:48
Lokacija: Zadar

Re: našao razne tube, ima tko prijedloge?

PostPostao/la pamook » 07 lip 2012, 22:33

da ne otvaram drugu temu, ne nalazim DS na netu, Elesta ER21A? Nema skoro nikakvih podataka na netu, odn. preciznije - ja ih ne nalazim :oops: ... ima li audio koristi od nje?

thx
....nemoj Sirogojno, ja ću....
Avatar
pamook
 
Postovi: 1007
Pridružen/a: 19 kol 2011, 20:39
Lokacija: Vinkovci, predgrađe periferije, Utopija

Re: našao razne tube, ima tko prijedloge?

PostPostao/la davorin » 07 lip 2012, 22:55

pamook je napisao/la:da ne otvaram drugu temu, ne nalazim DS na netu, Elesta ER21A? Nema skoro nikakvih podataka na netu, odn. preciznije - ja ih ne nalazim :oops: ... ima li audio koristi od nje?

thx

Znam samo da se radi o elektronki sa hladnom katodom (tiratron, naponski stabilizator, strujni stabilizator).
OPREZ! Da bi elektronka sa hladnom katodom emitirala elektrone, postoji mogućnost da je RADIOAKTIVNA! (ima i drugih načina)
Nije toliko opasna dok se ne razbije i eventualni radioaktivni materijal ne dođe u direktni kontakt sa rukama!
davorin
 
Postovi: 1011
Pridružen/a: 14 stu 2011, 16:48
Lokacija: Zadar

Re: našao razne tube, ima tko prijedloge?

PostPostao/la pamook » 07 lip 2012, 23:03

thx Davorin :thumbup: , bas kopam po netu i nadjoh upravo takvu informaciju na radio-museum

http://www.radiomuseum.org/tubes/tube_er21a.html

informacije su totalno sture pa zato pitam... dakle, zaobici u sirokom luku (ili prodavati pod kontraceptiv koji se samo nosi u dzepu) :shock: :mrgreen:
....nemoj Sirogojno, ja ću....
Avatar
pamook
 
Postovi: 1007
Pridružen/a: 19 kol 2011, 20:39
Lokacija: Vinkovci, predgrađe periferije, Utopija

Re: našao razne tube, ima tko prijedloge?

PostPostao/la Khadgar2007 » 07 lip 2012, 23:05

Ili prodaj gosponu :ugeek: ,on se bavi takvim stvarima, živine ispravljačice i sl. pa će jedna radioaktivna naći sigurno mjesta u njegovoj radioni. :mrgreen:
"Nakon prve čaše vidite stvari onakvim, kakve bi vi htjeli da budu. Nakon druge vidite ih onakvim, kakve nisu. Na kraju ih vidite onakvim, kakve zaista jesu, što je najgora stvar na svijetu."
Avatar
Khadgar2007
 
Postovi: 2488
Pridružen/a: 05 svi 2011, 16:44
Lokacija: Sisak

Re: našao razne tube, ima tko prijedloge?

PostPostao/la pamook » 07 lip 2012, 23:09

je, pa da ja poslije budem kriv sto na TF5 dolazi kao covjek-slon :lol: :lol: ...
....nemoj Sirogojno, ja ću....
Avatar
pamook
 
Postovi: 1007
Pridružen/a: 19 kol 2011, 20:39
Lokacija: Vinkovci, predgrađe periferije, Utopija

PrethodnaSljedeća

Natrag na Cijevna tehnika

Na mreži

Trenutno korisnika/ca: Google [Bot] i 3 gostiju.