TUBE MC i MM phono stupanj

TUBE MC i MM phono stupanj

PostPostao/la harkonen » 05 svi 2011, 15:03

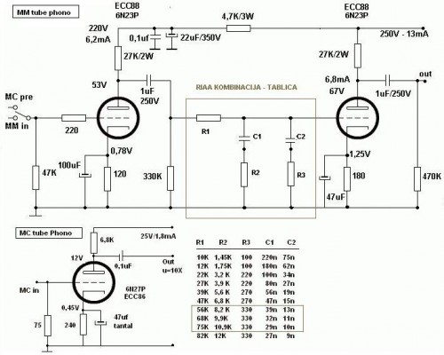
Dakle, kako se svi srame, ja ću prvi pa ubaciti u ovaj podforum-temu nečim što nisam do sada obrazlagao, ali ponukan
još jednom nedavnom pohvalom o ovom dobrozvučećem phono tube stageu, evo ga onda na uvid graditeljima.
Ništa revolucionarno, bezbroj puta korištena topologija dva RC stupnja sa pasivnom RIAA ekvalizacijom, doduše iznova preračunata
i podešena, ali možemo reći standardna. No zvuči vanstandardno.
MM stupanj ima pojačanje 38dB i dovoljan je da se spaja direktno na integrirane izlazne stupnjeve osjetljivosti 0dB.
Koristi Ecc88 ili neku od njezinih varijacija, ja naravno kao ruskolampofil koristim 6n23p-ev.
Za RIAA kombinaciju sam stavio tablicu, točne vrijednosti treba postići serijski-paralelnim spajanjima, i kako
sam zaokružio, preporučam kombinaciju koja počinje sa R1- 68K ili R1-75K.
Kombinacije sa nižim R1 imaju nešto ravniju karakteristiku, ali normalno u granicama RIAA krivulje, veće
vrijednosti malo izdižu bas područje.
Niti najmanja R1 vrijednost neće previše opteretiti prvi stupanj sa ovom lampom.
Anodne struje su korektne i pomažu detaljnosti zvučne slike, da ne idemo sad u basne i bajke....

MC je opcionalni stupanj pojačanja 20dB koji se po želji može dodati - uključiti ispred MM stupnja, a prilagodbu ulaznog otpora
prema specifikacijama raznih proizvođača zvučnica možete napraviti sa npr DIP switchem pa raznim kombinacijama postići
univerzalnost ulaznog otpora.
Specifikum je korištenje space charghe lampe malog anodnog napona ( http://www.junkbox.com/electronics/lowv ... ubes.shtml )
i opet ruska verzija ECC86 lampe 6n27P.
Napon napajanja MM je malo viši jer je ovaj phono dio jednog većeg projekta pa se koristio isti izvor napajanja,
jasno, Vi možete ići i na nešto niži uz prilagodbu anodnih otpora, no ova je radna linija optimalna za postizanje potrebnog pojačanja.
MC dio se napaja sa 24-25V, koji bi trebao biti stabiliziran, a može se napraviti recimo iz zajedničkog izvora pa kroz RC član na LM317, pa
još jedan RC član sa obveznim blokovima... o DC grijanju, brumu i konstrukciji da se ne priča.

I naravno, tantali za katodne bypasse dobrodošli.... :-)


phono-mm-diyaudio.JPG
I'm too old for this s...
Avatar
harkonen
 
Postovi: 2195
Pridružen/a: 04 svi 2011, 14:27
Lokacija: Bjelovar

Re: TUBE MC i MM phono stupanj

PostPostao/la sstrsat » 05 svi 2011, 15:35

I eto, prva tube tema je rodjena. Lip i jednostavan prikaz phono ampa i ca se tice MM stupnja tu nima problema. I ECC88 i ruska 6H23 i hrpa drugih cijevi ce tu odlicno obavit posal i ca se tice i suma i dinamike i propusnog opsega i linearnosti. Zamjerka bi mozda bila na nepostojanju treceg stupnja (svejedno da li line ampa ili buffera) jer ce kapacitet interkonekta siguro imat odredjeni nezeljeni uticaj (a i ulazni otpor onoga ca dojde iza nece bit bez uticaja).

Ali za ovaj MC stupanj sa ECC86 nisam bas sigran. Ne u smislu da on nece prodelat nego u smislu da ce njegov nivo suma bit preveliki. U MC stupnju i cijevi sa puno nizim nivoom suma nego ca je ECC86 jedva zadovoljavaju zahtjeve za potribnom malosumnosti (i to uz ipak malo nategnute kriterije) tako da mislin da je ECC86 prilicno daleko od optimalnog izbora za MC ulaz.
Ako naravno govorimo o uobicajenim MC zvucnicama tipicnog izlaznog napona od 0,25 do 0,5mV. A naoko paradoksalno, ovaj ECC86 ulaz ce u ovakvoj konfiguraciji izgledat da ima sasvim dobar odnos signala i suma ali to je ustvari postignuto zrtvom pojacanja. Sa ukupnim pojacanjem od 58dB (20dB MC + 38dB MM) i sa recimo 0,3mV na ulazu je izlazni nivo iz preampa svega nekih 250mV. Ili drugim ricima, znaci da fali punih 12dB za punu pobudu pri standardnoj 1Veff ositljivosti izlaznog ampa. Ili 10dB ako govorimo o 0dB (775mV) ositljivosti.
Ovo smanjeno ukupno pojacanje je (pre)velika zrtva dinamike ukupnog sistema i nazalost bi dodavanje linijskog preampa pokazalo da ECC86 nije bila sritan izbor.

Ali naravno, ako je ovo namijenjeno za "high output" MC zvucnice izlaznog napna veceg od 1mV (tipicno nekih 1,5mV) onda se stvari minjaju i tu je ECC86 virovatno sasvim dovoljno dobra
Krepat ma ne molat
Avatar
sstrsat
 
Postovi: 1745
Pridružen/a: 04 svi 2011, 18:21
Lokacija: Rijeka

Re: TUBE MC i MM phono stupanj

PostPostao/la Edison » 05 svi 2011, 15:49

Zanimljiv projekt, harkonen. Interesantan mi je MC dio s ECC86, imam par tih lampi. Moj cijevni phono je vec svirao u Umagu. Mislio sam mu dodati MC pre-pretpojacalo s 2SK170, ali mi je interesantna i ova opcija pa da bude sve cjevasto... Samo da ne bude sve skupa previse sumno? Moj MM phono ima pojacanje oko 44dB pa bih mozda prosao i s pojacanjem od 10-12dB u MC stupnju.
Imas li mozda koju 6N27P viska da probam ima li razlike prema ECC86?
Čovječe pazi da ne ideš malen ispod zvijezda!
Avatar
Edison
 
Postovi: 1180
Pridružen/a: 04 svi 2011, 21:32
Lokacija: Rijeka

Re: TUBE MC i MM phono stupanj

PostPostao/la harkonen » 05 svi 2011, 15:58

Nema neke razlike onako po grafu između tih lampica, ali vjerovatno po izvedbi ima. Tako da je vjerovatno i šumnost jedna od elemenata u kojima bi se mogle uspoređivat'.
Vidiš, učim još na ovom forumu, kliknuo sam na Odgovori i napisao pola strane teksta i sad ne vidim kud je to otišlo , mmm,hmmm...
Rekoh u tom odgovoru da sam postavio polazište za MC od 1mV i od toga računao dalje. Ispod toga je, da, malo premalo pojačanja i vjerovatnije bi se razmišljalo možda i o pentodicama u MC, ali vjerovatnije i o baterijom napajanom FET-u. Ti si isto mislio na bateriju, Edison ili ne? To mi se čini kao optimalan izbor.
Kako je ovo dio jednog šireg projekta iza ovoga je inače line stage i buffer tako da je onaj dio o potrebi buffera s razlogom i na mjestu, no sve do 1m i solidne kvalitete interkonekta mislim da ide bez greške.

Ipak, da budemo sigurni, moramo otvoriti temu o kablovima.... :-)
I'm too old for this s...
Avatar
harkonen
 
Postovi: 2195
Pridružen/a: 04 svi 2011, 14:27
Lokacija: Bjelovar

Re: TUBE MC i MM phono stupanj

PostPostao/la ilimzn » 05 svi 2011, 17:42

Hm, ECC86/6N27P je tzv. space charge trioda i zapravo je slicnija tetrodi nego triodi po ustroju, s time da je G1 interno spojena na anodu. Takve cijevi imaju jedan mehanizam shuma slican particijskom shumu kod tetroda/pentoda, tako da nisam bas siguran sto ce tu ispasti.
Medjutim, evo jedne ideje: uzeti dvije sekcije ECC88 spojene u paralelu. Struja neka bude dosta visoka, uzevsi u obzir da bi prednapon trebao biti ipak negdje iznad 0.5V radi struje resetke. Svaka sekcija neka ima svoj katodni i anodni otpor, kao i izlazni kondenzator, pa se tek iza potonjeg spaja u paralelu, dok su mrezice spojene skupa.
Jedna druga, malo neortodoksna alternativa, bi bila spojz ajednicke resetke. U tom slucaju se katode spajaju skupa na dvostruko manji katodni otpor - tezimo prema vrijednosti ulaznog otpora MC pretpojacala, dakle kao na slici oko 75 ohma. Mrezice skupa na masu, svaka anoda svoj otpor i izlazni kod, spojeni u paralelu iza izlaznog konda. naravno, ovdje mora na ulaz, prema katodi, biti spojen serijski kondenzator, koji u originalnoj shemi ionako postoji (samo bi ipak trebao mozda biti veci od 47uF :) ). Ulazni je otpor vrlo nizak, oko 23 ohma, no to je jos uvijek u rangu pozeljne terminacije za mnoge low output MC zvucnice. Struja resetke ovdje nije kriticna no treba voditi racuna da je ona jedna forma izvora shuma, jer na ulaznom otporu/grid stopper-u stvara napon shuma koji se takodjer pojacava.
Shum ovakve kombinacije u paralelije 3dB manji od jedne cijevi, konkretno shum se smanjuje s korijenom iz broja paralelnih sekcija, sto nije bas neko cvijece, no mogao bi se kladiti da je puno nizi od ECC86.
ilimzn
Iron Man
 
Postovi: 979
Pridružen/a: 05 svi 2011, 13:39

Re: TUBE MC i MM phono stupanj

PostPostao/la sstrsat » 05 svi 2011, 18:56

Da, to teoretski izlazi 3dB poboljsanja ali je u praksi ipak ponesto manje. I mada i tih ostvarenih nec preko 2dB moze znacit jako puno kod ovako malih signala kakve daje MC zvucnica, ovdi se javlja jako veliki problem stabilnosti jer takav spoj vrlo lako zaoscilira. Spajanje dvi sekcije ECC88 u paralelu u principu ne gre bez grid stopera, generalno i vecih nego ca pita samo jedna sekcija a to efikasno srozava rezultate koji bi se bez njih mogli ostvarit. Proviril san to u praksi jos davno. A sama izvedba bas i nije za neiskusne zbog tog vrlo izrazenog problema stabilnosti. Doduse, ni same ECC88 nisu bas skroz iste pa ako se potrefe neke di je induktivitet katodnog uvoda manji onda se moze izac i sa manjim grid stoperima pa samim time dobit i bolje rezultate.
Ali skrecem paznju manje iskusnima da grid stoperi nisu sami po sebi carobni stapic i da tu triba itekako postivat neke stvari iz RF tehnike.

Ova stvar sa paraleliziranjem sekcija bi ustvari imala puno vise sansi za prakticno zazivit ako bi se koristilo paraleliziranje stupnjeva sa zajednickom resetkom. Oni su zbog vrlo malog povratnog kapaciteta (ovdi ne Cga nego Cak) puno imuniji na oscilacije nego stupnjevi sa zajednickom katodom. Nevolja je jedino ca bi ulazni otpor tu bil vrlo nizak pa bi se bilo ograniceno samo na zvucnice koje su predvidjene da budu terecene sa vrlo malim otporima. A takve su generalno one skuplje ca u praksi znaci da se takav spoj ne bi mogal koristit sa recimo popularnima Denon DL103 i slicnima koje pitaju 100 ili i vise oma opterecenja.

Ali sve u svemu, pitanje je koliko je to u praksi vridno truda. Broj cijevi u paralelu brzo dostize granicu kad to sve skupa pocne oscilirat tako da nima govora o nekim enormnim poboljsanjima koja bi se npr dobila kad bi se moglo paralelno spojit neograniceni broj sekcija. Kod ECC88 bi se tako moglo spojit do recimo 4 sekcije a kod strmijih cijevi manje. Tako da se vrlo brzo dojde do situacije da je daleko bolji izbor samo jedna ali dobro odabrana cijev.
Krepat ma ne molat
Avatar
sstrsat
 
Postovi: 1745
Pridružen/a: 04 svi 2011, 18:21
Lokacija: Rijeka

Re: TUBE MC i MM phono stupanj

PostPostao/la harkonen » 05 svi 2011, 19:26

Što se tiče bypassa, zanimljivo je što sam imao po standardnoj matematici od fd-20Hz u prvoj katodi MC-a 330uF, na prvoj katodi MM-a 680uF,a na drugoj 500uF, no, kad sam umjesto običnih elektrolita tih vrijednosti ubacio tantale navedenih vrijednosti kao na shemi, bilo kakav nedostatak donjih registara se nije osjetio, ali dobitka u detaljnosti i dinamici je
oho-ho.
A glede MC-a, ja sam za to da tu treba sve probati, i triode i pentode,i Fetove i paralele i trafoe, puno je puta matematika rekla jedno, a uho drugo.
I onda se tek razotkrije na što se zaboravilo. Na kablove! :-)

Možda ne bi bilo loše postati sheme ovih ideja za MC pa da se ljudi pozabave istima kad stignu, mislim da će tu Varaždinci brzo nešto obaviti....
I'm too old for this s...
Avatar
harkonen
 
Postovi: 2195
Pridružen/a: 04 svi 2011, 14:27
Lokacija: Bjelovar

Re: TUBE MC i MM phono stupanj

PostPostao/la sstrsat » 05 svi 2011, 20:51

harkonen je napisao/la:A glede MC-a, ja sam za to da tu treba sve probati, i triode i pentode,i Fetove i paralele i trafoe, puno je puta matematika rekla jedno, a uho drugo.
I onda se tek razotkrije na što se zaboravilo. Na kablove! :-)

Možda ne bi bilo loše postati sheme ovih ideja za MC pa da se ljudi pozabave istima kad stignu, mislim da će tu Varaždinci brzo nešto obaviti....


Naravno, nima nikakvog rezultata bez kabela od par kila eura po metru :lol: :lol: :lol: :lol: :lol: :lol:

Samo nazlost, kod takvih stvari ka ca je MC ulaz matematika ipak kaze svoje. Za vrlo grubu racunicu provedi proracun odnosa signal sum iz vridnosti Req za odabranu cijev. Ako vec tu dobijes da nije zadovoljavajuci, mores bit siguran da ce u stvarnosti bit jos i za najmanje koji dB gore. Ovaj Req ima svoju vridnost kod izracuna suma rezonantnog pojacala ali kod sirokopojasnog pojacala koje mora delat na najnizim frekvencijama (audio) ulaze i neki drugi faktori koji su itekako diktirani samom konstrukcijom cijevi i kvalitetom izrade.

Kad se sve zbroji i oduzme, najbrzi put do uspjeha sa MC stupnjem je koristenje poluvodica (ima sasvim dosta i bipolarnih i fetova koji tu potpuno odgovaraju). A ono ca je manje iskusnima dosta znacajno, takav poluvodicki MC stupanj se moze sastavit za pol ure ili uru posla i odma vidit ca se postiglo. Jedan npr 2SK170, pokoji R i C i baterija i evo ga.
Krepat ma ne molat
Avatar
sstrsat
 
Postovi: 1745
Pridružen/a: 04 svi 2011, 18:21
Lokacija: Rijeka

Re: TUBE MC i MM phono stupanj

PostPostao/la Edison » 05 svi 2011, 21:45

harkonen je napisao/la:Rekoh u tom odgovoru da sam postavio polazište za MC od 1mV i od toga računao dalje. Ispod toga je, da, malo premalo pojačanja i vjerovatnije bi se razmišljalo možda i o pentodicama u MC, ali vjerovatnije i o baterijom napajanom FET-u. Ti si isto mislio na bateriju, Edison ili ne? To mi se čini kao optimalan izbor.


Je, mislio sam na akumulatorom napajani FET. Shemicu mi je dao sstrsat, ima vec skoro godinu dana, a ja nista, pomalo me je vec stid. Sve je nabavljeno, samo treba to sloziti u jedno popodne, izabrati FET-ove s najmanje shuma i sloziti dva kompletica koji ce u kutiju s MM pretpojacalom. Stalno je nesto drugo u planu pa to malo cudo nikako na red. Sto cu kad me vise zanimaju staklenke od tronogih plastikica... ;-)
Čovječe pazi da ne ideš malen ispod zvijezda!
Avatar
Edison
 
Postovi: 1180
Pridružen/a: 04 svi 2011, 21:32
Lokacija: Rijeka

Re: TUBE MC i MM phono stupanj

PostPostao/la sstrsat » 05 svi 2011, 21:58

Edison je napisao/la:Stalno je nesto drugo u planu pa to malo cudo nikako na red. Sto cu kad me vise zanimaju staklenke od tronogih plastikica... ;-)


Pa upakiraj 2SK170 u epruvetu i stavi sa njim malu zaruljicu da svitli ka katoda :lol:
Krepat ma ne molat
Avatar
sstrsat
 
Postovi: 1745
Pridružen/a: 04 svi 2011, 18:21
Lokacija: Rijeka

Sljedeća

Natrag na Cijevna tehnika

Na mreži

Trenutno korisnika/ca: / i 4 gostiju.