Osnovna je namjena napraviti relativno jeftino PUSH-PULL pojačalo koje može s dovoljno snage pogoniti zvučnika manje osjetljivosti, sa snagom koja bi u SINGLE-END topologiji bilo vrlo slupo.
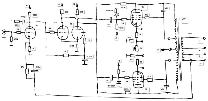
Šema nema nekih posebnosti, a primjenjiva je za vrlo širok dijapazon elektronki, kako u ulazu, tako i u okretaču faze i izlazu.
Za ulaznu elektronku sam izvorno isplanirao koristiti jednu triodu elektronke 6SL7GT (ili ruska 6N9S), za okretač faze 6SN7GTB (ili rusku 6N8S), a u izlazu 6L6GB ili 5881 (ruske 6P3S ili 6P3S-EV).
Umjesto oktalne 6SL7GT bi se mogla koristiti i noval ECC83(12AX7) ili ruska 6N2P(-EV), kao i bilo koja trioda male snage sa faktorom pojačanja većim od 50.
Na mjestu okretača faze se umjesto oktalne 6SN7GTB, mogu koristiti i noval elektronke 6CG7, 6FQ7, 12BH7 pa i ruske 6N6P ili čak 6N1P(-EV).
Napominjem da se sve ove elektronke mogu koristiti praktično bez izmjena u šemi.
Ohrabren odličnim dosadašnjim iskustvima sa COMPACTRON elektronkama, odlučio sam upotrijebiti 6U10, koja u balonu ima jednu triodu vrlo sličnu polovici ECC83 i dvije iste triode vrlo slične elektronkama 6CG7 i 6FQ7 (koje su ustvari noval-varijanta elektronke 6SN7GT).
Umjesto jeftinih ruskih 6P3S (ili 6P3S-EV), odlučio sam se za još jeftinije ruske 6P41S. Relativno rijetko upotrebljavana u audio pojačalima, 6P41S je izvorno namjenjena za izlazni stupanj vertikalnog otklona u CRT-televizorima (dakle za zahtjevnu zadaću linearnosti u trajnom radu!).
Za šasiju koristim Al-lim od 2,5mm, okvir je od Al-"U"-profila (46x15), a na dnu je perforirani lim radi boljeg hlađenja.
Dimenzije lima su 240x175mm sa smještajem priključaka na stražnjoj strani i samo mrežnim prekidačem na prednjoj strani.

