Kako je Harkonen sugerirao u jednoj drugoj temi da bi se od ove ruske male ali moćne triode dalo složiti pojačalo za slušalice, a ja sam ipak slušalicomanijak, evo mog skromnog pokušaja konstrukcije.
Stavljam shemu i otvaram diskusiju.
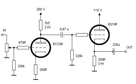
ECC88 je biasirana na 11 mA, -2,2 V sa 7k5 u anodi.
6S19P je na oko 95 V, 80 mA i Ug -20 V.
Kao prvo da li nešto nedostaje ili ima viška?
Komentar radne točke 6S19?
Prijedlozi i razno?
