narezno svrdlo

narezno svrdlo

PostPostao/la felix the cat » 16 svi 2011, 14:12

pozdrav,

jel ima netko od vas majstora narezno svrdlo 1,5 ili 1,4 mm? treba mi za napraviti navoje na kucistu za montazu jednog malenog tranzistora?
Avatar
felix the cat
 
Postovi: 16
Pridružen/a: 07 svi 2011, 12:36
Lokacija: Zagreb

Re: narezno svrdlo

PostPostao/la s@ki » 16 svi 2011, 16:02

ako ne nađeš ja ti imam 3,4,5 mm. ili nedjelja herlic, 5kn kom :)
Budimo UNIVERZALNI
Avatar
s@ki
 
Postovi: 1465
Pridružen/a: 05 svi 2011, 14:39

Re: narezno svrdlo

PostPostao/la Dean » 16 svi 2011, 18:03

Mislim da imam 2 mm, ali 1,4 ? hmm ...metrički? hmm
Dean
 
Postovi: 1774
Pridružen/a: 05 svi 2011, 17:13

Re: narezno svrdlo

PostPostao/la Khadgar2007 » 16 svi 2011, 21:18

Ajoj,tako male nareznice sumnjam da li uopće postoje kod nas. Ja imam standardne od M3-M10
"Nakon prve čaše vidite stvari onakvim, kakve bi vi htjeli da budu. Nakon druge vidite ih onakvim, kakve nisu. Na kraju ih vidite onakvim, kakve zaista jesu, što je najgora stvar na svijetu."
Avatar
Khadgar2007
 
Postovi: 2488
Pridružen/a: 05 svi 2011, 16:44
Lokacija: Sisak

Re: narezno svrdlo

PostPostao/la LesFaul » 16 svi 2011, 21:38

Recite da cjepidlacim, ali cijelo vrijeme je rijec o UREZNICAMA a nitko ih nije spomenuo...
Hebeš ampa ak' je bez lampa!
Avatar
LesFaul
 
Postovi: 567
Pridružen/a: 06 svi 2011, 09:41
Lokacija: Sydväst

Re: narezno svrdlo

PostPostao/la Dean » 16 svi 2011, 22:30

LesFaul je napisao/la:Recite da cjepidlacim, ali cijelo vrijeme je rijec o UREZNICAMA a nitko ih nije spomenuo...


Cjepidlačiš...

Ko ima ureznicu ima i nareznicu.
Mada ja mislim da to ne postoji...
Dean
 
Postovi: 1774
Pridružen/a: 05 svi 2011, 17:13

Re: narezno svrdlo

PostPostao/la felix the cat » 17 svi 2011, 10:37

Dean je napisao/la:Mislim da imam 2 mm, ali 1,4 ? hmm ...metrički? hmm

da metricki mi treba, moze i 1,5 i cak 1,6mm (to se zove tolerancija :-))
Khadgar2007 je napisao/la:Ajoj,tako male nareznice sumnjam da li uopće postoje kod nas. Ja imam standardne od M3-M10

vidio sam da prodaju na netu (Vijci Kranjec) ali samo u kompletu..cca nekih 350kn, to mi je malo tu mač za iskeširat se

Evo neka tema bude otvorena pa ako se netko nadje tko ima..

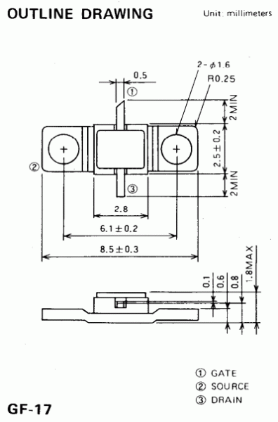
Evo i slike tog malog gada :-)
Privitak/ci
gaasfet.gif
Avatar
felix the cat
 
Postovi: 16
Pridružen/a: 07 svi 2011, 12:36
Lokacija: Zagreb

Re: narezno svrdlo

PostPostao/la Khadgar2007 » 17 svi 2011, 17:07

Malo glupo jer sam to nikada ne bih radio ali da probaš to napraviti sa pleh šarafima,fino pritegneš i to nemre nikuda mrdati.
"Nakon prve čaše vidite stvari onakvim, kakve bi vi htjeli da budu. Nakon druge vidite ih onakvim, kakve nisu. Na kraju ih vidite onakvim, kakve zaista jesu, što je najgora stvar na svijetu."
Avatar
Khadgar2007
 
Postovi: 2488
Pridružen/a: 05 svi 2011, 16:44
Lokacija: Sisak

Re: narezno svrdlo

PostPostao/la joe dalton » 17 svi 2011, 23:41

Svojevremeno sam kupio u haubausu pojedinačno M3, M4 i M5 tako da mislim da bi mogli imati i M1,5.
Avatar
joe dalton
 
Postovi: 770
Pridružen/a: 06 svi 2011, 10:14
Lokacija: Zagreb

Re: narezno svrdlo

PostPostao/la Roko » 22 svi 2011, 19:34

Tema premještena u prikladniji dio foruma, ne radi se o Offtopicu ;)
neciviliziran, nekvalitetan i ne vidim dalje od nosa
Avatar
Roko
 
Postovi: 2090
Pridružen/a: 03 svi 2011, 23:10
Lokacija: Zadar

Sljedeća

Natrag na U potrazi sam za...

Na mreži

Trenutno korisnika/ca: / i 1 gost.

cron