Kako se tu radi o necemu ca jos nije koristeno u audio pojacalima to ne ocekujem da ce bit neki veliki odziv na temu ali bi mi bilo drago da se diskusija razvije. Tim prije ca uspjeh ovog projekta otvara vrata primjeni neceg slicnog i u izlaznim SE stupnjevima sa pover mosfetima (popularno zvan power follower).
Za ovo prikazano ovdi nisam nasal nikakvu reference na netu ali ako netko zna za koju neka postavi link
Pa ajmo po redu. Prvo zasto Vfet (SIT)? Odgovor je valjda prilicno jasan, vec letimicni pogled na njegov Ud - Id graf pokazuje izuzetnu slicnost sa vrlo linearnom triodom. OK, kapaciteti te "triode" nisu uopce mali ali tu bi prica mogla stat i uz uvjet jakog drivera bi se ionako izaslo u MHz podrucje. To znaci da odma moram odgovorit na iduce logicno pitanje zac ne stavit npr jednu 6C33 za driver i risit se brige.
Odgovor je u tome ca Vfet ipak nije trioda. Iako njegovi Ud - Id grafovi govore da je on njezin brat blizanac, stvarnost je ipak poprilicno drukcija. Njegov parazitni kapaciteti su prvo vrlo veliki (to ni tolika tragedija kad se koristi vrlo jaki driver) i ca je puno gore, oni su nelinearni. Tu po meni i lezi veliki dio odgovora na onu situaciju koju mnogi smatraju za neobjasnjivu, kako to da u jako puno slucajeva cijevna pojacala sa itekako skromnim mjerenim parametrima zvucno nadmasuju poluvodicka koja na mjerenju (standardnih) parametara pokazuju blistave rezultate. Parazitni kapaciteti kod cijevi su prvo puno manji nego kod poluvodica a ka drugo oni su gotovo potpuno linearni
Analiza dinamickih uticaja nelinearnih kapaciteta na sistem koji je pobudjen random signalom sastavljenim od ki zna koliko frekvencija (glazbeni signal) i vrlo razlicitih amplituda je izuzetno kompleksna a ni njihovo mjerenje (bas zato ca su signali random) nije nimalo jednostavnije.
Koji bi bili putevi da se Vfet priblizi cim vise triodi i da joj bude cim vise brat blizanac, ne samo u statickom nego i u dinamickom smislu? Sama logika govori da ako bi se uspilo linearizirat njegove parazitne kapacitete (ne naravno memoguca misija unutar njega samoga nego u sklopu) i odredjenim mjerama (neutralizacijom) ih ponistit, dobil bi se element koji bi i u dinamickom smislu bil puno blizi triodi.
Ovo o kljucnom uticaju nelinearnih kapaciteta na zvucne razlike cijevi - poluvodici je zasad moje osobno misljenje ali sve godine iskustva me navode na to da sam na ispravnom putu. I moren rec da ovi projekt najvecim dilom vuce genezu iz toga ca se otvorila mogucnost nabave Vfetova pa ce se ta razmisljanja moc i provjerit direktnim mjerenjima. Npr ovako, ampu ce se privest smjesa od nekoliko signala razlicitih amplituda i frekvencija i to preko vrlo jakog drivera koji ce zac debelo u MHz podrucje pa time eliminirat uticaj samog propusnog opsega na rezultate a na analizatoru spektra ce se promatrat razlike sa ukljucenom i iskljucenom linearizacijom / neutralizacijom. A provodit ce se naravno I slusni testovi sa i bez tog dodatka
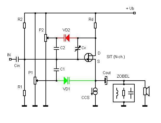
Pa ajmo vidit kako bi to moglo izgledat. Na shemi je prikazano izlazno Vfet sljedilo sa onim ca bi mu to tribalo omogucit. Shema je naravno skroz principijelna i mnoge detalje ce tribat eksperimentalno risit ali opcenita objasnjenja kako to dela se vec i iz nje mogu dat.
Shema
Odma da recem da ce se neutralizacija / linearizacija odnosit samo na ulazni i povratni kapacitet. Izlazni kapacitet ima tu vrlo malog uticaja jer je na izlazu dominantno skroz niskoomsko opterecenje (zvucnik). Onaj ki oce stec neku predodzbu o ovoj shemi bi ju tribal gledat parcijalno jer iako ima vrlo malo komponenti, zamki ne fali. Tako da ajmo prvo maknut sa nje ono ca je nebitno za razmatranja. A to su kondenzatori Cin, Cout, C1 i C2 (kapacitet im je veliki pa za signal predstavljaju prakticno kratki spoj); otpornici R1 i R2 i CCS koji sluze za odrzavanje staticke radne tocke Vfeta; potenciometri P1 i P2 koji sluze za podesavanje radne toche varicap dioda (njih gledajmo ka izrazito visokoomske i da ka takvi nimaju nikakvog uticaja na rad sklopa).
A za prvi korak (dok ne dojdemo do neutralizacije zanemarimo i otpornik Rd a isto tako i izlaznu Zobel mrezu (ovdi samo principjelno prikazanu). Ono ca ostaje (sam Vfet i varicap diode VD1 i VD2 nam pokazuje principjelno kako linearizirat kapacitete Vfeta. Njegovi kapaciteti su jako ovisni o potencijalu elektroda i opcenito padaju sa povecanjem potencijalne razlike na elektrodama. Ima i struja koja tece kroz njega odredjeni (mada puno manji) uticaj na njih tako da se ovdi necu uopce oslanjat na objavljene grafove promjene kapaciteta nego cu simulacijom trenutne vridnosti signala (DC prominama radne tocke) izvest snimanje grafa promine medjuelektrodnih kapaciteta u zavisnosti od trenutnih vridnosti signala. Dobit ce se neka krivulja koja ce sa povecanjem signala u jednu ili drugu stranu od staticke radne tocke pokazivat rast i pad. A ca je potribno da se od takve krivulje dobije ravna linija? Pa u osnovi neki element koji ce imat komplementarnu karakteristiku kapaciteta u kojoj ce zbroj ta dva kapaciteta uvik bit konstantan. A taj element je u principu varicap dioda koja je upravo i kreirana za to da se njezin kapacitet minja u sirokim granicama sa prominom napona na njoj.
Ovdi naravno nece moc ic samo jednostavna varicap dioda jer nima niti teoretske sanse da postoji neka koja ce imat bas idealno zrcalnu karakteristiku kapaciteta u odnosu na Vfet. Bas zato su na shemi varicap diode prikazane u drugim bojama, da se naglasi da to nece bit samo po jedna varikapica. Ne, tribat ce tu i mozda (vrlo virovatno) kompleksna kombinacija od vise varicap dioda i serijski i paralelno vezanih kondenzatora da se dobije inverzna slika kapaciteta Vfeta. I to dvi takve kombinacije, jedna za ulazni a jedna za povratni kapacitet Vfeta. kakve ce te kombinacije bit, to naravno za sad ne moren rec. Znat cu nakon ca snimim grafove kapaciteta Vfeta.
Isto tako, na ovoj tocki bi se komotno moglo stat. Tu ce se vec dobit linearni kapaciteti pa bi vrlo jaki driver (recimo 6C33) omogucil da se ionako zajde u MHz podrucje bez obzira ca ce ovako linearizirani kapaciteti bit veci od najvecih parazitnih kapaciteta samog Vfeta. A prakticno se ne bi ni moralo razmisljat o Zobel mrezi ni o tome koji je zvucnik prikljucen.
Iduci korak (neutralizacija) je u neku ruku tiranje inata
OK, sad se malo vratimo na one elemente koje smo u prvom koraku, linearizaciji, zanemarili (Rd i Zobel). Da bi se ovdi dobila dva protufazna napona, triba u drain Vfeta stavit otpornik Rd. Taj otpornik ne smi bit preveliki iz vise razloga pa to znaci da ce ukupni kapacitet izmedju draina i gatea morat bit puno veci nego izmedju sourcea i gatea. Logicno, pojacanje na strani draina ce sa malim radnim otpornikom bit vrlo malo . Tako da ce u paralelu sa varikapicom VD2 morat doc i jedan promjenljivi kondenzator (ustvari paralelna veza veceg fiksnog kondenzatora i manjeg promjenljivog kondenzatora za fino podesavanje neutralizacije).
Kad bi zvucnik bil otpornik onda Zobel ne bi ni tribal ali kako je zvucnik vrlo reaktivan teret onda ce tu tribat doc pogodni Zobel (mozda i prilicno kompleksan) koji ce impendanciju koju vidi source Vfeta drzat cisto omskom (bez reaktivnih komponenti) i tako osigurat da pojacanja i na strani sourcea i na strani draina budu konstantna i frekventno neovisna, pa recimo vec od ispod 20kHz pa navise. Ovdi kazem Zobel mada to siguro nece bit samo jednostavna RC ili RL mreza nego nec puno kompleksnije. Da li ce se moc postic optimizacija za bas sve zvucnike, zasad je tesko rec ali pretpostavljam da za npr single driver full rangere ne bi tribalo bit nekog veceg problema.
Na shemi je prikazan N-kanalni Vfet ali kako je onaj koji moze u ovakvom SE stupnju dogurat do nekih 25W (Yamahin 2SK77 - jedan sam) jos uvik nedostupan onda ce u stvarnost ic njegov nabavljeni P-kanalni komplement 2SJ27. Na shemi se naravno minjaju polariteti ali sve principjelno ostaje isto.
Driverski dio nije zasad prikazan ali tu ce ic malo vakuma. Koje tocno cijevi, to ce ovisit od uspjeha linearizacije / neutralizacije tako da je to pitanje za sada otvoreno. Kako san rekal, cilj je izac sa disipacijski slabijim cijevima ali o tom potom. Nije potpuno izvan razmatranja ni skroz poluvodicka verzija sa mozda disipacijski slabijim Vfetovima u driveru ili sa fantasticno linearnim starim Siliconixovim Vmosfetima tipa 2N6658 ili VMP4.
Dosta vise pisanja za prvi post
