Germanium SE Amplifier MKI i MKII

Ovdje možete objavljivati vaše radove

Germanium SE Amplifier MKI i MKII

PostPostao/la bata bane » 13 svi 2011, 21:26

Pozdrav svima!

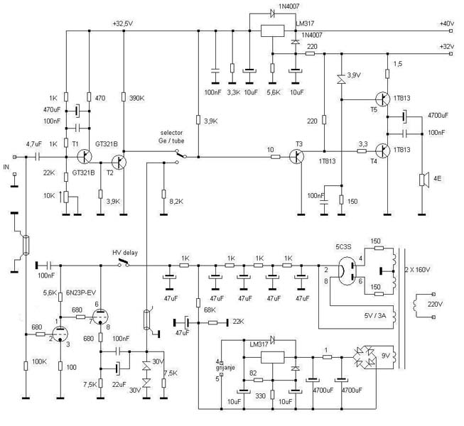
Kao sto naslov kaze, zelim da vam predstavim jedan zanimljiv projekat. U pitanju je Singl Ended pojacalo u A klasi, uradjeno sa Germanijumskim tranzistorima.

Ovaj projekat je video svetlo danan najvise zahvalljujuci sstrsa-u, kao i drugim prijateljima sa DIYA-rs koji su nesebicno pomogli u realizaciji. Obzirom da sam pre pocetka ovog projekta bio potpuno nepismen po pitanju elektronike, ovo je za mene zivotni poduhvat ;)

Izlazni Ge tranzistori koji su koristenu u shemi su Ruske proizvodnje iz 89godine, i koristeni su u vojnoj tehnici (radarskoj) u pitanju su GT813V (1T813B).

Pojacalo je nekoliko puta modifikovano i napravljeno u varijanti sa Ge ulaznim tranzistorima i sa cevniom pobudom. Poslednja varijata ima napajanje sa 32V i 2A mirne struje, snage oko 12W. :)
Privitak/ci
1t813bxx s.jpg
ge spec 2
1t813bx s.jpg
ge spec 1
cc.gif
CCS
cc.gif (5.31 KiB) Pogledano 11180 put/a.
c.jpg
ge/tube
bata bane
 
Postovi: 28
Pridružen/a: 06 svi 2011, 18:46

Re: Germanium SE Amplifier MKI i MKII

PostPostao/la harkonen » 13 svi 2011, 22:02

Lijepo predstavljeno, lijepo zamišljeno.
Može li malo detaljnije oko izbora topologije, karakteristika Ge kristala u ovom spoju?
Pogotovo što su još uvijek rusima puni lageri ovih tranzistora i baš je šteta da tamo
hrđaju, mogu oni hrđati i kod nas :-)

A kakve su zvučne impresije?
I'm too old for this s...
Avatar
harkonen
 
Postovi: 2195
Pridružen/a: 04 svi 2011, 14:27
Lokacija: Bjelovar

Re: Germanium SE Amplifier MKI i MKII

PostPostao/la sstrsat » 13 svi 2011, 22:12

Ajde neka se i ovdi pojavil.

Kako vecina ne zna genezu nastanka ovog ampa, pa bil je to u neku ruku izazov da se pokaze da je nec ca je danas potpuno otpisano (Ge tehnologija) sposobna postic ne samo dobre nego i odlicne rezultate. A kako taj ruski snagator ima ft od preko 5MHz (po nekim izvorima i 10 MHz) to je vec bila solidna baza da se u kombinaciji sa RF germanijskim tranzistorom dojde u SE spoju do odlicnih rezultata. Uostalom, mnogi Si izlazni tranzistori koji su donedavno u ogromnom broju koristeni za pojacala imaju daleko manji ft.

Sad nastavi, da ne moram ja rec bas sve o problemima koji su bili na putu i koju ce lampicu dobit u ulazu :lol:
Krepat ma ne molat
Avatar
sstrsat
 
Postovi: 1745
Pridružen/a: 04 svi 2011, 18:21
Lokacija: Rijeka

Re: Germanium SE Amplifier MKI i MKII

PostPostao/la bata bane » 14 svi 2011, 22:42

Pa starije generacije znaju kako svira Ge tranzistor i zbog cega je njihov zvuk tako specifican. ;) Jos u ovako "nafriziranoj" varijanti izostaj ono sto se najcesce zameralo Ge tranzistorima, a to je da su malo "mutni" i bez detalja. 8-)

Frekventna kriva ampa je bila bez potisnuca do 125kHz, dalje nisam mogao da testiram jel signal generator nije isao preko. Mislim da je to jedini Ge amp na svetu koji ima takva frek. odziv :D

Sami ruski tranzistori su teske mrcine, svojevremno smo ih terali sa 20A za probu iz cistog hira i nisu ni trepnuli :roll: Naravno da ovaj Ge tranzistor nije bogom dana komponenta, ali ima svoj shmek. Doduse, toliki amperi im nisu mogli nista, ali ja sam im dosao glave spalio sam bar 20 komada dok sam pravio pojacalo. :lol:

Trebao sam ove godine doci na TF, ali nazalost nisam bio u mogucnosti. Nadam se da cemo se sledece godine videti.

U drugoj varijanti u drajverskom delu Ge ampa sam ubacio CCS umesto otpornika (isto Ge tranzistori) i odvoji sam drajver i izlazni tranzistor posebno, a gain stage posebno kao preamp. Na taj nacin Ge amp je postao kao F4 Nelsona Pass-a veliki bafer.

Imam dosta slika, ali sam ogranicen sa formatom slike, ako postoji mogucnost da se uvede ogranicenje na velicinu fajla 200K, kao na drugim forumima bilo bi mnogo lakse da ne moram opet da smanjujem sve slike redom :|
bata bane
 
Postovi: 28
Pridružen/a: 06 svi 2011, 18:46

Re: Germanium SE Amplifier MKI i MKII

PostPostao/la harkonen » 14 svi 2011, 22:52

Kako ste riješili montažu tih rusa na hladilo zbog specifičnog kućišta?
I'm too old for this s...
Avatar
harkonen
 
Postovi: 2195
Pridružen/a: 04 svi 2011, 14:27
Lokacija: Bjelovar

Re: Germanium SE Amplifier MKI i MKII

PostPostao/la bata bane » 14 svi 2011, 23:06

harkonen je napisao/la:Kako ste riješili montažu tih rusa na hladilo zbog specifičnog kućišta?


Dobro pitanje, vise puta sam sve hteo da bacim kroz prozor jer mi je svako menjanje bilo bolno. :D

Na kraju najbezbolnija varijata...montaza sa jedne a kontakti sa druge strane.
Privitak/ci
21a.jpg
bata bane
 
Postovi: 28
Pridružen/a: 06 svi 2011, 18:46

Re: Germanium SE Amplifier MKI i MKII

PostPostao/la Khadgar2007 » 14 svi 2011, 23:11

Sasvim pristojna montaža,ma kakvi pristojna izvrsna. Isto kao kada montiraš to-3 kućišta i to je stvarno izvrstan način.
"Nakon prve čaše vidite stvari onakvim, kakve bi vi htjeli da budu. Nakon druge vidite ih onakvim, kakve nisu. Na kraju ih vidite onakvim, kakve zaista jesu, što je najgora stvar na svijetu."
Avatar
Khadgar2007
 
Postovi: 2488
Pridružen/a: 05 svi 2011, 16:44
Lokacija: Sisak

Re: Germanium SE Amplifier MKI i MKII

PostPostao/la bata bane » 14 svi 2011, 23:12

evo i crveca... ;)
Privitak/ci
19a.jpg
25a.jpg
bata bane
 
Postovi: 28
Pridružen/a: 06 svi 2011, 18:46

Re: Germanium SE Amplifier MKI i MKII

PostPostao/la bata bane » 14 svi 2011, 23:14

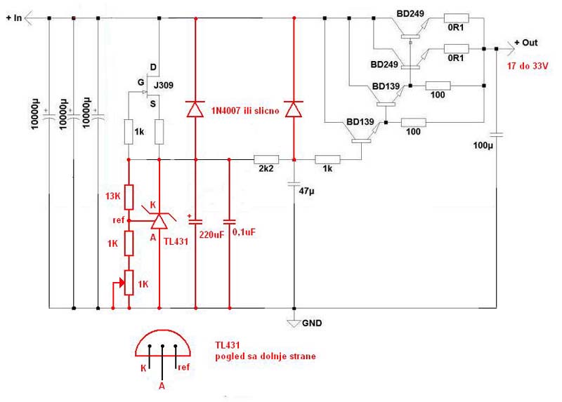
evo sheme ispravljaca...
Privitak/ci
BB%20ispravljac.JPG
bata bane
 
Postovi: 28
Pridružen/a: 06 svi 2011, 18:46

Re: Germanium SE Amplifier MKI i MKII

PostPostao/la bata bane » 14 svi 2011, 23:28

Khadgar2007 je napisao/la:Sasvim pristojna montaža,ma kakvi pristojna izvrsna. Isto kao kada montiraš to-3 kućišta i to je stvarno izvrstan način.



Malcice je komplikovanije zbog tri tacke montiranja plus tri otvora za kontakte, dok sve izbusis istupis burgije :D Prva varijata je bila montaza direktno na hladnjak.
Privitak/ci
Image0075a.jpg
MKI integralna varijata
bata bane
 
Postovi: 28
Pridružen/a: 06 svi 2011, 18:46

Sljedeća

Natrag na Vaši radovi

Na mreži

Trenutno korisnika/ca: / i 3 gostiju.

cron