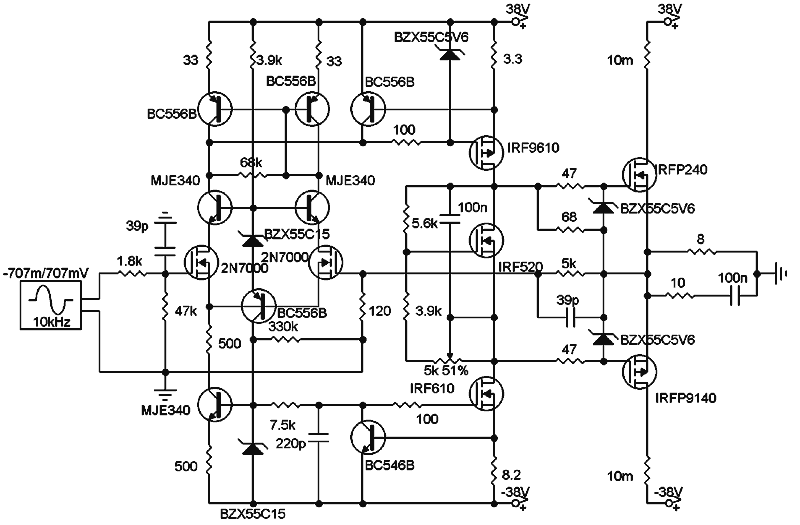
Evo jedne od razvojnih verzija Crvene iverice 1, gdje je par trikova iz originala zamjenjeno samo jednim, drugacijim.
Original ima posebnu vrstu kaskode u ulaznom stupnju koja vrsi djelomicno ponistavanje izoblicenja ulaznog stupnja, i feedforward error korekciju.
Ova verzija je nastala kao pojednostavljenje i istovremeno istrazivanje jednog drugacijeg koncepta izlaznog stupnja, s izmaknutom tockom preskocnog izoblicenja. Nesto slicno je vidjeno odavno u derivatima JLH pojacala, i nedavno u D. Self-ovoj 'class XD' izvedbi koju je na trziste doveo Cambridge Audio. Ovdje je to sve skupa jako pojednostavljeno... rezultat (barem po simulatoru) nije toliko nisko izoblicenje (0.05% na 50W/8ohma 10kHz), koliko jako povoljan raspored harmonika, te konzistentna harmonicka slika na svim snagama. Na 1W dominira drugi harmonik, s monotono padajucim udjelom svih ostalih, vec treci je gotovo 100dB ispod osnovnog signala. Crvena Iverica 1 radi FFEC-a moze poboljsati tu cifru za faktor 10 uz isti raspored harmonika, a daljnje rafinacije (ali i komplikiacije) potiskuju harmonike na razinu numericke greske simulatora, sto znaci da stvarni rezultati ovise prvenstveno o kvaliteti izvedbe sklopa.
Kao i original, i ova je verzija kompletno DC vezana, osim napajanja, nema drugih kondenzatora kojima idu audio struje.
Par objasnjenja:
8 ohma na iuzlazu (skroz desno) je naravno zvucnik. Generator na ulazu je radi simulacije, i predstavlja ulazni signal. Na ulazu je dovoljno 0.5Veff za punu izlaznu snagu od 50W na 8 ohma, tako da se sklop moze koristiti kao integrirano pojacalo s pasivnim pretpojacalom, iako je u tom slucaju preporucljivo staviti ulazni atenuator relativno niskog otpora (10-20k).
50k pot oko IRF610 izmedju izlaznih tranzistora je za podesavanje struje mirovanja, a 1k iznad strujnog zrcala u ulaznom stupnju je za podesavanje offset-a. Potonji nije nuzno potreban ako se poradi na uparivanju ulaznih MOSFET-a, bez njega ce offset biti unutar 100mV, uz odabir BC556B s nesto vecim pojacanjem.
Ulazni MOSFET-i disipiraju oko 220mW i obavezno ih treba hladiti. U originalu su stavljeni 'na ledja' i stegnuti izmedju plocice i malog hladila, kao npr. za memorijske chipove na video karticama, ili mini-rebrastog hladila za TO126/TO220 tranzistore. Termicka sprega preko hladila ujedno poboljsava stabilnost offset-a. Tranzistore u strujnom zrcalu j epozeljno termicki vezati, iak,o j eu praksi sasvim dovoljno da su cim blize jedan drugom.
Na shemi su kao ulazni par dati 2N7000, premda ima podosta malih MOSFET-a koji ce zadovoljavajuce raditi, npr. BS107, BS170 a 2SK941 je gotovo idealan i moze cak raditi bez hladila (jer je u 'giant TO-92' kucistu). Svi ostali tranzistori disipiraju oko 150mW sto znaci da ce se grijati ali ne pretjerano.
IRF610, 9610, IRFP240, IRFP9140 svi moraju biti na hladilu, najbolje zajedno. Hladilo mora biti poveliko s obzirom da je uz data napajanja disipacija na njima ukupno oko 16W. Naravno, srednji IRF610 je bias servo, i on mora biti cim blize izlazima. U originalu su izlazi jedan do drugog razmaknuti tocno za sirinu IRF610 koji je izmedju njih. IRF9610 se slobodno moze staviti sa S sufiskom ako ga se moze naci, kao i IRF610 u strujnom izvoru, ali NE i bias servo, kao ni IRFP240 i 9140, oni moraju biti bez sufiksa. Za bias servo se moze staviti gotovo bilo koji N-kanalni HEXFET.
Otpori 10m ohma u drain-ovima IRFP-a su zapravo osiguraci, za rad na 8 ohma bi 2A brzi morali biti vise nego dovoljni. Struja mirovanja se mjeri na osiguracu IRFP240, i tot ako da se umjesto osiguraca stavi otpor 1 ohm, pa se mjeri za svaki mA struje mirovanja, na tom otporu 1mV. 'Magija' pocinje od struje mirovanja 100mA na dalje, ali u praksi je nepotrebno ici preko 150mA. Za primijetiti je da nema source otpora za izlazne MOSFET-e. Ovo je pojacalo optimizirano za rad bez njih i konsekventno, moze raditi samo s jednim parom MOSFET-a. Teoretski, moguce ih je spojiti vise u paralelu ali ih u tom slucaju treba pomno selektirati. Radi izmaka tocke preskoka, struje kroz izlaz u mirovanju nisu iste, struja je kroz IRFP9140 nesto veca, sto se ujedno koristi za kompenzaciju njegove nesto manje strmine u odnosu na IRFP240, za male struje (sto je bitno za optimizaciju izoblicenja na snagama do omko 1W). Radi te razlike uparivanje nije striktno potrebno ali je pozeljno, da se bas ne pogode totalno raspareni primjerci.
Zener diode izmedju G i S pinova izlaznih MOSFET-a osiguravaju strujni limit, ali je on postavljen vrlo visoko, na cca. 12A, sto znaci da nije implementirana nikakva 'pametna' zastita od preopterecenja izlaza. Srecom, HEXFET-i su poprilicno robusni i uglavnom prezive pregaranje osiguraca ako se nije pretjeralo s elektrolitima u napajanju, no odmah cu ovdje reci da ne valja izazivati vraga. Zastita od DC-a na izlazu bi trebala biti obavezna - ovdje su MOSFET-i ipak stavljeni kao zrtveni element. Pobudni stupnjevi imaju prekostrujnu zastitu, tako da bi bez problema morali prezivjeti havariju izlaznog stupnja. Struja kroz njih je oko 75mA s time da kroz IRF9610 ide veca struja radi sistema pomaka tocke preskoka - sto je vrlo pompozan naziv za onaj 68 ohma otpor izmedju njegovog drain-a i izlaza. Kao sto je vec receno, obavezno moraju na poveliko hladilo, najjednostavnije skupa s izlaznjacima.
Na kraju nesto rijeci o odvojenom napajanju za izlazni stupanj i ostatak pojacala. Ovdje su moguce mnoge permutacije, tako ce npr. pojacalo sasvim fino raditi i sa istim napajanjem za izlaz i ulazne stupnjeve.
PSRR iz pozitivne grane napajanja je manji nego onaj iz negativne, tako da je moguca opcija gdje je samo pozitivni napon napajanja ulaznih stupnjeva dodatno filtriran. Optimum se ipak postize tako da se napajanja ulaznih stupnjeva posebno filtriraju. Ulazni stupnjevi moraji imati relativno cisto napajanje (valovitost od par stotina mV nije problem tako da nije potrebno izvoditi nikakva posebna cuda) cca 2-3V iznad minimalnog napona pile valovitosti na napajanju izlaznog stupnja pri maksimalnom izlaznom signalu i minimalnom opterecenju. S obzirom da MOSFET-i trebaju oko Vgs oko 5V pri 50W snage na opterecenju 8 ohma, koristenje istog napona napajanja za ulazne stupnjeve limitira maksimalni izlazni napon na cca 7V ispod napona napajanja. Moguce je izvuci jos koji V ali izoblicenje naglo raste jer ulazni stupnjevi idu u clipping.
Ispravno filtriranje napona napajanja za ulazne stupnjeve ce taman tako dati dovoljnu razliku da izlaz clipp-a ispod donjeg ruba pile valovitosti napona napajanja za izlazni stupanj. Za to bi trebalo biti sasvim dovoljno posebno ispravljati iste namote trafoa za ulazne i izlazne stupnjeve, s time da za ulazne stupnjeve slijedi jos RC fitriranje. Za date napone napajanja minimum izlazne snage je 50W u 8 ohma.
Napajane je najlakse izvesti tako da se sekundar 60V s srednjim izvodom ispravlja s jednim grecom u 2x ~40V na recimo 2x10000uF, za izlazni stupanj, a drugim grecom na 2x CRC filter 2200uF-15ohma-2200uF za ulazni stupanj. Naravno, treba malo povesti racuna o spajanju masa. U nalajanju izlaznog stupnja cak je moguce staviti i manje kondenzatore s obzirom da napon napajanja moze pasti izmedju pikova do cca 32-33V bez problema (prilikom proracuna voditi racuna da se on treba raditi na minimalnom naponu mreze). U praznom hodu napon napajanja za izlazni stupanj ne bi trebao biti veci od +-45V na maksimalnom naponu mreze. Napon za ulazne stupnjeve se lako moze 'podesiti' promjenom otpora u CRC filteru. Posebno ambiciozni mogu dodati koji namotaj ekstra za napajanje ulaznih stupnjeva...


