MOSFET DUAL MONO 2 x 200 W

MOSFET DUAL MONO 2 x 200 W

PostPostao/la Gilhooley » 12 srp 2011, 18:21

Podosta je vremena prošlo od finalizacije ovoga uratka (negdje siječanj 2011.), pa da podijelim s vama na grupi svoje iskustvo i vidjenje ovoga što učinih ( a možda da se i malo hvalim) :lol: :roll: .

Dakle prvotna ideja je bio hibrid koji se izjalovio već u samom početku zbog masivnosti svih planiranih elemanata, makar je upotrijebljena kutija od Fischer Elektronika SKE 3 400 (možda neki znaju da je to pozamašan gabarit). Jednostano - hibrid u to nije išao ni pod razno s ovom postavom dijelova, pak se pristupilo gradnji izlaznog MOSFET stupnja u dual mono izvedbi.

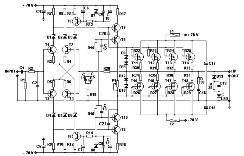
Nema se što puno reći - shema je dolje, barem pricipijelna, a u generalnom mogu reći i nabrojati ovo:

- upotrebljena su dva toroidna transformatora svaki od 600 VA, zaliveni u smolu i pozicionirani u zaštitne kape
- svaki kanal ima svoj soft-start (ustanovljeno da bez njega u stanu ne mogu priključiti trafo jer mi izbacuje osigurač). Softstartovi su nabavljeni od firme Hypex iz Nizozemske i mogu reći da dobro rade svoj posao (makar nisu jeftini).
- svaki kanal ima svoju zaštitu DC za zvučnike (ništa posebno - stari Vellemanov kit, ali dva puta)
- za ispravljanje su stavljene jake diode na vijak (svaki kanal ima 4 kom) - e baš sam htio probati kako će to raditi jer sam ih imao dovoljno. Možda se i vide na slici
- kapaciteti su Cornell Dubilier 4 x 35.000 uF (plave kante).
- Korišteni su Nichicon elektroliti, otpori MPC71, WIMA, itd sve što sam mogao bolje ugraditi.
- kabeli su što kraći i organizacija koliko je moguće bolja da signal ne putuje puno po kutiji
- VU metri doslovce nabavljeni čistom slučajnošću (e i njih sam htio, pa nek svijetle k'o Amsterdam). Napravljena je mala intervencija na njima jer su imali vrlo slabo svjetlo koje nije davalo značajne rezultate, pa sam ugradio LED traku i smanjio intenzitet rasvjete na minimum...svejedno neki mi i za to prigovaraju da je kičasto i bezveze. Ali boli me...

Subjektivno - ja zadovoljan. Najviše me izmučio mehaničarski posao. Mjeri, skini, buši, obradi, vrati, pa opet mjeri, skini, ...elektronika je najmanje posla u tome...

A slušno ono kako ja sebi to predočavam jest kao da sjediš i voziš se u Cesni, a na njoj su motori od Boeinga 747...leti uz malo gasa - jednostavno nesputana snaga i otvorenost. Ništa nije ograničeno, sve je transparentno i jasno, bez imalo zastoja.

Ako sam pretjerao u subjektivnosti i emociji - ne zamjerite, valjda znate kakav je osjećaj kad vam srce hoće iskočiti od radosti.

Slike iz djelomične i potpune završenosti prilažem dolje.

Gilhooley

DSC_9783.JPG


DSC_9784.JPG


DSC_9786.JPG


DSC_9788.JPG


DSC_9790.JPG


shematic.JPG
Haba, haba, haba...
Avatar
Gilhooley
 
Postovi: 173
Pridružen/a: 10 srp 2011, 22:11
Lokacija: Zagreb

Re: MOSFET DUAL MONO 2 x 200 W

PostPostao/la Khadgar2007 » 12 srp 2011, 18:34

Nema što, jako lijepo napravljeno. Shema jednostavna bez prevelikog kompliciranja. Vidim da imamo napokon nekog SS majstora na forumu već je dosadno uz toliki vakuum. :lol:

Idemo sada na par pitanjca. Vidim da na shemi imaš ledicu spojenu na samom izlazu,čemu ona služi? Kako si spojio VU metre jer zna se da kako ti okrećeš pot na preampu ili već di je pot da se kazaljka na vu metru također pokazuje sve više. Pretpostavljam da ovaj monstrum radi u AB klasi,jelda?
"Nakon prve čaše vidite stvari onakvim, kakve bi vi htjeli da budu. Nakon druge vidite ih onakvim, kakve nisu. Na kraju ih vidite onakvim, kakve zaista jesu, što je najgora stvar na svijetu."
Avatar
Khadgar2007
 
Postovi: 2488
Pridružen/a: 05 svi 2011, 16:44
Lokacija: Sisak

Re: MOSFET DUAL MONO 2 x 200 W

PostPostao/la Gilhooley » 12 srp 2011, 18:44

LED-ica je jednostavan clipping indikator. Ništa velike mudrosti.

A kako radi Power meter - e to je znanost za sebe. Ni sam nisam siguran što napravih (precrtao neku shemu iz jednog Sansui-ja i upotrijebio stare germanijske diode zbod nižeg praga otvaranja). To radi, ali nije baždareno, čak je ostavljeno da se i promijeni. Sam sklop je spojen na stezaljke zvučnika, tako da mjeri snagu. Zapravo sve to lijepo radi, ali da li je točno - eh sad...

Gilhooley :x
Haba, haba, haba...
Avatar
Gilhooley
 
Postovi: 173
Pridružen/a: 10 srp 2011, 22:11
Lokacija: Zagreb

Re: MOSFET DUAL MONO 2 x 200 W

PostPostao/la Khadgar2007 » 12 srp 2011, 18:50

E viš vraga to za clipping nisam znao. Zgodna điđa-miđa. Kažeš mjeri snagu, to znači da ti se otklon kazaljke mijenja sa snagom na izlazu,a ne kao kod klasičnog vu metra da samo pleše u ritmu signala?
"Nakon prve čaše vidite stvari onakvim, kakve bi vi htjeli da budu. Nakon druge vidite ih onakvim, kakve nisu. Na kraju ih vidite onakvim, kakve zaista jesu, što je najgora stvar na svijetu."
Avatar
Khadgar2007
 
Postovi: 2488
Pridružen/a: 05 svi 2011, 16:44
Lokacija: Sisak

Re: MOSFET DUAL MONO 2 x 200 W

PostPostao/la Gilhooley » 12 srp 2011, 18:57

Eh zato kažem - nisam ni sam siguran što mjeri, ali eto zgodno je za gledat (skače)...

Bilo je bezveze staviti toliku prednju ploču da zjapi prazna, pa sam njih uvalio. Činjenica da ovdašnje audio stanovništvo još nije izliječeno (barem se nadam) od VU i POWER metara iz prošlosti. Svima se to sviđa, makar nisu nikad mjerili možda što je zapravo indicirano. Razina signala ili snaga ili nešto treće...

A što se tiče LED-ice - ona je montirana, ali unutra, ako netko bude htio je staviti Van - a široko mu more...
Haba, haba, haba...
Avatar
Gilhooley
 
Postovi: 173
Pridružen/a: 10 srp 2011, 22:11
Lokacija: Zagreb

Re: MOSFET DUAL MONO 2 x 200 W

PostPostao/la Edison » 12 srp 2011, 19:41

Jako lijepo Gilholley! :clap:

Sve se vidi, i diode i Vellemanovi kitovi. Mogao je posluziti i jedan zastitini kit za oba kanala. Vidim da su i diode s prednje strane od tog kita. Da li si plocice radio sam, ili si nabavio vec gotove. Cini mi se da su se hladnjaci mogli bolje iskoristiti da su tranzistori jos malo rasireni duz hladnjaka, ali ogranicenja su ovi veliki toroidi...

Koliko je velika ta Fischerova kutija i koliko otprilike kosta?

Jos nesto, na prednjoj ploci vidim "BK Audio". Malo je zbunjujuce jer je tvrtka BK Audio u stvari tvrtka vlasnika i konstruktora Borisa Kotevica iz Opatije. On ima nekoliko cijevnih pojacala, pretpojacala i kabela u ponudi na trzistu.
Čovječe pazi da ne ideš malen ispod zvijezda!
Avatar
Edison
 
Postovi: 1180
Pridružen/a: 04 svi 2011, 21:32
Lokacija: Rijeka

Re: MOSFET DUAL MONO 2 x 200 W

PostPostao/la Gilhooley » 12 srp 2011, 19:56

Yap tako je to u životu, dakle redom...

Malo mi je bilo mučno spajati mase s Vellemanom kad su dvije mase u pitanju (lijeva i desna), a masu na vellemanu se mora spojiti. Zato su dva. Imao sam prošli put petljanciju s tim, pa sam i Ilimzn-a davio, pa rekoh nećeš više - idu dva...

Pločice samog pojačala su izrađene u kućnoj radinosti (nisam ja), ali je jedan gospodin po mojoj želji.

Fischerova kutija je unutarnjih mjera oko 365 mm x 400 mm x 125 mm (Š x D x V). Košta Oko 2000 kn, ne znam točno.

Da BK audio... Da sam znam da će me ljudi stalno na to podsjećati nikad to ne bih stavio. Jednostavno sam to lupio na brzinu ne razmišljajući jer su to moji inicijali, ali nisam mislio ikoga uvrijediti niti prodavati pod tim imenom. Nisam jednostavno razmišljao i morat ću to promijeniti u nešto drugo... Zbog toga žalim i ispričavam se gospodinu iz Opatije.

Evo nadam se da sam riješio barem dio dilema...

Gilhooley
Haba, haba, haba...
Avatar
Gilhooley
 
Postovi: 173
Pridružen/a: 10 srp 2011, 22:11
Lokacija: Zagreb

Re: MOSFET DUAL MONO 2 x 200 W

PostPostao/la Khadgar2007 » 12 srp 2011, 20:01

Ajde još malo da te gnjavimo. muahahahahaha ;)

Imaš dosta LEDica na prednjoj ploči pa jel može koje objašnjenje dotičnih? Pogotovo onih standby i wait? Pretpostavljam da je error kada se pojavi DC na izlazu a on kada je upaljen. ;)
"Nakon prve čaše vidite stvari onakvim, kakve bi vi htjeli da budu. Nakon druge vidite ih onakvim, kakve nisu. Na kraju ih vidite onakvim, kakve zaista jesu, što je najgora stvar na svijetu."
Avatar
Khadgar2007
 
Postovi: 2488
Pridružen/a: 05 svi 2011, 16:44
Lokacija: Sisak

Re: MOSFET DUAL MONO 2 x 200 W

PostPostao/la harkonen » 12 srp 2011, 20:15

Aha, samo se priča o tome kako svijetli što u i po kutiji, a ništa profinjenost i lepršavost zvuka?
Joj, joj, diyeri, diyeri, nikad se neće pomiriti ta sorta ljudi sa "pravim" slušačima :-)
Usput, kakve kablove koristiš? :twisted:

p.s. Amp je pravo dobro napravljen. Uredno i šteta prekapat' po njemu...
Zadnja izmjena: harkonen; 12 srp 2011, 20:16; ukupno mijenjano 1 put/a.
I'm too old for this s...
Avatar
harkonen
 
Postovi: 2195
Pridružen/a: 04 svi 2011, 14:27
Lokacija: Bjelovar

Re: MOSFET DUAL MONO 2 x 200 W

PostPostao/la Gilhooley » 12 srp 2011, 20:16

Ma možete davit do sutra...nema problema, smo ne bih htio da se netko uvrijedi jer ne namjeravam išta komercijalizirati...A isam sam ustanovio da je to bezveze naziv, pa ću u budućnosti malo drugačije to nazivati...

LEDICE su redom

1. Zelena LED-ica (ON) je uključena kad je pojačalo uključeno i ide s soft-start-a.
2. Crvena LED-ica (STANDBY) je uključena kad je pojačalo isključeno i ide s soft-start-a.
3. Žuta LED-ica (WAIT) je uključena kod uključenja pojačala i traje nekih 5-6 sekundi dok ne uključi releje na zvučnicima (DC zaštita) i ide s protection sklopa. Po uključenju releja se gasi
4. Crvena LED-ica (ERROR) je uključena kod pojave istosmjernog napona na detekciji protection boarda. Releji su isključeni i ide u WAIT (žuto) i ponavlja se sekvenca čekanja od 5-6 sekundi. Sve dok ima DC-a gori CRVENO.

Uf - imam žuljeve na prstima... 8-)

Svi ćete mi ovo platit pivom na slijedećem triode festivalu...uf uf...

Gilhooley
Haba, haba, haba...
Avatar
Gilhooley
 
Postovi: 173
Pridružen/a: 10 srp 2011, 22:11
Lokacija: Zagreb

Sljedeća

Natrag na Tranzistorska tehnika

Na mreži

Trenutno korisnika/ca: / i 1 gost.