Malo da 'zagrizem' jace u temu... s nesto konkretnijim shemama.
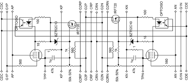
Na shemi ispod, koliko god se to cinilo drugacije, zaprav ose nalazi konkretna realizacija sheme iz posta iznad, za jedan par cijevi. Par objasnjenja:
Gornja i donja polovica sheme su posve jednake. Radi se o polovicama circlotrona, koj eukljucuju i regulator napona Ug2 za konkretni par cijevi na lijevoj strani slike. Desna strana slike su izvori napajanja i dio regulatora Ug2, o kojem cu nesto vise napisati kasnije.
Razlog providnoj kompleksnosti sheme je nacin na koji je nacrtana - dodani su svi dijelovi, ukljucivo gate/grid stoppere, zastite, podesavanja, i sve je tako nacrtano da su lijeva i desna polovica sheme organizirani u module.
Lijeva polovica sheme je modul izlaznog stupnja, koji je nacrtan tako da su svi signali 'protocni' s jedne na drugu stranu. Ideja je da se takvi moduli mogu po volji nastgavljati jedni na druge. Proracun elemenata je napravljen za maksimalno 4 modula, iako je uz neke predostroznosti moguce staviti i vise njih, o tome vise kasnije, kod objasnjenja tog dijela sheme.
Desna polovica sheme kao baterije prikazuje izvore napajanja za izlazni stupanj, ovog puta s naponima blize definitivnoj verziji. Pazljivi promatrac ce primijetiti da su naponi visekratnik od 80V, sto sugerira stvarnu izvedbu s multiplikatorom napona za anodni krug, kao izvorom napajanja za G2. Spetljani bipolarci na samom desnom kraju sheme su zapravo strujni izvori, o cijoj ulozi u nastavku.
Na zalost maksimalna rezolucije slika koje se mogu staviti na forum ne dozvoljava bolji prikaz gornje sheme, cija je uloga da pokaze da se cijeli sklop dobiva nizanjem modula - na lijevoj strani fali shema ulaznog stupnja, no o njoj kad dodje na red. Zatim slijedi nekoliko kopija lijeve polovice sheme, i na kraju izvor napajanja za izlazni stupanj. Shema izvora napajanja za pobudni stupanj je vec data prije.
Da bi se malo lakse objasnilo o cemu se tu radi, raspolovio sam shemu i rotirao je kako bi se maksimalno mogla iskoristiti rezulucija slike koju dozvoljava forum. Osim toga, ta je orijentacija slicnija shemi iz prethodnog posta:
Sklop je najlakse objasniti metodom eliminacije - pocevsi od dodatnih kompoennti u odnosu pojednostavljenu shemu iz prethodnog posta. Usput, lako j e usput objasniti pojedini signali na shemi.
Za pocetak, lijeva i desna strana su posve jednake i simetricne, i cine dvije polovice circlotrona.
Radi prikaza kao mudul, sa sheme su izbaceni otpori koji odredjuju 'sredinu' trosila i referentnu tocku (masu), koji su na pojednostavljenoj shemi spojeni izmedju katoda lijeve i desne polovice, ovdje su to izvodi KP i KN. Generalno sufiks P znaci pozitivno, N znaci negativno i odnose se na diferencijalnu prirodu circlotrona a s time i na 'Pozitivnu' i 'negativnu' polovicu sklopa (pozitivna obradjuje signal u fazi s ulazom, negativna u kontra-fazi).
Iz istog razloga, nisu nacrtani otpornici sa ulaza izlaznog stupnja, to su signali G1P i G1N, prema napajanju -100V. Taj dio sklopa je preseljen u ulazni dio pojacala.
Za 'metodu eliminacije' ostaju elementi koji se prvenstveno odnose na prakticne potrebe sklopa, a ne na sam princip rada:
- Optocoupleri i pripadajuci otpornici 100 ohma sluze za detekciju struje kroz G2 svake cijevi posebno. LED u optocoupleru je spojana preko 100 ohma paralelno grid stopperu za G2, ciji je iznos 18 ohma. Kada pad napona na tih 18 ohma dosegne cca 1V, LED u optocoupleru prosvijetli i aktivira fototranzistor, koji salje struju izmedju signala CDC i DCE. Ta su dva signala spojena na sklop zastite, koji u vezi s time poduzima mjere kad je to potrebno.
- Zener diode BZT52C10 su 10V zener diode koje sluze kao zastita za MOSFET u regulatoru napona za G2. Prilikom pojave prevelike struje kroz MOSFET moze se istovremeno radi pada napona na njemu pojaviti napon izmedju G i S veci od 20V sto je za taj MOSFET maksimum. Radi toga je dodana zener dioda, koja vec kod pojave napona veceg od 10V provede i srusi napon na G izvodu a time i izlazu regulatora, te limitira struju G2. Limit struje koji se ovako uspostavlja je puno veci od onoga kojeg detektira gore spomenuti optocoupler i on se pouzdaje u zastitni sklop da iskljuci napajanje prije nego sto se nesto ne zadimi.
- Otpor 1k prema G izvodu MOSFET-a je naravno gate stopper koji sluzi za sprecavanje oscilacija. Iako je mala vjerojatnost da ce se pojaviti, otpornik posve sprecava tu mogucnost uz zanemarivu cijenu.
- Kondenzator 1uF izmedju klizaca potenciometra i katode cijevi je 'filter' napona prema MOSFET-u i sluzi kao rezerva naboja, kako bi sprecila ulazni kapacitet MOSFET-a da usporava reakciju regulatora na valovitost nereguliranog napona. Podsjecam, u tu valovitost se dodaje i izlazni signal pojacala. Kondenzator tako sluzi kao AC 'shunt' za referencu napona za G2, a kako se ta referenca ora uspostaviti prema katodi cijevi, time j ei jedan kraj spojenna nju. Na drugi kraj je spojen potenziometar kojime se odredjuje napon G2, o cemu malo kasnije.
- Otpornik 1ohm u katodi i s time povezan signal TPP/TPN sluzi za mjerenje struje katode cijevi, tako da se mjeri napon na otporniku. Po ohmovom zakonu 1mV na otporu odgovara 1mA kroz cijev, i moze se mjeriti izmedju izvoda KP i TPP za P polovicu para cijevi, i KN i TPN za N polovicu. TIme je otpornik, kao sto je bilo rijeci uprethodnom nastavku, prebacen u katodu, sto j elogicnije s obzirom da je sada puna katodna struja ta koja generira struju trosila.
Eliminacijom svih tih elemenata dolazimo do pojednostavljene sheme koja je vrlo slicna onoj iz prethodnog posta:
Da bi slicnost bila veca, s desne strane su ucrtane iste komponente kao i na pojednostavljenoj shemi od prije, ukljucujuci one za odredjivanje referentne tocke (mase), te prednapona prema G1, generiranje referentnog napona za regulatore Ug2 s zener diodama, a izvuceni su i ulazi i izlazi kao na pojednostavljenoj shemi od prije.
Najociglednija je razlika (osim toga sto je shema nacrtana kao modul sa oznacenim signalima), nacin dobivanja napona na G izvodu MOSFET-a, koji je osim toga je podesiv. Vidljivo je da se radi o serijskom spoju otpora, pri cemu se potenciometrom odabire jedan manji dio napona dovedenog izmedju G2RP i KP, te G2RN i KN. Usput, sad vidim da je otpor 47k u seriju s potenciometrom na prethodnoj, a 220k na ovoj shemi krive vrijednosti, treba biti 180k

Prije nego objasnim kako radi taj dio sklopa, preostaje objasnjenje jos nekih signala:
- G1P, G1N su naravno ulazi u izlazni stupanj, konkretno G1 cijevi, koje se spajaju preko svojih grid stoppera. Ovaj dio sklopa nije izmjenjen, samo su dodani nazivi signala.
- AP, AN su anode cijevi, i ovom dijelu sklopa su samo dodani nazivi signala.
- G2P, G2N su dovodi nereguliranog napajanja za G2. Na pojednostavljenoj shemi su tu ucrtani sami zivori, ovdje je samo signal.
Kljuc rada regulatora napona G2 su elementi na donjoj shemi, koja prikazuje nacin spajanja nereguliranih izvora (po jedan par 80V i 160V spojenih u seriju, ili, ako vam je tako lakse, par izvora s izvodom na 80V i 240V) o kojima u kasnijim nastavcima, te dodatne elemente koji cine malo cudno nacrtane jednostavne strujne izvore:

- Mini_OTL_modular_power.gif (10.84 KiB) Pogledano 9733 put/a.
Trik je u tome sto se neki od elemenata strujnog izvora nalaze na modulima izlaznog stupnja, zato da bi se spajanjem vise modula automatski postigle odgovarajuce vrijednosti struje.
Ako promatramo jedan par izlaznih cijevi s okolnjim elementima, primjetit cemo dodatne otpore od 560 ohma koji nisu spojeni nikamo osim na signale koji su za taj modul samo protocni, to su signali CRP i CRN.
Svaki modul s jednim parom cijevi ima po jedan otpor od 560 ohma izmedju izvoda G2P i CRP, te G2N i CRN. Pogledom na shemu iznad, vidi se da je taj otpor spojen izmedju baze i emitera tranzistora BC556. Zadatak je tog tranzistora zajedno s pripadajucim tranzistorom MPSA92 (u praksi ce radi disipacije vjerojatnije to biti MJE350 na hladilu!), odrzavaju pad napona na tom otporu jednakim Ube, odnosno konkretno oko 0.55V na sobnoj temperaturi. Time je zapravo struja kroz taj otpor konstantna. Spoj je takav da (unutar 1%) ista ta struja tece i kroz G2RP prema KP, te G2RN prema KN.
Signali CRP i CRN su zapravo nazvani Current Reference, i sluze za odredjivanje referentne struje kroz strujne izvore, 0.55/R, gdje je R otpor izmedju G2P i CRP / G2N i CRN respektivno.
Signali G2RP / G2RN su G2 Reference, pri cemu se to odnosi na NAPON. Konkretno onaj, koji referentna struja stvara na serijskom spoju potenciometra i otpora izmedju G2RP i KP / G2RN i KN respektivno. Taj pad napona sluzi kao referenca za regulator napona UG2, sto je pompzno ime za MOSFET slijedilo s IRF720. Slijedilo je naravno tu da struja kroz G2 ne opterecuje referentni napon. Tocna vrijednost napona prema MOSFET-u se odabire poolozajem potenciometra, a to sluzi za podesavanje struje kroz svaku cijev posebno.
Sve skupa je puno jasnije ako se posebno nacrta shema strujnog izvora i regulatora napona sa istim oznakama signala kao na shemi iznad:
smedji okviri su komponente koje se nalaze na svakom od modula s parom izlaznih cijevi. Desni dio sheme je dodatni modul, shema je parcijalna i pokazuje smao elemente kroz koje tece struja iz strujnog izvora. U sredini se vidi kompletan strujni izvor. Radi se o klasicnom 'ring-of-two' izvoru. Generiranje referentnog napona se svodi na slanje konstantne struje kroz seriju potenciometra i otpora, struja, a time i otpor 560 ohma je tako odabran da na tim otporima generira cca. 225V, time se potenciometrom moze na G izvodu MOSFET-a regulirati napon od cca 174 do 225V, a napon na G2 je za oko 4V manji, dakle od 170 do 221V - to bi trebalo biti vise nego dovoljno da pokrije varijacije medju cijevima.
Struja o kojoj pricam je ucrtana za jednan modul crvenom petljom. kada se doda dodatni modul, struja od G2R prema K bi se podijelila u dva jednaka dijela i napon generiran na potenciometru i otporu bi bio polovoca zeljenog. Radi toga svaki modul ima dodatni otpornik 560 ohma, cime se i kroz njega struja mora jednako podijeliti. buduci da je napon na tom otporu konstanta, i iznosi 0.55V, a odredjen je naponom praga BC556, sada je potrebna dvostruka struja kroz paralelnu kombinaciju otpora dva 560 ohma, sto je tocno o no sto smo trebali da bi struja kroz svaku seriju potenciometra i otpora na oba modula ostala ista.
Razlog zasto je sve skupa tako izvedeno, umjesto 'jednostavnije' izvedbe s zener diodom i otporom s pojednostavljene sheme, su prvenstveno gubici u vidu potrebne struje zener diode, a da napon na njoj bude konstantan, neovisno o broju modula s parovima izlaznih cijevi. Da bi sve skupa bilo stabilno, struja kroz zener diode mora biti puno veca od svih struja kroz potenciometre i propadajuce otpornike u svim modulima, sto u praksi ispada red velicine struje G2, a s time dolazi i odgovarajuca kolicina topline.
Ovakav spoj strujnog izvora omogucava da se struje automatski reguliraju prema broju spojenih modula. Naime, signali na modulima su tako izvedeni, da prema gornjem primjeru, kroz svaki izlazni modul uvijek tece jednaka struja, bez obzira koliko izlaznih modula spojili, te je i referentni napon za regulatro G2, koji stvara ta konstantna struja na seriji potenciometra i otpora, uvijek jednak, bez obzira koliko izlaznih modula spojili - a bez da se mijenja i jedna komponenta. Sve sto je potrebno je odgovarajuce dimenzionirati napajanje i hladjenje tranzistroa MPSW92 (ili ekvivalenta) u strujnom izvoru, za maksimalan broj izlaznih modula koje zelimo rabiti.
U praksi je ipak potrebno ovaj spoj ponesto usavrsiti, prvenstveno radi osjetljivosti na promjene temperature i nedovolne rezerve u odnosu na napon napajanja G2 (on iznosi 240V, izlaz je do 225V a razlika je svega 15V sto je na samom rubu za valovitost i hod zialznog signala), o cemu ce biti rijeci u slijedecem postu.
Isto tako, moguce je usavrsiti zastitu od pojave prevelike struje G2, umjesto da se detektira prelazak odredjene granice, moze se regulator izvesti tako da je struja limitirana na nkeu fiksnu vrijednost. Nacin generiranja referentnog napona, u tom slucaju, omogucava da pojava nekontrolirano prevelike struje kroz jednu cijev automatski rusi i struju kroz druge cijevi, sto je jos jedan vid zastite u slucaju da je balans cijevi jako narusen. I o toj podvarijanti regulatora ce biti nesto vise rijeci u slijedecem postu.