Ajmo dalje sa ispravljacima. Iako ce mnogi odma pomislit na cijevne ispravljacice i prigusnice (jer to nekako ka ide sa GM70

) ovdi ce ipak bit gola klasika (Grec + RC celije). Tu naravno gre nesto vise elka nego u filterima sa prigusnicama ali RC celije imaju zapravo dvi ogromne prednosti pred prigusnicama. Prva je da kod njih nimamo brige sa rasipnim poljima prigusnica a druga da je kod njih mnogo efikasnija filtracija RF smetnji kojih u mrezi ne fali. Iako se neki kunu da cijevne ispravljacica "zvuce bolje" nego Grec, one zapravo samo "zvuce" drukcije i to samo slucaju kad ispravljac i filteri nisu bas najpropisnije dimenzionirani. A u slucaju da obadva ispravljaca (cijevni i poluvodicki) daju isti napon iza filtera i ako je stupanj filtracije onoliki kooliki triba bit onda nikakve razlike nima. Tako da je ovdi lako odlucit se za Grec, ne triba mu napon grijanja i dobije se na smanjenju disipacije. A ni ispravljacica sa dovoljnim PIV za napajat GM70 (ako izuzmemo zivine ispravljacice) nima bas previse.
Ovdi su sheme ispravljaca za 1150V (za GM70) i za 445V (driver + ulaz) i mislin da je iz njih sve jasno. Za trafe je jako preporucljivo uzet toroide a onaj na shemama navedeni "otpor sekundara" je zapravo zbroj samog otpora sekundara + otpora primara preslikanog na sekundar ( Rp x {Ns/Np} na kvadrat) + dodatnog zastitnog otpornika izmedju sekundara i greca tako da ce se vridnost tog zastitnog otpornika moc izracunat tek kad trafi budu namotani.

- HV ispravljac za GM70.JPG (53.83 KiB) Pogledano 9184 put/a.

- Ispravljac za 4P1L - DCC90.JPG (41.77 KiB) Pogledano 9184 put/a.
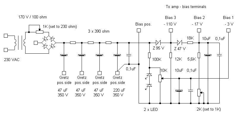
Kako je vec ranije bilo navedeno, bias je fiksni ali je varijabilan u zavisnosti od napona mreze a svrha toga je da cim vise odrzi nominalnu vridnost struje kroz cijevi (izuzetno znacajno, pogotovo za izlaznu cijev, u slucajevima ovako velike varijacije mreze kakva je kod Toma). Tako da je bias ispravljac racunan da pri varijaciji +/- 15V od nominalnih 230V (215 do 245V) odrzi varijacije struja kroz GM70 i 4P1L u okviru +/- 1 do maksimalno 2mA. Ne bi ni automatski bias to tocnije odrzaval.

Naravno, odrazat ce on te struje i u vecoj varijaciji napona mreze mada sa ponesto manjom tocnosti tako da se moze ocekivat da ce i u slucaju najgoreg slucaja koji je Tom izmjeril (208V u mrezi) varijacija struje kroz GM70 nece bit veca od 3 do 4mA.
Alternativa cilom ovom pristupu ispravljacima bi bila koristenje stabiliziranih napona (i visokih i za bias) ali bi to dovelo do dodatnih 30+ vata disipacije na stabilizatorima (zajeban zadatak za hladit ih

) tako da ovakva koncepcija sa fiksnim biasom ovdi ima apsolutnu prednost.
Ima ipak jedna ograda, takav nacin sa varijabilnim fiksnim biasom nije ovdi (zbog zaista visokih varijacija mreze) pogodan za ulaznu cijev jer bi kod nje u nekim trenucima nominalni bias od -3V moral prosetat do svega -0,5V a tu bi svaki jaci tranzijent dovel ulaznu cijev u kliping. Tako da sam na kraju odlucil za ulaznu cijev stabilizirat i anodne i bias napone ca zbog male struje kroz nju nije nikakav problem. "Stabilizatori" su ovdi stvarno elementarni, zenerica za anode DCC90 i dvi LED-ice za njezin bias.
U shemi ampa je znaci samo ta izmina da se dodaje jedna zenerica i da jedan otpornik minja vridnost i ovdi je ta nadopunjena shema.

- GM70 amp finalna.JPG (62.42 KiB) Pogledano 9184 put/a.
Bias ispravljac je prikazan ovdi. On je koncipiran tako da je za pretpostavljenu varijaciju mreze racunana potribna varijacija biasa a visak DC napona je pojeden zenericama. Bit ce naknadno rici o podesavanju jer postoji mala medjuzavisnost od podesavanja pojedinih biasa ali o tome na vrime.

- Ispravljac za bias.JPG (39.1 KiB) Pogledano 9184 put/a.
Ca se tice DC regulatora za grijanje, Tome pokusaj za prvi korak sam pa ako zapnes pomoc cu ti. Mozes naravno ic na klasicne stabilizatore ali ja bin ti kako san vec prije navel preporucil SMPS. Cak i najobicniji ispravljac za PC (sa dodatkom par zavoja potribnih namotaja) bi bila odlicna opcija. Ili recimo standardni 24V / 100W SMPS (podesen da daje 20V za GM70) sa dodatnim nanotajima i ispravljacima za grijanje 4P1L / DCC90 ili.... ma ima hrpa jednako dobrih opcija