Forumsko pojačalo

Re: Forumsko pojačalo

PostPostao/la ilimzn » 20 srp 2011, 17:10

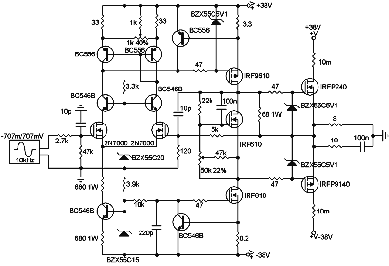
Evo jedne od razvojnih verzija Crvene iverice 1, gdje je par trikova iz originala zamjenjeno samo jednim, drugacijim.
Original ima posebnu vrstu kaskode u ulaznom stupnju koja vrsi djelomicno ponistavanje izoblicenja ulaznog stupnja, i feedforward error korekciju.
Ova verzija je nastala kao pojednostavljenje i istovremeno istrazivanje jednog drugacijeg koncepta izlaznog stupnja, s izmaknutom tockom preskocnog izoblicenja. Nesto slicno je vidjeno odavno u derivatima JLH pojacala, i nedavno u D. Self-ovoj 'class XD' izvedbi koju je na trziste doveo Cambridge Audio. Ovdje je to sve skupa jako pojednostavljeno... rezultat (barem po simulatoru) nije toliko nisko izoblicenje (0.05% na 50W/8ohma 10kHz), koliko jako povoljan raspored harmonika, te konzistentna harmonicka slika na svim snagama. Na 1W dominira drugi harmonik, s monotono padajucim udjelom svih ostalih, vec treci je gotovo 100dB ispod osnovnog signala. Crvena Iverica 1 radi FFEC-a moze poboljsati tu cifru za faktor 10 uz isti raspored harmonika, a daljnje rafinacije (ali i komplikiacije) potiskuju harmonike na razinu numericke greske simulatora, sto znaci da stvarni rezultati ovise prvenstveno o kvaliteti izvedbe sklopa.
Kao i original, i ova je verzija kompletno DC vezana, osim napajanja, nema drugih kondenzatora kojima idu audio struje.

forum_CI1_light_AOD.gif


Par objasnjenja:

8 ohma na iuzlazu (skroz desno) je naravno zvucnik. Generator na ulazu je radi simulacije, i predstavlja ulazni signal. Na ulazu je dovoljno 0.5Veff za punu izlaznu snagu od 50W na 8 ohma, tako da se sklop moze koristiti kao integrirano pojacalo s pasivnim pretpojacalom, iako je u tom slucaju preporucljivo staviti ulazni atenuator relativno niskog otpora (10-20k).

50k pot oko IRF610 izmedju izlaznih tranzistora je za podesavanje struje mirovanja, a 1k iznad strujnog zrcala u ulaznom stupnju je za podesavanje offset-a. Potonji nije nuzno potreban ako se poradi na uparivanju ulaznih MOSFET-a, bez njega ce offset biti unutar 100mV, uz odabir BC556B s nesto vecim pojacanjem.

Ulazni MOSFET-i disipiraju oko 220mW i obavezno ih treba hladiti. U originalu su stavljeni 'na ledja' i stegnuti izmedju plocice i malog hladila, kao npr. za memorijske chipove na video karticama, ili mini-rebrastog hladila za TO126/TO220 tranzistore. Termicka sprega preko hladila ujedno poboljsava stabilnost offset-a. Tranzistore u strujnom zrcalu j epozeljno termicki vezati, iak,o j eu praksi sasvim dovoljno da su cim blize jedan drugom.
Na shemi su kao ulazni par dati 2N7000, premda ima podosta malih MOSFET-a koji ce zadovoljavajuce raditi, npr. BS107, BS170 a 2SK941 je gotovo idealan i moze cak raditi bez hladila (jer je u 'giant TO-92' kucistu). Svi ostali tranzistori disipiraju oko 150mW sto znaci da ce se grijati ali ne pretjerano.
IRF610, 9610, IRFP240, IRFP9140 svi moraju biti na hladilu, najbolje zajedno. Hladilo mora biti poveliko s obzirom da je uz data napajanja disipacija na njima ukupno oko 16W. Naravno, srednji IRF610 je bias servo, i on mora biti cim blize izlazima. U originalu su izlazi jedan do drugog razmaknuti tocno za sirinu IRF610 koji je izmedju njih. IRF9610 se slobodno moze staviti sa S sufiskom ako ga se moze naci, kao i IRF610 u strujnom izvoru, ali NE i bias servo, kao ni IRFP240 i 9140, oni moraju biti bez sufiksa. Za bias servo se moze staviti gotovo bilo koji N-kanalni HEXFET.

Otpori 10m ohma u drain-ovima IRFP-a su zapravo osiguraci, za rad na 8 ohma bi 2A brzi morali biti vise nego dovoljni. Struja mirovanja se mjeri na osiguracu IRFP240, i tot ako da se umjesto osiguraca stavi otpor 1 ohm, pa se mjeri za svaki mA struje mirovanja, na tom otporu 1mV. 'Magija' pocinje od struje mirovanja 100mA na dalje, ali u praksi je nepotrebno ici preko 150mA. Za primijetiti je da nema source otpora za izlazne MOSFET-e. Ovo je pojacalo optimizirano za rad bez njih i konsekventno, moze raditi samo s jednim parom MOSFET-a. Teoretski, moguce ih je spojiti vise u paralelu ali ih u tom slucaju treba pomno selektirati. Radi izmaka tocke preskoka, struje kroz izlaz u mirovanju nisu iste, struja je kroz IRFP9140 nesto veca, sto se ujedno koristi za kompenzaciju njegove nesto manje strmine u odnosu na IRFP240, za male struje (sto je bitno za optimizaciju izoblicenja na snagama do omko 1W). Radi te razlike uparivanje nije striktno potrebno ali je pozeljno, da se bas ne pogode totalno raspareni primjerci.

Zener diode izmedju G i S pinova izlaznih MOSFET-a osiguravaju strujni limit, ali je on postavljen vrlo visoko, na cca. 12A, sto znaci da nije implementirana nikakva 'pametna' zastita od preopterecenja izlaza. Srecom, HEXFET-i su poprilicno robusni i uglavnom prezive pregaranje osiguraca ako se nije pretjeralo s elektrolitima u napajanju, no odmah cu ovdje reci da ne valja izazivati vraga. Zastita od DC-a na izlazu bi trebala biti obavezna - ovdje su MOSFET-i ipak stavljeni kao zrtveni element. Pobudni stupnjevi imaju prekostrujnu zastitu, tako da bi bez problema morali prezivjeti havariju izlaznog stupnja. Struja kroz njih je oko 75mA s time da kroz IRF9610 ide veca struja radi sistema pomaka tocke preskoka - sto je vrlo pompozan naziv za onaj 68 ohma otpor izmedju njegovog drain-a i izlaza. Kao sto je vec receno, obavezno moraju na poveliko hladilo, najjednostavnije skupa s izlaznjacima.

Na kraju nesto rijeci o odvojenom napajanju za izlazni stupanj i ostatak pojacala. Ovdje su moguce mnoge permutacije, tako ce npr. pojacalo sasvim fino raditi i sa istim napajanjem za izlaz i ulazne stupnjeve.
PSRR iz pozitivne grane napajanja je manji nego onaj iz negativne, tako da je moguca opcija gdje je samo pozitivni napon napajanja ulaznih stupnjeva dodatno filtriran. Optimum se ipak postize tako da se napajanja ulaznih stupnjeva posebno filtriraju. Ulazni stupnjevi moraji imati relativno cisto napajanje (valovitost od par stotina mV nije problem tako da nije potrebno izvoditi nikakva posebna cuda) cca 2-3V iznad minimalnog napona pile valovitosti na napajanju izlaznog stupnja pri maksimalnom izlaznom signalu i minimalnom opterecenju. S obzirom da MOSFET-i trebaju oko Vgs oko 5V pri 50W snage na opterecenju 8 ohma, koristenje istog napona napajanja za ulazne stupnjeve limitira maksimalni izlazni napon na cca 7V ispod napona napajanja. Moguce je izvuci jos koji V ali izoblicenje naglo raste jer ulazni stupnjevi idu u clipping.
Ispravno filtriranje napona napajanja za ulazne stupnjeve ce taman tako dati dovoljnu razliku da izlaz clipp-a ispod donjeg ruba pile valovitosti napona napajanja za izlazni stupanj. Za to bi trebalo biti sasvim dovoljno posebno ispravljati iste namote trafoa za ulazne i izlazne stupnjeve, s time da za ulazne stupnjeve slijedi jos RC fitriranje. Za date napone napajanja minimum izlazne snage je 50W u 8 ohma.
Napajane je najlakse izvesti tako da se sekundar 60V s srednjim izvodom ispravlja s jednim grecom u 2x ~40V na recimo 2x10000uF, za izlazni stupanj, a drugim grecom na 2x CRC filter 2200uF-15ohma-2200uF za ulazni stupanj. Naravno, treba malo povesti racuna o spajanju masa. U nalajanju izlaznog stupnja cak je moguce staviti i manje kondenzatore s obzirom da napon napajanja moze pasti izmedju pikova do cca 32-33V bez problema (prilikom proracuna voditi racuna da se on treba raditi na minimalnom naponu mreze). U praznom hodu napon napajanja za izlazni stupanj ne bi trebao biti veci od +-45V na maksimalnom naponu mreze. Napon za ulazne stupnjeve se lako moze 'podesiti' promjenom otpora u CRC filteru. Posebno ambiciozni mogu dodati koji namotaj ekstra za napajanje ulaznih stupnjeva...
ilimzn
Iron Man
 
Postovi: 979
Pridružen/a: 05 svi 2011, 13:39

Re: Forumsko pojačalo

PostPostao/la pinco » 20 srp 2011, 23:09

Ovo odlićno izgleda, reka bi pogodak, zanima me par detalja.....
Kad se bude crtala pločica jel tolko bitno da bude bias 610 baš između izlaznih, ili može i da je između drivera, a izlazi sastrana, pritpostavljan da je najbolje da je šta bliže izlaznima bolje, al sve je tu negdi blizu, a ako se stavi na L profil, onda bi se brže uspostavljala ravnoteža.....
Šta se tiće ispravljaća, najbolja bi bila opcija dual mono, i odvojeni namotaji za ulazni stupanj, kolko san svatija ode je bolje da ulazni dio nije na većeme naponu od izlaznoga, kako je inaće uobićajeno kad se tako radi, radi toga da se clipping eventualno ne dogodi na pili izlaznoga napona, šta se tiće iskoristivosti sange, bolje bi bilo da ima koji volt više?
Šta se tiće napajanja ulaznoga dila, dovoljno bi bilo CRC, kako je navedeno 2200u 15R 2200u, kolko struje vuće ulazni stupanj?, bili se išta dobilo stabilizacijon napona ulaznoga dila, ili je to npotribno kompliciranje, u odnosu na klasićni crc? nešto ovako jednostavno?

slika
pinco
 
Postovi: 210
Pridružen/a: 09 svi 2011, 09:59

Re: Forumsko pojačalo

PostPostao/la ilimzn » 21 srp 2011, 02:19

Ovako, prvo da pokomentiram shemu stabilizatora gore. Tu shemu NE raditi!
Za pocetak, onaj tko je to crtao uopce ne shvaca osnovne stvari kad se tice mase i kontrole kamo idu struje u ispravljacu. Imati dva odvojena namota i onda ovako povuci masu bez veze po sredini je totalni promasaj - svaka je strana trebala imati svoju odvojenu masu koja se spaja tek na kraju, ili jos bolje na power ground-u onog sto se napaja.
Nekakav manji otpornik u seriju izmedju dva elektrolita 1000uF bi smanjio valovitost i nakon filtriranja, i to ne malo.
7 zener dioda u seriju je kombinacija neugodnog s nepotrebnim - zenerice rade kako treba tek na strujama kod kojih je disipacija otprilike 10-25% maksimalne, sto znaci da manji naponi zahtijevaju vece struje. Srecom, nije strogo proporcionalno ali na zalost blizu je tome. Lanac od 7 komada 9.1V zahtijeva 2-3 puta vecu struju nego recimo 20+20+24, ili 30+33V. A sam MOSFET uopce NE zahtijeva struju! Smanjena struja znaci povecane otpore, sto znaci smenjene kondove prema G pinu MOSFET_a za isti efekt.
Sto se dogadja ako se slucajno kratko spoji ulazna strana stabilizatora? Odgovor: MOSFET trenutno pogiba radi prevelikog napona Vgs. Sto se dogadja ako se slucajno kratko sponi izlaz? MOSFET trenutno pogiba radi prevelikog napona Vgs - iako bi vjerojatno mogao izdrzati dovoljno da negdje pregori osigurac... kojeg nema. Niti zatitne zener diode G-S. Kristijanu bi bilo bolje da vec jednom nauci kako tocno rade ti sklopovi za koje crta plocice, al OK...

Sto se tice pitanja za CI1-lite:
S obzirom da je pozeljno imati clipping kako spada, nije pozeljno da se ulazni stupanj napaja s naponom bitno vecim od izlaznog. Zapravo je najbolje posimulirati konretni slucaj. Bitno je da ulazni stupanj ode u clipping prije izlaza uz neko ocekivano nisko opterecenje. U stvarnosti to bi se tek dogodilo kod kontinuiranog maksimuma, no to jeu muzickom signalu zapravo rijetkost.
MOSFET izlazi generalno krenu u veca izoblicenja kad se napon Vds smanji do oko 4-5V i nize, jer tada do izrazaja naglo dolazi nelinearnost ulaznih kapaciteta. Ovdje pobudni stupanj raspolaze s barem 75mA struje da se bori s time tako da to nije od zivotne vaznosti, ali razlika ipak postoji, a cunnost ovisi o tome koliko cesto ce pojacalo ici u clipping. Odmah da objasnim da pojacala generalno idu u clipping za normalne dnevne razine slusanja cak i ako su sposobna dati puno vecu snagu od zadanih 50-ak W, no to je rijetkost. U digitalnim izvorima je cesto sam materijal vec unaprijed 'od-clippan' kvalitetnije pa ce time biti i manje problema. Bitno je da se ispravljac dimenzionira tako da kod normalnih pikova uvijek ostane gore spomenuta rezerva od cca 5V. Kada bi naponi napajanja ulaznog i izlaznog stupnja bili isti i stabilizirani, tj. prakticki bez valovitosti, tada bi taj uvijet bio sam po sebi zadovoljen jer ako ulazni stupanj daje prema izlaznom slijedilu puni napon napajanja, struja slijedila diktira potreban Vgs reda 5V, a kako je izlaz za toliko manji od ulaza, time je i VDS jednakog iznosa.
U praksi postoji problem valovitosti. Kod kontinuiranog maksimuma, dimenzioniranje filtera u izpravljacu izlaznog stupnja treba osigurati da minimum napona nikad ne padne ispod napona napajanja ulaznog stupnja minus 5-7V. Pogodno je da to ide blize 7V jer iako ulazni stupanj moze dati gotovo pun iznos napajanja, i on je podlozan porastu izoblicenja radi pojave nelinearnosti kapaciteta MOSFET-a, kada se izlaz priblizi na manje od 5-6V od nekog od napajanja - dodatni cca 1V je radi pada napona u source otporima za IRF610/9610.
Ako se naponi napajanja generiraju iz istog sekundara, radi puno manje potrosnje struje ulaznog stupnja, moguce je osigurati da napon nakon ispravljanja za taj stupanj uvijek bude nesto veci od onog za izlazni stupanj, cak i uzevsi u obzir padove napona na otporima u CRC filteru. Vec prema odabranom trafou (a tu ne treba pretjerivati s nekakvim stotinama VA po kanalu, manji trafo daje izlazu vece sanse da prezivi ako nesto podje po zlu) se onda moze podesiti odnos filterskih kondova za izlazni stupanj, i R-ova u filterima za pobudni tako da gornji uvjet clippinga buse zadovoljen. Pri tome je apsolutna efikasnost ipak sekundarna. Cak je moguce napraviti preklopnik za odabir impedancije zvucnika, koji bi za nize impedancije automatski prebacio na povecane otpore kako bi se napon napajanja ulaznog dijela snizio uzevsi u obzir povecanu valovitost napajanja izlaza pod povecanim opterecenjem.
Alternativa jednostavnom filteru bi bio mnozac kapaciteta, koji se dade tako dimenzionirati da 'prati' napon napajanja za izlazni stupanj i time uvijek osigurava optimum za date uvjete, no to bi za jedan ovako jednostavan projekt po meni bilo kompliciranje. Originalni prototip je cak osjetljiviji na smetnje u napajanju, a napon napajanja za ulazne stupnjeve dobiva iz obicnog RCRC filtera.

Sto se tice potrosnje, i ulazni i izlazni stupanj imaju asimetricnu potrosnju iz + i - strane napajanja. Ulazni dio trosi oko 100mA iz - grane, a 150 iz + grane. Uz struju mirovanja 100mA, izlazni dio trosi tocno obrnuto, 100mA iz + grane, 150mA iz - grane. Razlog tome je izmicanje tocke preskoka, sto se postize upravo pretakanjem 50mA iz + strane ulaznog u - stranu izlaznog dijela pojacala. Ovo ujedno i znaci da ce otpori u CRC ili RCRC napajanju za ulazni dio biti razliciti u + i - grani.

Sto se tice pozicioniranja bias serva, raspored elemenata upravo ispada takav da je njegova prirodna pozicija kako je opisano - IRF9610, IRFP240, IRF610, IRFP9140, IRF610. To se cak vidi i iz sheme. Uzgred, dodatno filtriranje za ulazni dio moguce je izvesti pomocu diode i CRC filtera odmah na ploci pojacala, premda to nije idealno jer je masa drugog kondenzatora u CRC filteru zapravo lokalni power ground za ulazni stupanj, a to bi bilo lako izvesti samo s dvostranom stampom. Ako se napajanje izvodi izvan ploce pojacala, lokalni decoupling je apsolutno obavezan, nije prikazan na shemi. Na prototipu sam stavio cak 2200uF/50V u paraleli s neinduktivnom folijom 100n za izlazni stupanj (na spoju se kreira lokalni power ground s kojeg ide masa prema izlaznim klemama, i na koju se spaja 10ohma-100nF zobel), a za ulazni je stavljen RC dio od CRC filtera, i to cak 3300uF/50V, opet u paraleli s folijom. Te konkretne vrijednosti su tamo zapravo zato jer sam takve imao, pa su zato prvi C u CRC-u nesto manji. Ima mnogo mogucnosti, u biti nije kriticno dok god se ne skrtari s kapacitetom, no ne treba sad ni pretjerivati.

Na originalnom prototipu je sve to stavljeno na po jedan mono modul pojacala. Uz to je masa ulaza i NPV spojena zajedno u signal ground, koji je naravno odvojen od lokalnog power ground-a otporom od 10 ohma. Taj otpor uz propisno vodjenje mase nije potreban ako je pojacalo izvedeno kao dual-mono, ali mase L i R kanala se tada moraju spojiti na ulaznim konektorima. Jos jedan dio koji je dodan su dvije antiserijski spojene zener diode od 15V u paralelu s ulaznim kondenzatorom 10pF, slicno kao na shemama Pass Aleph-a datim ranije. PRemda je to u praksi rijetko problem, ipak nije na odmet zastititi ulaz od statike koja bi mogla ubiti ulazni MOSFET.
ilimzn
Iron Man
 
Postovi: 979
Pridružen/a: 05 svi 2011, 13:39

Re: Forumsko pojačalo

PostPostao/la ilimzn » 21 srp 2011, 02:31

BAs sam potrazio ali nemam pri ruci slike originalnih prototipova. Sve je napravljeno na univerzalnoj ploci, no raspored je po prilici takav kakav bi bio na pravoj stampi. Sama stampa je istovremeno drzac za tih 5 tranzistora koli moraju na hladilo, i ne stavljaju se na hladilo preko L profila, nego direktno - sklop je jednostavan pa ni stampa nije velika, moze i na nisko hladilo. TO-220 kucista IRF610 i 960 su nesto tanja sto je idealno jer se izmedju njih i stampe (nalaze se izmedju stampe i hladila, na strani lemljenja) stavi tanka guma ili silikon, ili cak svostrano ljepljiva gusta spuzva, cime se automatski osigurava propisan pritisak na hladilo. Svih tih 5 tranzistora se zapravo drze s vijcima za IRFP240/9140 koji idu direktno kroz stampu i tranzistore u hladilo. Stampa ujedno sluzi i kao velika podloska koja efikasno rasporedi silu pritiska vijaka (ovi je inace problem kod mnogih samograditelja, pretjeruje se do razine savijanja kucista!).
U principu bi se za dual-mono napajanje sve skupa s ispravljacem moglo tako sloziti, s time da je obavezno kod konstrukcije kutije ostaviti dobro provjetravanje - na prototipu su poprilicno predimenzionirana hladila koja u radu postaju tek blago topla, no kako su na istoj ploci odmah i elektroliti (na kompletnom modulu bi bili i oni od napajanja kao i ispravljac), tu ne zelimo pretjerano zagrijavanje.
ilimzn
Iron Man
 
Postovi: 979
Pridružen/a: 05 svi 2011, 13:39

Re: Forumsko pojačalo

PostPostao/la pinco » 21 srp 2011, 13:51

Evo ideja za pločicu, prvi prototip, nije provjereno, al sama forma je tu, pa ako može komentar di bi tribalo prominit koncepciju....

slika
pinco
 
Postovi: 210
Pridružen/a: 09 svi 2011, 09:59

Re: Forumsko pojačalo

PostPostao/la ilimzn » 21 srp 2011, 15:09

Imas par gresaka...
Source, gate, drain na IRF610 prema minus napajanja je pomijesan. Spoj kolektora kaskode i strujnog zrcala nije spojen na G od IRF9610, isto tako potenciometar za balans ima pomijesane izvode, zenerice za kaskodu i strujni izvor su spojene na krivu masu a ima i neka viska?

Koncepciski, u ovakvoj formi ce biti jako tesko sloziti mase kako spada a da ploca ostane jednoslojna (trebat ce par strateski postavljenih jumpera.
Mozes pokusati onako kako sam ja slozio prototip, umjesto kao sto je na tvojoj ploci odozdola prema gore smjer od ulaza prema izlazu, probaj to postaviti bocno, tj. s lijeva na desno, na otprilike istim dimenzijama.
Ako pocnemno od izlaza (npr. s desna na lijevo), onda ide power GND, spoj na napajanje, osiguraci i iza njih lokalni decoupling (parsto uF + folija u paralelu je sasvim dosta). nakon toga ide IRFP240/0140 i to izvodima prema desno (prema napajanju), a izmedju njih IRF610 bias servo, ali izvodima prema lijevo (prema ulaznoj strani). Zatim ide ulazna strana, s IRF9610/610 okrenutima isto kao bias servo, odmah blizu *prakticki kuciste do kucista) s IRFP-ovima, i njihov lokalni filter *RC dio), masa ide u liniji od power GND na desnom rubu, do lokalnog decouplinga gdje je i izvod za GND prema zvucniku, zatim ide dalje prema lijevo na masu filtera za ulazni stupanj, i na kraju preko 10 ohma na masu ulaznog otpora i onog 120 ohma prema masi od NPV. Otpor 5k u NPV su zapravo dva od 10k u paralelu. Na kraju signalna masa (ona iza 10 ohma) izlazi kao masa ulaza na lijevom rubu ploce. Mase zenerica za kaskodu i strujni ivor idu na masu filtera za ulazni stupanj. a ne kao sto je sad nacrtano na signal ground.
Ulazne MOSFET-e se isplati nacrtati tako da idu ravnom stranom jedan prema drugom, s time da se izmedju ostavi razmak za M3 vijak. MOSFET-i se montiraju savinuti na 'ledja' (zaobljenu stranu) a onda se kroz plocu vijkom M3 na njih pritegne malo hladilo (naravno stavi se silikonske paste), tako da po potrebi treba ostaviti mjesta na ploci za to.

Na ovako koncipiranoj ploci moguce je napraviti produzetak prema desno na kojem je i ispravljac i filter kondenzatori...

Za pocetak treba precrtati shemu sa svim elementima (osiguracima, ulaznom zastitom, lokalnim decouplingom s bypass folijskim kondovima, konektorima/spojnim m jestima itd). Ne treba se ustrucavati staviti par dobro rasporedjenih jumpera, bolje tako pa da sve bude korektno topoloski slozeno, nego da nema jumpera a na primjer bude krivo vodjena masa! Usput, vrijednosti potenciometara i nacin spajanja su odabrani zato da se ne moraju koristiti 10 okretajne varijante, pa bi bilo zgodno predvidjeti i jedne i druge.
ilimzn
Iron Man
 
Postovi: 979
Pridružen/a: 05 svi 2011, 13:39

Re: Forumsko pojačalo

PostPostao/la pinco » 25 srp 2011, 10:08

ilimzn je napisao/la:Imas par gresaka...
Source, gate, drain na IRF610 prema minus napajanja je pomijesan. Spoj kolektora kaskode i strujnog zrcala nije spojen na G od IRF9610, isto tako potenciometar za balans ima pomijesane izvode, zenerice za kaskodu i strujni izvor su spojene na krivu masu a ima i neka viska?

Koncepciski, u ovakvoj formi ce biti jako tesko sloziti mase kako spada a da ploca ostane jednoslojna (trebat ce par strateski postavljenih jumpera.
Mozes pokusati onako kako sam ja slozio prototip, umjesto kao sto je na tvojoj ploci odozdola prema gore smjer od ulaza prema izlazu, probaj to postaviti bocno, tj. s lijeva na desno, na otprilike istim dimenzijama.
Ako pocnemno od izlaza (npr. s desna na lijevo), onda ide power GND, spoj na napajanje, osiguraci i iza njih lokalni decoupling (parsto uF + folija u paralelu je sasvim dosta). nakon toga ide IRFP240/0140 i to izvodima prema desno (prema napajanju), a izmedju njih IRF610 bias servo, ali izvodima prema lijevo (prema ulaznoj strani). Zatim ide ulazna strana, s IRF9610/610 okrenutima isto kao bias servo, odmah blizu *prakticki kuciste do kucista) s IRFP-ovima, i njihov lokalni filter *RC dio), masa ide u liniji od power GND na desnom rubu, do lokalnog decouplinga gdje je i izvod za GND prema zvucniku, zatim ide dalje prema lijevo na masu filtera za ulazni stupanj, i na kraju preko 10 ohma na masu ulaznog otpora i onog 120 ohma prema masi od NPV. Otpor 5k u NPV su zapravo dva od 10k u paralelu. Na kraju signalna masa (ona iza 10 ohma) izlazi kao masa ulaza na lijevom rubu ploce. Mase zenerica za kaskodu i strujni ivor idu na masu filtera za ulazni stupanj. a ne kao sto je sad nacrtano na signal ground.
Ulazne MOSFET-e se isplati nacrtati tako da idu ravnom stranom jedan prema drugom, s time da se izmedju ostavi razmak za M3 vijak. MOSFET-i se montiraju savinuti na 'ledja' (zaobljenu stranu) a onda se kroz plocu vijkom M3 na njih pritegne malo hladilo (naravno stavi se silikonske paste), tako da po potrebi treba ostaviti mjesta na ploci za to.

Na ovako koncipiranoj ploci moguce je napraviti produzetak prema desno na kojem je i ispravljac i filter kondenzatori...

Za pocetak treba precrtati shemu sa svim elementima (osiguracima, ulaznom zastitom, lokalnim decouplingom s bypass folijskim kondovima, konektorima/spojnim m jestima itd). Ne treba se ustrucavati staviti par dobro rasporedjenih jumpera, bolje tako pa da sve bude korektno topoloski slozeno, nego da nema jumpera a na primjer bude krivo vodjena masa! Usput, vrijednosti potenciometara i nacin spajanja su odabrani zato da se ne moraju koristiti 10 okretajne varijante, pa bi bilo zgodno predvidjeti i jedne i druge.


Bilo bi mi puno lakše nacrtat ako bi moga samo skicirat ovaj raspored....
pinco
 
Postovi: 210
Pridružen/a: 09 svi 2011, 09:59

Re: Forumsko pojačalo

PostPostao/la ilimzn » 08 kol 2011, 14:40

Nekako ovako:

CI_lite.gif


Plocica se pricvrsti direkt na hladilo tako da driveri, bias servo i izlazi prijanjaju direkt na hladilo. Negdje desno od releja se moze staviti neki manji 4-polni konektor s izlazom, masom i namotom releja, na koji se spaja sklop zastite / odgodjenog starta.
Ako bi se na istu plocu stavljali i ispravljaci, oni moraju siriti plocu prema desno - struje koje nemaju direktne veze s audio signalom treba drzati cim dalje od ulaznih stupnjeva.

Napravio sam podosta simulacija s raznim izvedbama napajanja. idealna je izvedba dual-mono, s odvojenim namotima za napajanje ulaznog i izlaznog stupnja.
Namotaj koji napaja ulazne stupnjeve idealno mora imati 3-4V visi napon od namota za izlazne stupnjeve, da se kompenzira pad napona na RCRC filterima za napajanje ulaznog stupnja. Najbolja verzija napajanja ima cak 3 trafoa za stereo pojacalo, po jedan za svaki izlazni stupanj, i jedan zajednicki ali s odvojenim namotima za ulazni/driver dio. Alternativa su dvostruki namoti na po jednom trafou za svaki kanal. Jos jedna alternativa je jedan manji trafo za oba ulazna/driver stupnja stereo pojacala (odvojeni namoti za svaki kanal) i jedan veci trafo za oba izlaza (opet, odvojeni namoti).
ilimzn
Iron Man
 
Postovi: 979
Pridružen/a: 05 svi 2011, 13:39

Re: Forumsko pojačalo

PostPostao/la ilimzn » 16 ruj 2011, 14:29

Sitnije izmjene i poboljsanja:
- Bootstrap kaskoda za ulazne MOSFET-e
- Smanjen Vds ali povecan Id za ulazne MOSFET-e, radi vece efektivne strmine
- Balansiranje strujnog zrcala koje ujedno koristi za ujednacavanje OLG-a na nizim frekvencijama
- DC offset je ispod 10mV i ne treba podesavanje
- Struje za reference ulaznog stupnja se zatvaraju direktno iz V+ u V- a ne u masu.
- Drugacija kompenzacija koja ne dira raspored harmnonika
- Drugacije podesavanje struje mirovanja

Napomene uz shemu:
- otpor 5k u povratnoj vezi su dva od 10k u paraleli
- otpori 500 ohma u repu ulaznog diferencijala su po dva od 1k u paralelu
- MJE340 su stavljeni radi simulacije, bolja je opcija BD139. Disipacija na njima je do 0.4W pa je pozeljno staviti barem minijaturno hladilo.

CI-lite2.gif
ilimzn
Iron Man
 
Postovi: 979
Pridružen/a: 05 svi 2011, 13:39

Re: Forumsko pojačalo

PostPostao/la aparatusonitus » 16 ruj 2011, 22:53

Iz perspektive šuma, bilo bi zanimljivo čuti tvoje mišljenje kada je bolje staviti 1 x 15V zenericu ili 3 x 5V1 (ili 2 x 7V5) zenerice za naponsku ref. plutajuće kaskade (usput objasniti prednosti/mane u odnosu na fiksnu), te zašto zerica nije filtrirana (šum je common mode pa se uvelike poništava diferencijalom)? Također, 5,5mA struje kroz nju je cca. dvostruko manje od preporuke za mali izlaznu impedanciju i što manji šum?
Avatar
aparatusonitus
 
Postovi: 234
Pridružen/a: 05 svi 2011, 21:08
Lokacija: Split

PrethodnaSljedeća

Natrag na Tranzistorska tehnika

Na mreži

Trenutno korisnika/ca: / i 2 gostiju.

cron