Postao/la josipV » 07 ožu 2016, 01:12
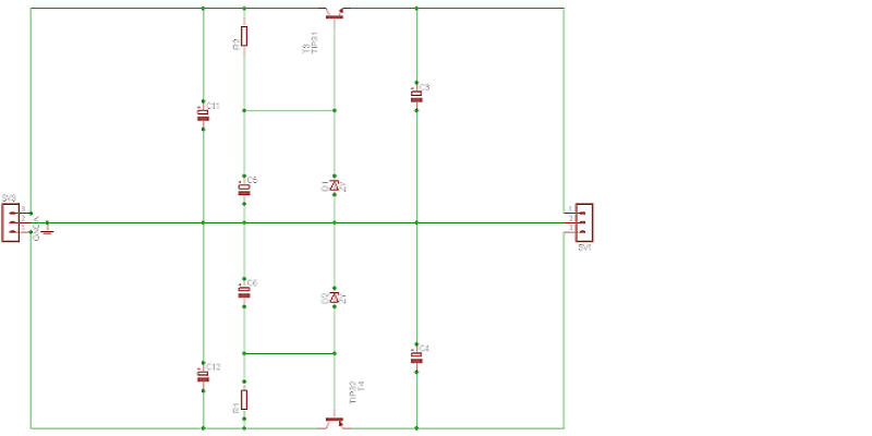
Trafo 56VA,2×30
Grec 50A,1000V
Kondenzatori NIPPON 2200uF 100V ×4
60 volti na grecu nakon greca 58,6V ,pad napona na grecu 1,4V,
Dakle to je 58,6×1,25=73,25V
Izlazni napon je određen naponom zener diode 1N5372B ,U=62V,I=20mA i umanjen je padom napona na spoju baza-emiter tranzistora koji iznosi 0,7V .
Sad treba odabrati tranzistor sa takvim strujnim pojačanjem koji će mi omogučiti
uptrebu ove zenerice.Odabrao sam TIP41C,TIP42C sa hfe=50(očitano iz dijagrama).
Zener dioda također troši oko 5mA.
Pad napona na otporniku jednak je:
ulaznom naponu-napon zenerice,
73,25-62=11,25V
I onda računamo R1
R=11,25/(0,42/50+0,005)=852,27 ohm
C11 i C12 =1uF -10uF sprečava oscilacije
C3=C4=470uF 100V
- Privitak/ci
-

- alephnapajanje.png (24.55 KiB) Pogledano 15912 put/a.