Ma, može milo, dakle priča ide oko toga (a tko nije bio pažljiv recimo na Ilimznovom predavanju u Umagu?)
da je masa vod kojim teče struja određenog stupnja, a kako je masa istovremeno i vod signala,
protok struje kroz određeni pa i mali otpor žice mase inducira neki napon u njoj koji se, ako se npr koristi
vod mase skroz neprekinut tako da je spojen i na gridleak prvog stupnja (potenciometar i 470K prema masi)
taj ise sti napon pojačava kroz naponske stupnje pojačanja, a kod cijevnog pojačala oba stupnja pojačavaju napon
i on na kraju biva čujan i smetnja koja nije neophodna.
Pritom ne govorim o zatvorenim krugovima mase, kojih se podrazumjeva izbjeći nego i samu masu u jednoj liniji.
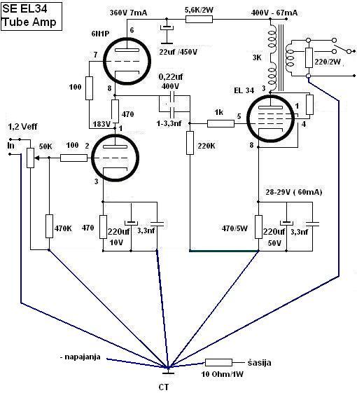
Na našem ampu, najveća opasnost i mogućnost indukcije smetnji kroz vod mase dolazi od stupnja sa najvećom katodnom strujom (kod EL34 ona je zbroj anodne i g2 struje), a to je izlazni stupanj (reda 60-70 mA), i ako baš iz inata nećete poštivati ovdje dani i nacrtani savjet oko masa, makar samo njega odvojite od ostatka mase i posebno odvedite do
CTM (centralna točka mase). Tu imamo i onaj vod sa gridleaka od 220K koji bismo isto mogli posebno odvesti na masu, no zadnji stupanj u triodi i UL ima relativno malo pojačanje i nisam vukao posebnu liniju, mada se moglo tako učiniti, pa ako želite, dapače.
Nadalje, obavezno odvajam i vodim masu svakog kanala na potenciometru prema CTM.
Ovdje je točka odakle prema izlazu pojačala imamo najveće pojačanje, stoga je ovdje ta akcija obvezna i
ako ovdje ništa ne pokupimo u signal, obavili smo većinu posla u uklanjanju smetnji.
Potom odvojiti katodni dio prve lampe od mrežice i katodnog dijela izlazne lampe.
Odvojiti i mase na izlaznim kanalima, na sekundarima trafoa prema CTM.
Ako je sve tako povezano, struja, dakle i inducirani napon će biti samo u žici svakog pojedinog stupnja prema CTM,
a neće je biti u ostalim vodovima. Jasno, na toj se CTM točki prikupi dosta žica, a potrebno je ostvariti najmanju moguću točku,odnosno treba pažljivo i kvalitetno zalemiti je. Pomaže lemilica >100W.
Ova je točka više kritična kod tranzistoraca u kojima vodovima mase teku višestruko veće struje, no i ovdje joj treba posvetiti pažnju....
Hiljadu mu mikrofarada, nadam se da nisam sad jako to zakomplicirao u želji da pojednostavim i detaljiziram,
nije to uopće tako zaguljeno kako se da isčitati iz ovoga...

Nagrada za ovakav postupaj je (ako smo pošteno projektirali ispravljač, spriječili magnetsku međuindukciju i
centrirali grijanje lampi, pripazili na gridstopere da budu što bliže samom pinu lampi) - apsolutno ništa iz zvučnika kad nema signala, ništa čak i pri maksimalno otvorenom potu...
Evo kako:

- SE-EL34-TUBEAMPMASE.JPG (42.87 KiB) Pogledano 10626 put/a.
A gdje se nalazi?
Ja sam je stavio najbliže ulazu signala ,odosno da su mi vodovi sa pota i prvog stupnja najkraći -
na lemnu letvicu prve lampe slijeva (kad gledamo odozdo)....

- HPIM2559masa.JPG (36.16 KiB) Pogledano 10624 put/a.
I'm too old for this s...