Kaligula je napisao/la:Još malo i bit će gotova shema ispravljača.
Ne znam je li potrebno biasirati cijevne grijače!
Pretpostavljam da misliš na "podići ih" na viši napon od katode?
Da, svakako.
Uz primjenu pažljivog vođenja vodova grijanja, ufrkavanja, centriranja i podizanja na viši potencijal,
pri ovakvim nivoima signala i naponskog pojačanja, bruma ne bi smjelo biti sa AC grijanjem.
No kako ti koristiš isti drajver i za headphone, znači poželjno bi bilo ipak drajverice grijati DC,
no to je i mala potrošnja, pa jedan mali ispravljačić sa 7806 regulatorom neće biti problem.
Minus tog ispravljača zakačiti na istu točku višeg naponskog potencijala, a ne na zajedničku masu.
Ostalo grijanje može AC, uključujuči i 6n13s u sljedilu....
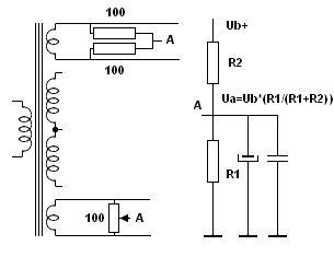
Na slici su recimo dvije metode centriranja grijača. Vrijednosti otpora su za max 6,3V, trimer je već na granici.
Slobodno ga stavite i od 250ohm.
Nije problem kad su lampe u ležištu i grijači nisu u prekidu nego u eventualnom pokretanju bez njih.
Tada sav napon grijanja prolazi isključivo kroz otpornike/trimer i disipira na trimeru 0,4W, a na otporima
0,2W, tako da za svaki slučaj stavite 1W varijante i u jednom i u drugom slučaju....
Još jedna varijanta bi npr. bila imati središnji izvod na trafou koji bi se spajao na točku A.

- 20100922_215950_cent-grijanje.jpeg (10.12 KiB) Pogledano 8251 put/a.
I'm too old for this s...